电脑桌面
添加小米粒文库到电脑桌面
安装后可以在桌面快捷访问

人教版九年级物理全册电路、电流、电压、电阻和欧姆定律专题练习题VIP免费

人教版九年级物理全册电路、电流、电压、电阻和欧姆定律专题练习题_第1页
1/10
人教版九年级物理全册电路、电流、电压、电阻和欧姆定律专题练习题_第2页
2/10
人教版九年级物理全册电路、电流、电压、电阻和欧姆定律专题练习题_第3页
3/10
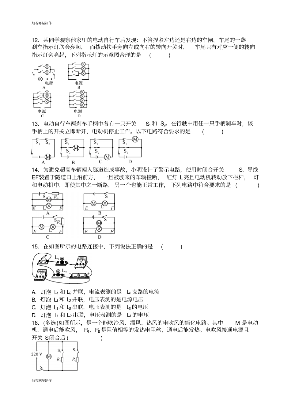
灿若寒星制作灿若寒星制作人教版九年级物理全册电路、电流、电压、电阻和欧姆定律专题练习题一、填空题1.如图所示,用餐巾纸摩擦吸管可以使其带电,这是_____________现象;现用另一带电的物体靠近吸管带电的一端,发现它们互相排斥,说明:它们带的是______(填“同种”或“异种”)电荷。2.教室里的所有照明灯之间是____联的,当教室里多开了一盏照明灯时,干路上的电流大小将_______(填“变大”“不变”或“变小”)。3.如图所示的电路,当开关S闭合后,电流表测量的是通过____(填“电源”“L1”或“L2”)的电流,电流表的指针偏转如图乙所示,电流表的示数为________A。4.如图所示,当电源电压为4V时,电压表的示数为1V;当电源电压增加到12V时,电流表的示数为1A,则电阻R1=____Ω,R2=____Ω。5.在如图所示的电路中,两只电流表的规格相同,都有两个量程(0~0.6A以及0~3A),且R1=R2,闭合开关S,电阻R1、R2及R3均有电流流过,两只电流表的指针偏转角度相同,则通过电流表A1的电流是通过电流表A2电流的____倍,R1∶R2∶R3=________________.6.如图所示是自动测定油箱内油量的原理图,O为杠杆支点,油量表是由量程为0~0.6A的电流表改装而成的,R0阻值为10Ω,电源电压为3V,Rx是规格为“20Ω1A”的滑动变阻器,当Rx的滑片处于最上端时,电路中的电流为____A,此时油量表标示为0,当油面上升时,电路中的电阻将_______,电流将_______(以上两空均填“增大”或“减小”)。灿若寒星制作灿若寒星制作7.在相距100km的甲、乙两地间沿直线架设两条输电线。输电线的电阻与其长度成正比。若输电线在某处发生了短路,为确定短路位置,在甲、乙两地的检修人员用输出电压相同且不变的电源和电流表做成如图所示的测量仪,并分别进行了如下测量:将测量仪连接ab时,电流表的示数为0.3A;将测量仪连接cd时,电流表的示数为1.2A。由此可判断短路位置离甲地的距离为____km。二、选择题8.小明将六种不同物品分成a、b两组,其中a组有陶瓷片、玻璃砖、塑料棒;b组有铜块、铅笔芯、盐水,这样分组依据的物理属性是()A.硬度B.导电性C.密度D.磁性9.如图所示,实验中的女生长发上扬。下列选项中,不属于保证该实验成功的必要条件是()A.金属球壳必须带电B.身体必须直接接触金属球壳C.身体必须与金属球壳不断摩擦D.身体与大地之间必须用绝缘材料隔离10.如图所示,在“○”处可以连接电流表或电压表测量电路中的电流、电压,为使L1与L2串联,以下做法正确的是()A.a为电流表,b为电压表,c为电流表B.a为电压表,b为电压表,c为电流表C.a为电流表,b为电流表,c为电压表D.a为电流表,b为电流表,c为电流表11.小云家卫生间安装了换气扇和照明灯,换气扇和照明灯的电路连接如图所示,下列分析正确的是()A.换气扇和照明灯不能同时工作B.换气扇和照明灯只能同时工作C.换气扇和照明灯工作时,通过他们的电流一定相等D.换气扇和照明灯工作时,它们两端的电压一定相等灿若寒星制作灿若寒星制作12.某同学观察他家里的电动自行车后发现:不管捏紧左边还是右边的车闸,车尾的一盏刹车指示灯均会亮起,而拨动扶手旁向左或向右的转向开关时,车尾只有对应一侧的转向指示灯会亮起,下列指示灯的示意图合理的是()13.电动自行车两刹车手柄中各有一只开关S1和S2。在行驶中用任一只手柄刹车时,该手柄上的开关立即断开,电动机停止工作。以下电路符合要求的是()14.为避免超高车辆闯入隧道造成事故,小明设计了警示电路,使用时闭合开关S。导线EF装置于隧道口上沿前方,一旦被驶来的车辆撞断,红灯L亮且电动机转动放下栏杆,灯和电动机中,即使其中之一断路,另一个也能正常工作,下列电路中符合要求的是()15.在如图所示的电路连接中,下列说法正确的是()A.灯泡L1和L2并联,电流表测的是L1支路的电流B.灯泡L1和L2并联,电压表测的是电源电压C.灯泡L1和L2串联,电压表测的是L2的电压D.灯泡L1和L2串联,电压表测的是L1的电压16.(多选)如图所示,是一个能吹冷风、温风、热风的电吹风的简化电路。其中M是电动机,通电后能吹风,R1、R2是阻值相等的发热电阻丝,通电后能发热。电吹风接通电...

1、当您付费下载文档后,您只拥有了使用权限,并不意味着购买了版权,文档只能用于自身使用,不得用于其他商业用途(如 [转卖]进行直接盈利或[编辑后售卖]进行间接盈利)。
2、本站所有内容均由合作方或网友上传,本站不对文档的完整性、权威性及其观点立场正确性做任何保证或承诺!文档内容仅供研究参考,付费前请自行鉴别。
3、如文档内容存在违规,或者侵犯商业秘密、侵犯著作权等,请点击“违规举报”。

碎片内容

人教版九年级物理全册电路、电流、电压、电阻和欧姆定律专题练习题

爱的疯狂+ 关注
实名认证
内容提供者

该用户很懒,什么也没介绍

相关文档

确认删除?
VIP
微信客服
  • 扫码咨询
会员Q群
  • 会员专属群点击这里加入QQ群
客服邮箱
回到顶部