电脑桌面
添加小米粒文库到电脑桌面
安装后可以在桌面快捷访问

人教版九年级物理内能测试VIP免费

人教版九年级物理内能测试_第1页
1/4
人教版九年级物理内能测试_第2页
2/4
人教版九年级物理内能测试_第3页
3/4
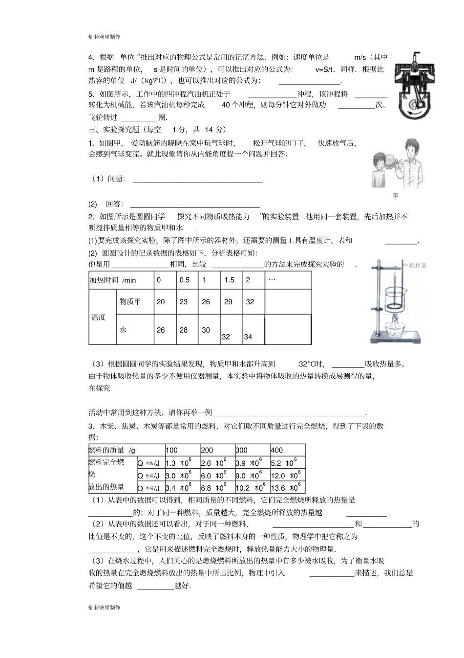
灿若寒星制作灿若寒星制作九年级物理《内能》测试2016.5.18一、选择题(1—13题为单选题,14—17为多选题,每题2分,共38分.多选题漏选得2分,错选不得分)(c水=4.2×103J/(kg?℃)1、清晨树叶上的露珠看起来呈球状,对此解释合理的是()A.分子不停的做无规则运动B.分子之间存在间隙C.分子之间存在引力D.分子之间存在斥力2、下列现象中,能说明分子永不停息地运动的是()A.水与酒精混合后体积会变小B.两块表面光滑的铅块压紧后会黏在一起C.空气比冰块更容易压缩D.在餐厅门口就能闻到美味佳肴的香气3、下列与分子相关的描述正确的是()A.破镜难圆说明分子间没有引力B.手捏海绵,海绵体积变小,不能说明分子间有空隙C.铁、水、空气、磁场等物质都是由大量分子组成的D.物质在固态时体积最小说明物质呈固态时分子最小4、如图是某物质由液态变为固态过程温度随时间变化的图象,下列说法正确的是()A.t4时刻物体内能为零B.t2、t3时刻物体内能相等C.t2时刻物体内能比t3小D.t1时刻物体分子动能比t2时大5、下列说法正确的是()A.0℃的物体没有内能B.物体运动越快,内能就越多C.物体内能增加,可能是从外界吸收了热量D.做功和热传递改变物体的内能实质上是相同的6、下列关于内能、热量、温度说法正确的是()A.物体温度越低,所含的热量越少B.物体吸收热量,它的温度一定会升高C.物体温度升高,它的内能一定增加D.物体内能减少,温度一定降低7、在标准大气压下,1kg20℃的水吸收了3.78×105J的热量后,其温度为()A.80℃B.90℃C.100℃D.110℃8、下列有关热学知识的说法中正确的是()A.燃料质量越大,热值越大B.燃料燃烧越充分,其热值越大C.质量相同的水温度升高1℃和降低1℃吸收或放出的热量是相同的D.物体吸收热量越多,比热容越大9、甲、乙两个物体质量相等,若它们的比热之比为2∶1,升高的温度之比为2∶1,则甲、乙两个物体吸收的热量之比为()A.1∶1B.l∶2C.1∶4D.4∶l10登山时喝空的矿泉水瓶,拧紧瓶盖。下山后瓶子变瘪,瓶内的气体分子()A、个数减少B、质量减小C、间隔减小D、体积减小11、甲、乙两种物质质量相同而比热容不同,当他们升高相同温度时,则()A.比热容小的吸收热量多B.比热容大的吸收热量多C.初温低的吸收热量多D.甲、乙吸收的热量一样多12、在比较两种不同液体吸收相同热量后温度升高快慢的实验中,需要控制一些变量,下列各控制内容,有必要的是()A.加热时所用酒精灯里装有的酒精量必须相等B.盛放液体的容器要相同,两种液体的质量要相等考场______考号_______班级________________姓名___________灿若寒星制作灿若寒星制作C.两种液体的体积要完全相等D.两种液体的初温一定要相同13、用两个相同的电热器给质量相同的物质甲和乙加热,它们的温度随加热时间的变化关系如图所示.已知甲的比热容是1.8×103J/(kg?℃),据此判断物质乙的比热容为()A.2.25×103J/(kg?℃)B.2.4×103J/(kg?℃)C.3.0×103J/(kg?℃)D.4.2×103J/(kg?℃)14、下列做法中,利用水的比热容较大这一特性的是()A.用水做内燃机的冷却液B.供暖系统使用热水循环供暖C.火热的夏天,在室内地上洒水感到凉爽D.在城市里修建人工湖,除了美化环境外,还能调节周围的气温15、小刚学习了这两章内容后,总结了以下几种说法,正确的是()A.两杯水温度相同,内能不一定相同B.利用热值大的燃料可以提高热机效率C.热量可能从内能小的物体向内能大传递D.加热不同种类的两种物质,升温快的比热容小16、两个相同的容器分别装有质量相同的甲、乙两种液体.用同一热源分别加热,液体温度与加热时间关系如图所示.下列说法正确的是()A.甲比乙液体的比热容大B.加热相同的时间,甲和乙液体吸收的热量相同C.加热相同的时间,甲比乙液体温度升高的多D.如果升高相同的温度,甲比乙液体吸收的热量少17、用相同的酒精灯分别对a、b两液体加热(如图甲),根据测得数据分别描绘出两液体的温度随时间变化的图象(如图乙).在相同的时间内两液体吸收的热量相等,不计液体热量散失,分别用ma、mb、ca、cb表示a、b两液体的质量和比热容,则结合图...

1、当您付费下载文档后,您只拥有了使用权限,并不意味着购买了版权,文档只能用于自身使用,不得用于其他商业用途(如 [转卖]进行直接盈利或[编辑后售卖]进行间接盈利)。
2、本站所有内容均由合作方或网友上传,本站不对文档的完整性、权威性及其观点立场正确性做任何保证或承诺!文档内容仅供研究参考,付费前请自行鉴别。
3、如文档内容存在违规,或者侵犯商业秘密、侵犯著作权等,请点击“违规举报”。

碎片内容

人教版九年级物理内能测试

确认删除?
VIP
微信客服
  • 扫码咨询
会员Q群
  • 会员专属群点击这里加入QQ群
客服邮箱
回到顶部