电脑桌面
添加小米粒文库到电脑桌面
安装后可以在桌面快捷访问

设备异常处理流程及规定VIP免费

设备异常处理流程及规定_第1页
1/3
设备异常处理流程及规定_第2页
2/3
设备异常处理流程及规定_第3页
3/3
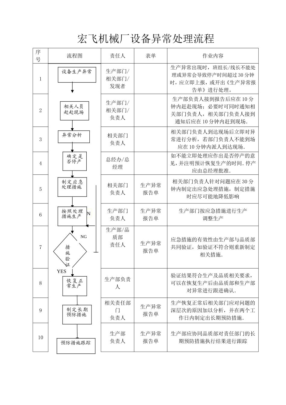
宏飞机械厂设备异常处理流程序号流程图责任人表单作业内容1生产部门/相关部门/发现者生产异常出现时,班组长/线长不能处理或异常会导致停产时间超过30分钟时,应立即上报,或开出《生产异常报告单》进行处理。2生产部门/相关部门/负责人生产部负责人接到报告后应在10分钟内赶赴现场;必要时可同时通知相关部门负责人,相关部门负责人接到通知后应在10分钟内赶到现场.3相关部门负责人相关部门负责人到达现场后立即对异常进行分析,若部门负责人不能到场应在10分钟内派人到达现场.4总经办/总经理如不能立即处理应作出是否停产的意见,并注明预计恢复生产的时间.停产应由总经理批准.5相关部门负责人生产异常报告单相关部门负责人针对问题应在30分钟内制定出应急处理措施,制定措施时应尽可能地降低影响6生产部门负责人生产异常报告单生产部门按应急措施进行生产调整生产7生产部/品质部责任人生产异常报告单应急措施的有效性由生产部与品质部共同验证,如验证不符合则重新制定相关措施.8生产部负责人验证结果符合生产及品质相关要求,可以在恢复生产后由品质部和生产部对异常进行跟进确认.9相关责任部门负责人生产异常报告单生产恢复正常后相关部门应对问题的深层次的原因加以分析,并在两个工作日内制定出长期预防措施.10生产部负责人生产异常报告单生产部应协同品质部对责任部门的长期预防措施执行结果进行跟踪相关人员赶赴现场设备生产异常N异常分析确定是否停产制定应急处理措施按照处理措施生产措施验证YESNG恢复正常生产制定长期预防措施预防措施跟踪宏飞机械异常处理规定1.目的为了更好的规范和完善公司生产异常处理作业,使生产问题发生后,各部门人员迅速、有效的处理,减免停工时间,提高生产效率,特制定本流程。2.适用范围适用于公司所有生产异常的处理。3.职责3.1生产部门负责生产异常的反馈和处理措施验证。3.2品质部负责品质异常的处理及验证。3.3设备组负责设备异常的处理。3.4计控部负责物料异常的处理。3.5技术部负责技术、关键工序设备、工装模具、工艺异常的处理。4.作业规范4.1生产异常反馈4.1.1当生产发生异常或有出现异常的趋势时,生产部发现人员和现场管理人员(如班组长)应即时给予分析,并主动积极寻求解决方法,包括与相关人员联系,如能及时解决则不在本流程规定内。4.1.2如情况严重,班组长不能处理或异常会导致停产时间超过30分钟时,应立即报告车间主管,由车间主管进行解决。若车间主管也不能解决时,则由班组长根据异常现状及时开出《生产异常报告单》,经车间主管确认后,报告生产部经理.4.1.3生产部经理接到生产异常报告后10分钟内赶到现场,对问题进行分类分析,必要时与相关部门负责人联系,寻求支持或召开生产异常协调会进行解决,若相关部门不能配合时,应及时向总经理报告由总经理协调各职能部门进行解决。4.2生产异常处理4.2.1相关部门在接到生产异常信息后10分钟内(紧急事件立即处理)赶到生产现场,初步分析。如部门负责人不能到现场应在规定时间内派人到场.4.2.2根据异常信息由生产部将《生产异常报告单》交异常处理主要责任人.4.2.3要求异常处理主要责任人在接到信息后30分钟内制定出应急措施.A质量异常:由品管部负责主导对异常情况进行分析及处理,必要时组织相关部门专题会议讨论解决。B设备异常:设备异常由设备组负责对设备进行检修,如不能在规定时间内完成则需向相关生产单位说明,同时提出停产申请并回复确定修复时间,维修完成后由生产部责任班长签署维修结果。C物料异常:由计控部根据实际情况书面确定是否调单或代用物料生产。D技术、关键工序设备、工装模具、工艺异常:由技术部负责主导对异常情况进行分析及处理,必要时组织相关部门专题会议讨论解决。4.2.4由异常处理的主要责任部门负责30分钟内填写完成《生产异常报告单》中的应急对策栏,然后交生产部跟进。4.2.5异常处理主要责任部门如不能在规定时间内处理,应做出是否停产的意见,并注明预计恢复生产时间。停产必须报总经理审核后方为有效。4.2.6生产部按《生产异常报告单》上制定的应急措施对生产进行调整。4.3生产异常处理验证4.3.1应急措施的有...

1、当您付费下载文档后,您只拥有了使用权限,并不意味着购买了版权,文档只能用于自身使用,不得用于其他商业用途(如 [转卖]进行直接盈利或[编辑后售卖]进行间接盈利)。
2、本站所有内容均由合作方或网友上传,本站不对文档的完整性、权威性及其观点立场正确性做任何保证或承诺!文档内容仅供研究参考,付费前请自行鉴别。
3、如文档内容存在违规,或者侵犯商业秘密、侵犯著作权等,请点击“违规举报”。

碎片内容

设备异常处理流程及规定

您可能关注的文档

确认删除?
VIP
微信客服
  • 扫码咨询
会员Q群
  • 会员专属群点击这里加入QQ群
客服邮箱
回到顶部