电脑桌面
添加小米粒文库到电脑桌面
安装后可以在桌面快捷访问

风险识别与评估程序VIP免费

风险识别与评估程序_第1页
1/6
风险识别与评估程序_第2页
2/6
风险识别与评估程序_第3页
3/6
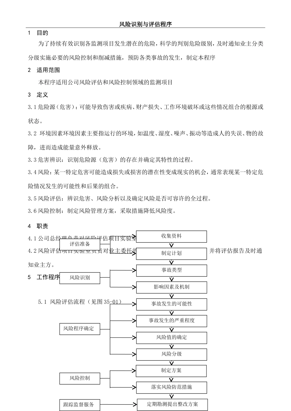
风险识别与评估程序1目的为了持续有效识别各监测项目发生潜在的危险,科学的判别危险级别,及时通知业主分类分级实施必要的风险控制和削减措施,预防各类事故的发生,制定本程序2适用范围本程序适用公司风险评估和风险控制领域的监测项目3定义3.1危险源(危害):可能导致伤害或疾病、财产损失、工作环境破坏或这些情况组合的根源或状态。3.2环境因素环境因素主要指运行的环境,如温度、湿度、噪声、振动等造成人的失误、物的故障,进而造成能量意外释放。3.3危害辨识:识别危险源(危害)的存在并确定其特性的过程。3.4风险:某一特定危害可能造成损失或损害的潜在性变成现实的机会,通常表现某一特定危险情况发生的可能性和后果的组合。3.5风险评估:辨识危害、风险分析以及确定风险是否可容许的全过程。3.6风险控制:制定风险管理方案,采取措施降低风险度。4职责4.1公司总经理负责对风险评估项目实验室的的全面管理。4.2风险评估项目实验室负责对业主委托的项目进行风险识别和评估,并将评估报告及时通知业主方。5工作程序5.1风险评估流程(见图35-01)事故发生的可能性事故发生的严重程度风险值的确定风险分级风险程序确定事故类型影响因素及机制风险识别收集资料制定计划评估准备定期勘测提出整改方案跟踪监督服务风险控制制定方案落实风险防范措施风险识别与评估程序图35-01风险评估流程5.2信息的搜集、传递和梳理5.1.1在工作中按照相关文件标准规范的要求对已经认定为风险采取控制措施,密切关注已发风险的变异和可能出现的各类风险,初步评估后采取相应的应对措施,必要时可通知公司给以技术支持,已消除危险源或降低风险等级;并通过安全监测、安全会议、安全计划等收集影响安全的各类信息,评估现有的控制措施的有效性等情况;通过缺陷或不符合报告,事故或险情报告等形式及时反馈给业主单位。5.1.2项目组通过安全检查和监控密切关注已认定的风险实施控制的实际效果,同时收集影响安全的各类风险信息,及时传递给业主单位;必要是梳理汇总项目实施的控制措施的共同问题和重要的风险信息,在安全会议上提出。5.1.3对于项目已经出现的异常情况、应急情况或风险等级升高的其他情况,项目组应及时向业主、相关单位和部门传统有关信息,提供各种参考数据、建议和意见,以便将相关风险降低到可控范围。5.2危害(危险源)辨识5.2.1危害辨识主要内容有:工作环境:包括周围环境、工程地质、地形、自然灾害、气象条件、资源交通、抢险救灾支持条件等;平面布局:功能分区(生产、管理、生活区);高温、有害物质、噪声、辐射、易燃、易爆、危险品设施布置;建筑物、构筑物布置;风向、安全距离、卫生防护距离等;风险识别与评估程序运输路线:施工便道、各施工作业区、作业面、作业点的贯通道路以及与外界联系的交通路线等;工序:作业及控制条件、事故及失控状态、物资特性(毒性、腐蚀性、燃爆性)温度、压力、速度;施工机具、设备:高温、低温、腐蚀、高压、振动、关键部位的备用设备、控制、操作、检修和故障失误时的紧急异常情况;机械设备的运动部件和工件、操作条件、检修作业、误运转和误操作;电气设备的断电、触电、火灾、爆炸、误运转和误操作,静电、雷电;危险性较大设备和高处作业设备:如提升、起重设备等;特殊装置、设备:危险品库房等;有害作业部位:粉尘、毒物、噪声、振动、辐射、高温、低温等;各种设施:管理设施(指挥机关等)、事故应急抢救设施(医务室等)、辅助生产、生活设施等;劳动组织生理、心理因素和人机工程学因素等。5.2.2危害类别按GB/T3816-92生产过程危险和有害因素分类与代码及导致事故、职业危害的直接原因、起因物、诱导性原因、致害物、伤害方式等,危险/危害因素综合分为8大类,包括:物理危害、化学危害、机械危害、生物危害、人机工效危害、社会-生理、心理危害、行为危害、环境危害。(详见附件A:表危险/危害因素分类)。5.2.3危险源(危害)识别要点与过程5.2.3.1危险源有两种:“根源危险源”和“状态危险源”。根源危险源是事故发生的能量主体,决定事故后果的严重程度;状态危险源是造成事故的必要条件,决定事故发生的可...

1、当您付费下载文档后,您只拥有了使用权限,并不意味着购买了版权,文档只能用于自身使用,不得用于其他商业用途(如 [转卖]进行直接盈利或[编辑后售卖]进行间接盈利)。
2、本站所有内容均由合作方或网友上传,本站不对文档的完整性、权威性及其观点立场正确性做任何保证或承诺!文档内容仅供研究参考,付费前请自行鉴别。
3、如文档内容存在违规,或者侵犯商业秘密、侵犯著作权等,请点击“违规举报”。

碎片内容

风险识别与评估程序

您可能关注的文档

确认删除?
VIP
微信客服
  • 扫码咨询
会员Q群
  • 会员专属群点击这里加入QQ群
客服邮箱
回到顶部