电脑桌面
添加小米粒文库到电脑桌面
安装后可以在桌面快捷访问

市政施工员真题及答案VIP免费

市政施工员真题及答案_第1页
1/22
市政施工员真题及答案_第2页
2/22
市政施工员真题及答案_第3页
3/22
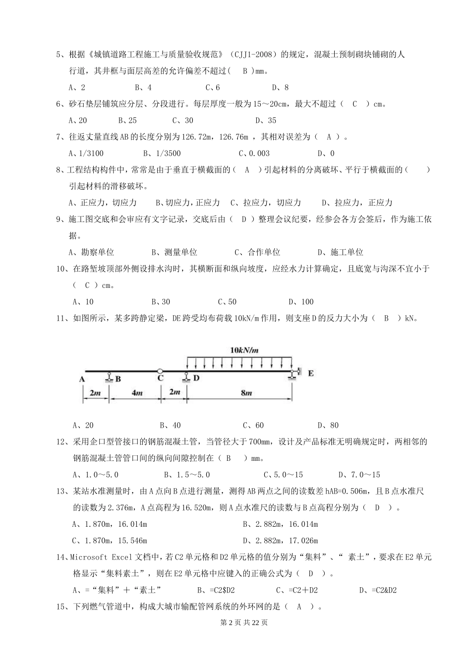
试卷编号1041605《市政工程施工员》试题注意:1.本试卷分为两个科目,均为客观题,总分200分,考试时间为3小时。2.指定用笔:答题卡涂黑用2B铅笔。3.必须使用指定用笔作答。使用非指定用笔的答题无效。答题卡填涂如有改动,必须用橡皮擦净痕迹,以免电脑阅卷时误读。4.本试卷全卷连续编号。请按题型指导语选择正确答案,并按题号在答题卡上将所选选项对应的字母用2B铅笔涂黑。5.在试卷上作答无效。6.草稿纸不再另发,可以用试卷做草稿纸。科目一专业知识一、单选题(以下各题的备选答案中都只有一个是最符合题意的,请将其选出,并在答题卡上将对应题号后的字母涂黑。共50题,每小题1分,共50分。)1、目标控制过程中会不断受到各种干扰,各种风险因素有随时发生的可能,故要通过组织协调和风险管理进行(A)控制。A、动态B、静态C、分解D、系统2、国家标准中规定标题栏正常情况下应画在图纸的(D)。A、右上角B、左上角C、左下角D、右下角3、某总承包单位将工程防水施工分包给具有相应资质的分包单位。该工程施工过程中,分包单位发生了安全生产事故。关于双方责任的说法,错误的是(A)。A、分包单位只承担民事赔偿责任B、总承包单位应对本工程施工现场的安全生产负总责C、总承包与分包单位就该安全事故承担连带责任D、如果发生的安全事故情节特别严重,构成犯罪的,应当追究总承包单位主要责任人责任4、如图所示,FAX、FAY的大小分别为(B)。A、F/3,F/3B、2F/3,F/3C、F/3,2F/3D、2F/3,2F/3第1页共22页姓名:准考证号:密封线考生答题不要过此线姓名:准考证号:5、根据《城镇道路工程施工与质量验收规范》(CJJ1-2008)的规定,混凝土预制砌块铺砌的人行道,其井框与面层高差的允许偏差不超过(B)mm。A、2B、4C、6D、86、砂石垫层铺筑应分层、分段进行。每层厚度一般为15~20cm,最大不超过(C)cm。A、20B、25C、30D、357、往返丈量直线AB的长度分别为126.72m,126.76m,其相对误差为(A)。A、1/3100B、1/3500C、0.003D、08、工程结构构件中,常常是由于垂直于横截面的(A)引起材料的分离破坏、平行于横截面的()引起材料的滑移破坏。A、正应力,切应力B、切应力,正应力C、拉应力,切应力D、拉应力,正应力9、施工图交底和会审应有文字记录,交底后由(D)整理会议纪要,经参会各方会签后,作为施工依据。A、勘察单位B、测量单位C、合作单位D、施工单位10、在路堑坡顶部外侧设排水沟时,其横断面和纵向坡度,应经水力计算确定,且底宽与沟深不宜小于(C)cm。A、10B、30C、50D、10011、如图所示,某多跨静定梁,DE跨受均布荷载10kN/m作用,则支座D的反力大小为(B)kN。A、20B、40C、60D、8012、采用企口型管接口的钢筋混凝土管,当管径大于700mm,设计及产品标准无明确规定时,两相邻的钢筋混凝土管管口间的纵向间隙控制在(B)mm。A、1.0~5.0B、1.5~5.0C、5.0~15D、7.0~1513、某站水准测量时,由A点向B点进行测量,测得AB两点之间的读数差hAB=0.506m,且B点水准尺的读数为2.376m,A点高程为16.520m,则A点水准尺的读数与B点高程分别为(D)。A、1.870m,16.014mB、2.882m,16.014mC、1.870m,15.546mD、2.882m,17.026m14、MicrosoftExcel文档中,若C2单元格和D2单元格的值分别为“集料”、“素土”,要求在E2单元格显示“集料素土”,则在E2单元格中应键入的正确公式为(D)。A、=“集料”+“素土”B、=C2$D2C、=C2+D2D、=C2&D215、下列燃气管道中,构成大城市输配管网系统的外环网的是(A)。第2页共22页A、中压A燃气管道B、中压B燃气管道C、次高压B燃气管道D、高压A燃气管道16、钢筋混凝土偏心受压构件,其大、小偏心受压的根本区别是在截面破坏时,(A)。A、受拉钢筋是否屈服B、受压钢筋是否屈服C、混凝土压碎D、偏心距相近17、施工项目质量目标控制的原理是(B)循环原理。A、ACDPB、PDCAC、CAPDD、CPAD18、安全生产许可证的有效期为(C)年。A、1B、2C、3D、519、碗扣式支架用钢管规格为(A)mm,钢管壁厚不得小于3.5mm。A、Φ48×3.5B、Φ51×3.5C、Φ51×3.0D、Φ45×3.520、MicrosoftExcel文档编辑时,如果某单元格显示“#DIV/0!”,则表示(A)。A、...

1、当您付费下载文档后,您只拥有了使用权限,并不意味着购买了版权,文档只能用于自身使用,不得用于其他商业用途(如 [转卖]进行直接盈利或[编辑后售卖]进行间接盈利)。
2、本站所有内容均由合作方或网友上传,本站不对文档的完整性、权威性及其观点立场正确性做任何保证或承诺!文档内容仅供研究参考,付费前请自行鉴别。
3、如文档内容存在违规,或者侵犯商业秘密、侵犯著作权等,请点击“违规举报”。

碎片内容

市政施工员真题及答案

您可能关注的文档

确认删除?
VIP
微信客服
  • 扫码咨询
会员Q群
  • 会员专属群点击这里加入QQ群
客服邮箱
回到顶部