电脑桌面
添加小米粒文库到电脑桌面
安装后可以在桌面快捷访问

空压机储气罐安装施工方案VIP免费

空压机储气罐安装施工方案_第1页
1/8
空压机储气罐安装施工方案_第2页
2/8
空压机储气罐安装施工方案_第3页
3/8
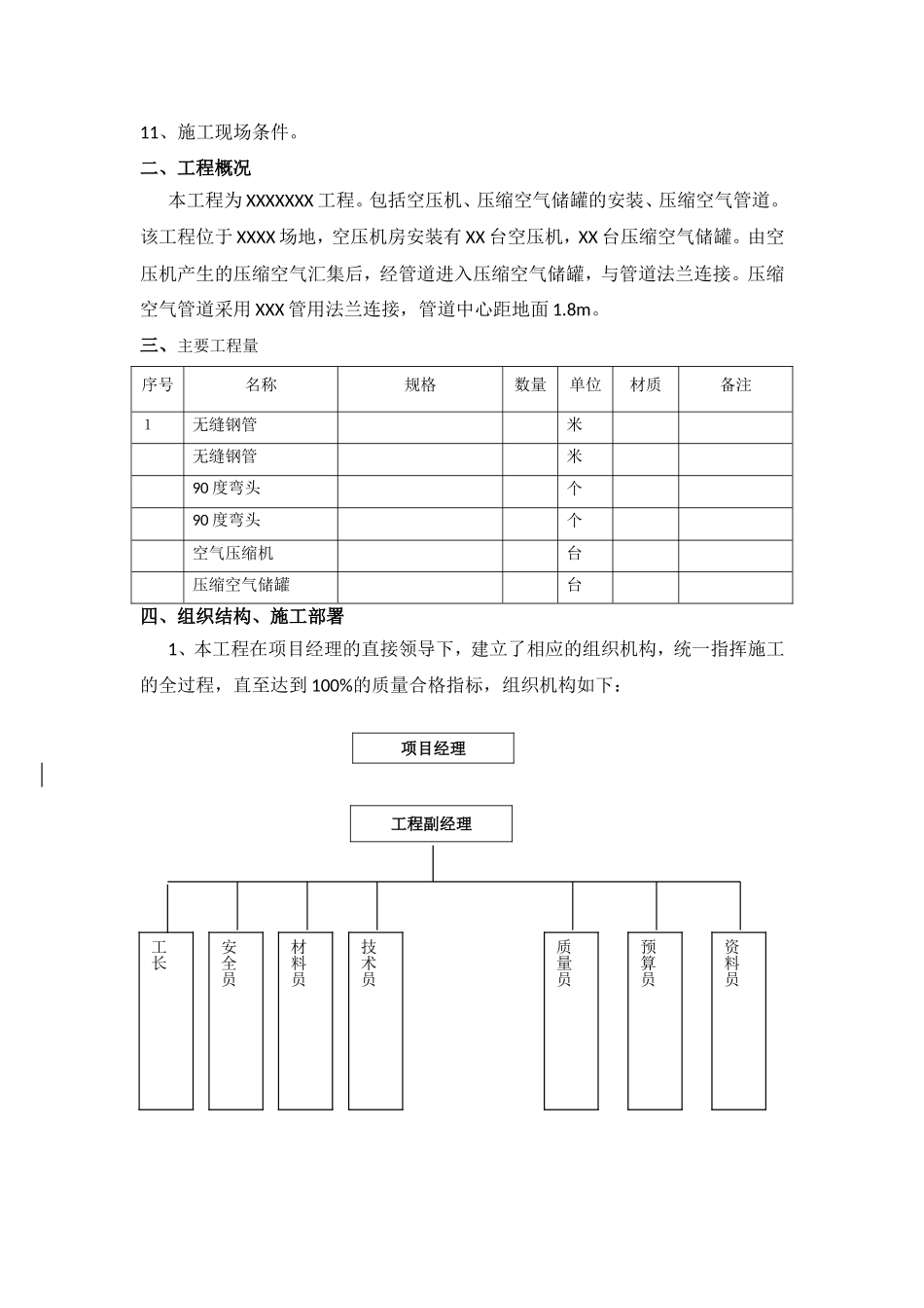
空压机、储气罐干雾项目安装方案编制:审核:审批:目录1、编制依据2、工程概况3、主要工程量4、组织结构、施工部署5、施工准备6、主要施工方法7、质量保证措施8、保证施工安全措施9、文明施工及环境保护措施空压机安装施工方案一、编制依据1、《压力管道安全管理与监察规定》及解析〈劳部发(1996)140号〉2、《机械设备安装工程施工及验收规范》GB502313、《压缩机、风机、泵安装工程施工及验收规范》GB502754、《工业金属管道工程施工及验收规范》GB502355、《现场设备、工业管道焊接工程施工及验收规范》GB502366、《工业设备及管道绝热工程工程施工及验收规范》GB502647、《工业自动化仪表工程施工及验收规范》GB500938、《建设工程安全生产管理条例》中华人民共和国国务院令第393号9、由业主提供的施工图纸及相关要求。10、国家有关的法律、法规、规定和制度,本单位相关工程施工经验及综合实力。11、施工现场条件。二、工程概况本工程为XXXXXXX工程。包括空压机、压缩空气储罐的安装、压缩空气管道。该工程位于XXXX场地,空压机房安装有XX台空压机,XX台压缩空气储罐。由空压机产生的压缩空气汇集后,经管道进入压缩空气储罐,与管道法兰连接。压缩空气管道采用XXX管用法兰连接,管道中心距地面1.8m。三、主要工程量序号名称规格数量单位材质备注1无缝钢管米无缝钢管米90度弯头个90度弯头个空气压缩机台压缩空气储罐台四、组织结构、施工部署1、本工程在项目经理的直接领导下,建立了相应的组织机构,统一指挥施工的全过程,直至达到100%的质量合格指标,组织机构如下:工程副经理质量项目经理工长安全员材料员技术员资料员预算员质量员2、质量目标:保证工程质量全部合格。工期目标:按合同工期完成全部建设施工任务。现场管理目标:严格施工现场管理,杜绝重大安全事故,不发生火灾。3、劳动力安排工种焊工电工管道工起重工力工钳工人数212122五、施工准备1、图纸准备:为了更好地进行施工,施工前要求各施工人员认真熟悉图纸,掌握施工的难点和重点。2、技术准备:土建施工过程中,要求土建专业按图纸预留孔洞,技术人员要到现场核实尺寸,避免返工。3、材料准备:3.1管材:压缩空气系统采用XXX管,并酸洗镀锌法兰连接,或XXX管焊接,管材不得弯曲、锈蚀、无飞刺、重皮及凹凸不平现象,施工前应用钢刷对XX管除锈,并在现场码放整齐。3.2管件:要求表面平整,无角度不标准缺陷,并在现场码放整齐。3.3阀门:采用的阀门,铸造规矩,无毛刺、裂纹,开关灵活严密,丝扣无损伤直角和角度正确,强度符合要求,手轮无损伤。施工前应进行试压。3.4附属装置:气路过滤器,压缩空气储罐,应符合设计要求,并有出厂合格证和说明书。3.5其它材料:型钢、管卡子、螺栓、螺母、衬垫、垫圈、电气焊条等,选用符合标准要求。施工班组4、主要机具:4.1机具:25T吊车、载重汽车、钢丝绳、倒链、砂轮锯、套丝机、电焊机、气焊机。4.2工具:管钳、压力案、台虎钳、气焊工具、手锯、活板子。4.3其它:水平尺、钢卷尺、线坠、小线等。六、主要施工方法施工顺序:(1)施工准备→(2)设备就位→(3)清理管道→(4)压缩空气管道法兰安装→(5)附属装置安装→(6)试压清扫冲洗→(7)防腐→(8)调试验收施工方法:1、空压机、储气罐就位。检查混凝土平台基础,平台牢固平整,用钢丝绳在吊装位置将设备捆好,用25t吊车将设备吊起,放置在混凝土平台标定的设计基础位置,用膨胀螺丝固定好。2、压缩空气管道安装。(1)断管:首先应根据现场测绘草图,在选好的管材上画线,按线断管。断管采用砂轮或手锯断管。用砂轮锯断管:应将管材放在砂轮锯钳上,对准画线卡牢,进行断管时压手柄用力要均匀,不要用力过猛,断管后要将管口断面的铁沬、毛刺清除干净。用手锯断管:应将管材固定在压力钳内,将锯条对准画线,双手握锯,锯条要保持与管道的轴线垂直,推拉锯用力要均匀,锯口要锯到底,不允许扭断或折断,以防管口断面变形。(2)管道、管件焊接连接:管道和连接件连接长度不能大于6米,以利于现场施工安装。管道焊接前应割坡口,坡口加工可采用机械刨边方法,现场可采用氧—乙炔焰切割方法,但必须除去坡口表面氧...

1、当您付费下载文档后,您只拥有了使用权限,并不意味着购买了版权,文档只能用于自身使用,不得用于其他商业用途(如 [转卖]进行直接盈利或[编辑后售卖]进行间接盈利)。
2、本站所有内容均由合作方或网友上传,本站不对文档的完整性、权威性及其观点立场正确性做任何保证或承诺!文档内容仅供研究参考,付费前请自行鉴别。
3、如文档内容存在违规,或者侵犯商业秘密、侵犯著作权等,请点击“违规举报”。

碎片内容

空压机储气罐安装施工方案

您可能关注的文档

确认删除?
VIP
微信客服
  • 扫码咨询
会员Q群
  • 会员专属群点击这里加入QQ群
客服邮箱
回到顶部