电脑桌面
添加小米粒文库到电脑桌面
安装后可以在桌面快捷访问

磁、磁、交第Ⅱ卷VIP专享VIP免费

磁、磁、交第Ⅱ卷_第1页
1/3
磁、磁、交第Ⅱ卷_第2页
2/3
磁、磁、交第Ⅱ卷_第3页
3/3
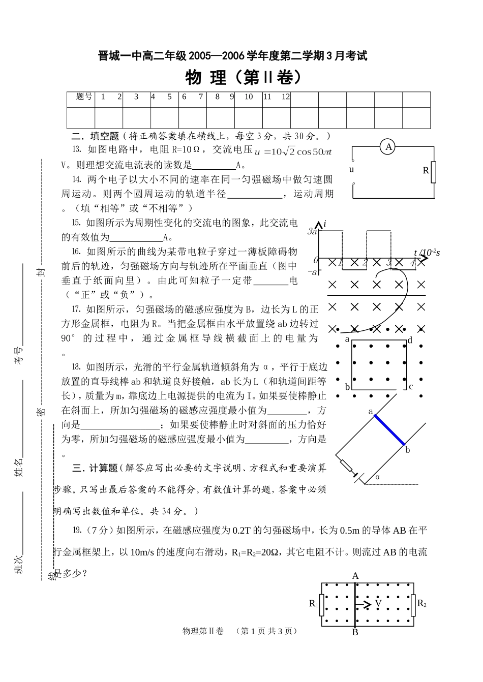
晋城一中高二年级2005—2006学年度第二学期3月考试物理(第Ⅱ卷)二.填空题(将正确答案填在横线上,每空3分,共30分。)⒔如图电路中,电阻R=10Ω,交流电压V。则理想交流电流表的读数是A。⒕两个电子以大小不同的速率在同一匀强磁场中做匀速圆周运动。则两个圆周运动的轨道半径,运动周期。(填“相等”或“不相等”)⒖如图所示为周期性变化的交流电的图象,此交流电的有效值为A。⒗如图所示的曲线为某带电粒子穿过一薄板障碍物前后的轨迹,匀强磁场方向与轨迹所在平面垂直(图中垂直于纸面向里)。由此可知粒子一定带电(“正”或“负”)。⒘如图所示,匀强磁场的磁感应强度为B,边长为L的正方形金属框,电阻为R。当把金属框由水平放置绕ab边转过90°的过程中,通过金属框导线横截面上的电量为。⒙如图所示,光滑的平行金属轨道倾斜角为α,平行于底边放置的直导线棒ab和轨道良好接触,ab长为L(和轨道间距等长),质量为m,靠底边上电源提供的电流为I。如果要使棒静止在斜面上,所加匀强磁场的磁感应强度最小值为,方向是;如果要使棒静止时对斜面的压力恰好为零,所加匀强磁场的磁感应强度最小值为,方向是。三.计算题(解答应写出必要的文字说明、方程式和重要演算步骤。只写出最后答案的不能得分。有数值计算的题,答案中必须明确写出数值和单位。共34分。)⒚(7分)如图所示,在磁感应强度为0.2T的匀强磁场中,长为0.5m的导体AB在平行金属框架上,以10m/s的速度向右滑动,R1=R2=20Ω,其它电阻不计。则流过AB的电流是多少?物理第Ⅱ卷(第1页共3页)Au。。Rt/10-2si123043a-aabcdR1R2VAB....................................班次姓名考号--------------------------------------------------密---------------------------------------封---------------------------------线---------------------------------------------αab题号123456789101112⒛(8分)质谱仪是一种测定带电粒子质量和分析同位素的重要工具,它的构造原理如图所示。粒子源S产生质量为m,电量为q的正粒子,粒子产生出来时速度很小,可以看作是静止的。粒子经过电压U加速,进入磁感应强度为B的匀强磁场,沿着半圆周运动而到达照相底片P上,测得它在P上的位置到入口处S1的距离为L。求粒子的质量是多少?21.(9分)如图所示,Ⅰ、Ⅲ为两匀强磁场区域,Ⅰ区域的磁场方向垂直纸面向里,Ⅲ区域的磁场方向垂直纸面向外,磁感应强度均为B,两区域中间为宽为S的无磁场区域Ⅱ。有一边长为L(L>S),电阻为R的正方形金属框abcd置于Ⅰ区域,ab边与磁场边界平行,现拉着金属框以速度V向右匀速直线运动。①分别求出当ab边刚进入中央无磁场区域Ⅱ和刚进入磁场区域Ⅲ时,通过ab边的电流的大小和方向。②把金属框从Ⅰ区域完全拉入Ⅲ区域过程中拉力所做的功。物理第Ⅱ卷(第2页共3页)●s1SUU....................................+PUqLU××××××××××××××××××××××××××××××..............................abcdVLⅠⅢⅡSBB22.(10分)如图所示,位于竖直平面内的矩形平面导线框abdc,ab长L1=1.0m,是水平的,bd长L2=0.5m,线框的质量m=0.2kg,电阻R=2Ω,其下方有一匀强磁场区域,该区域的上、下边界PQ、MN均与ab平行。两边界间距离为H=1.0m,磁场的磁感应强度B=1.0T,方向与线框平面垂直。令线框的dc边从离磁场区域上边界PQ的距离为h=0.7m处自由下落。已知线框的dc边进入磁场以后,ab边到达边界PQ之前的某一时刻线框的速度已达到这一阶段的最大值。问从线框开始下落到dc边刚好到达磁场区域下边界MN的过程中,磁场作用于线框的安培力做的总功为多少?取g=10m/s2。物理第Ⅱ卷(第3页共3页)××××××××××××××××××××××××××××PQMNHhBabcdL1L2

1、当您付费下载文档后,您只拥有了使用权限,并不意味着购买了版权,文档只能用于自身使用,不得用于其他商业用途(如 [转卖]进行直接盈利或[编辑后售卖]进行间接盈利)。
2、本站所有内容均由合作方或网友上传,本站不对文档的完整性、权威性及其观点立场正确性做任何保证或承诺!文档内容仅供研究参考,付费前请自行鉴别。
3、如文档内容存在违规,或者侵犯商业秘密、侵犯著作权等,请点击“违规举报”。

碎片内容

磁、磁、交第Ⅱ卷

您可能关注的文档

确认删除?
VIP
微信客服
  • 扫码咨询
会员Q群
  • 会员专属群点击这里加入QQ群
客服邮箱
回到顶部