电脑桌面
添加小米粒文库到电脑桌面
安装后可以在桌面快捷访问

通信光缆施工方案VIP免费

通信光缆施工方案_第1页
1/15
通信光缆施工方案_第2页
2/15
通信光缆施工方案_第3页
3/15
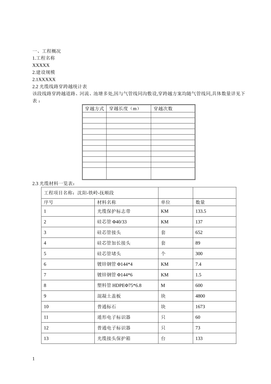
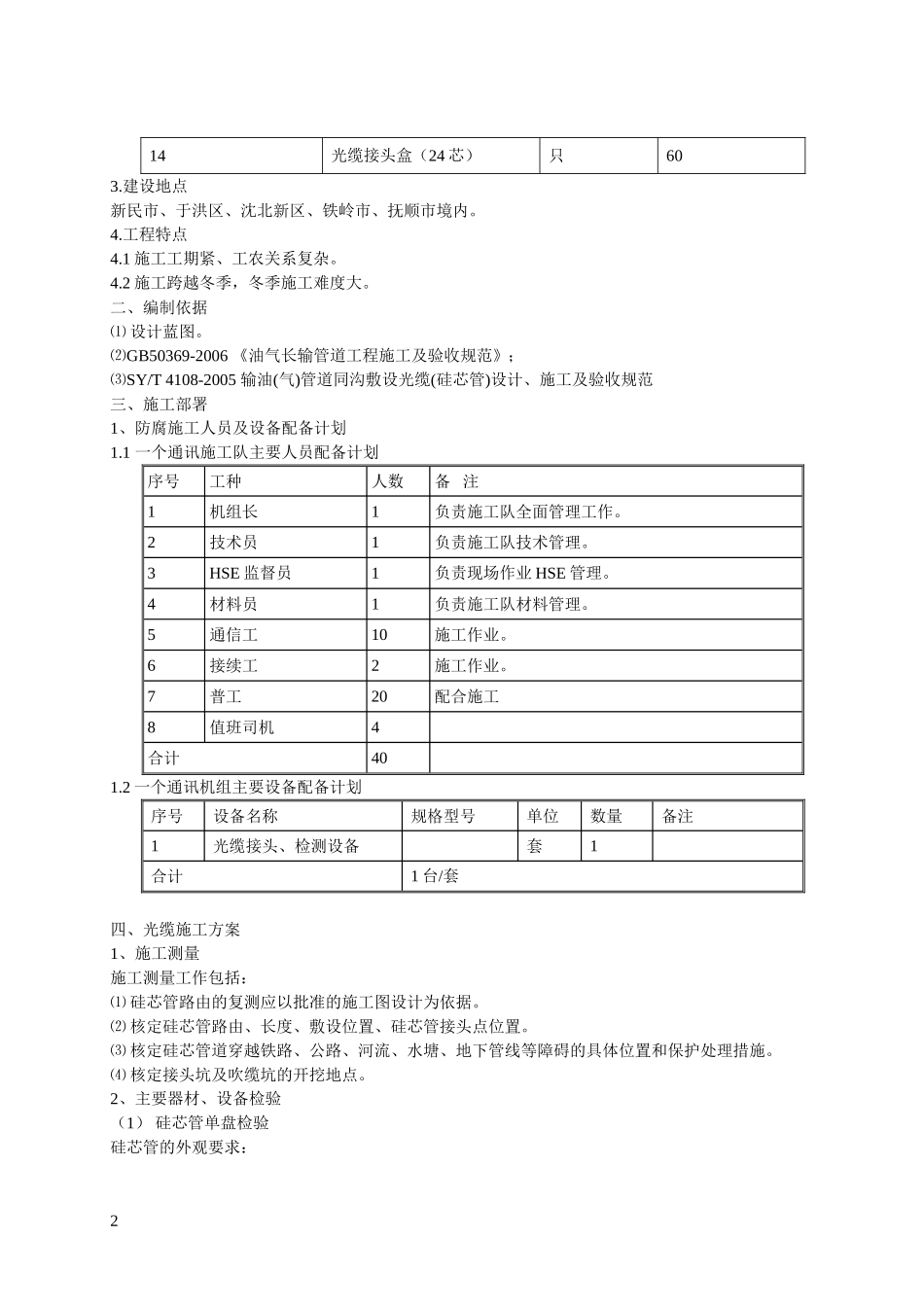
目录一、工程概况1二、编制依据2三、施工部署2四、光缆施工方案3五、光缆气流吹放施工方案9●光缆路由复测10●光缆配盘确认11●气吹点的选择11●光缆单盘检测11●光缆的吹放13●光缆接续15●光缆中继段测试:17六、质量保证措施18七、安全保证措施19八、环境保护措施21一、工程概况1.工程名称XXXXX2.建设规模2.1XXXXX2.2光缆线路穿跨越统计表该段线路穿跨越道路、河流、池塘多处,因与气管线同沟敷设,穿跨越方案均随气管线同,具体数量详见下表:穿越方式穿越长度(m)穿越次数2.3光缆材料一览表:工程项目名称:沈阳-铁岭-抚顺段序号材料名称单位数量1光缆保护标志带KM133.52硅芯管Φ40/33KM1373硅芯管接头套6524硅芯管加长接头套895硅芯管堵头个3006镀锌钢管Φ144*4KM7.47镀锌钢管Φ144*6KM1.58塑料管HDPEΦ75*6.8M6009混凝土盖板块480010普通标石块167311遁形电子标识器只6012普通电子标识器只7313光缆接头保护箱台133114光缆接头盒(24芯)只603.建设地点新民市、于洪区、沈北新区、铁岭市、抚顺市境内。4.工程特点4.1施工工期紧、工农关系复杂。4.2施工跨越冬季,冬季施工难度大。二、编制依据⑴设计蓝图。⑵GB50369-2006《油气长输管道工程施工及验收规范》;⑶SY/T4108-2005输油(气)管道同沟敷设光缆(硅芯管)设计、施工及验收规范三、施工部署1、防腐施工人员及设备配备计划1.1一个通讯施工队主要人员配备计划序号工种人数备注1机组长1负责施工队全面管理工作。2技术员1负责施工队技术管理。3HSE监督员1负责现场作业HSE管理。4材料员1负责施工队材料管理。5通信工10施工作业。6接续工2施工作业。7普工20配合施工8值班司机4合计401.2一个通讯机组主要设备配备计划序号设备名称规格型号单位数量备注1光缆接头、检测设备套1合计1台/套四、光缆施工方案1、施工测量施工测量工作包括:⑴硅芯管路由的复测应以批准的施工图设计为依据。⑵核定硅芯管路由、长度、敷设位置、硅芯管接头点位置。⑶核定硅芯管道穿越铁路、公路、河流、水塘、地下管线等障碍的具体位置和保护处理措施。⑷核定接头坑及吹缆坑的开挖地点。2、主要器材、设备检验(1)硅芯管单盘检验硅芯管的外观要求:2a、均匀,无缺陷,无刮痕b、内壁应光滑平整,不得有气泡、裂口及显著的凹痕、杂质等。c、端面应与轴向垂直。硅芯管的气闭性能:选取一盘硅芯管,管内充气0.1Mpa,24h后压力降低应不大于0.01Mpa。(2)硅芯管接头件及其他器材的检验:硅芯管接头件主要技术性能应符合以下要求:a、接头连接力:≥4300Nb、气密闭性能:≥1.6Mpac、橡胶密封圈应耐磨、耐老化、耐腐蚀、耐环境应力开裂。d、硅芯管接头件应能重复开启使用,便于拆装和操作。硅芯管与接头件、硅芯管与膨胀塞间的连接密封性能按以下方式进行检验:a、硅芯管与接头件间的连接密封性能剪取两段长300±5m硅芯管,按使用要求连接到相应的接头件上,在常温20℃、硅芯管内充气0.1Mpa,24h后压力降低应不大于0.01Mpa。b、硅芯管与端头护缆膨胀塞间的连接密封性能剪取长约1m硅芯管并垂直放置,硅芯管底端安装端头护缆膨胀塞,由硅芯管上面开口端加满自来水,静置保持1h,护缆膨胀塞在硅芯管下端口处无渗漏为合格。3、硅芯管施工技术要求(1)埋深要求:按设计图纸施工:a、硅芯管埋深与输气管道管底标高一致,光缆与管道同沟敷设,位于管道介质前进流向的右侧,管沟设计深度为公路和城建管理部门要求的深度。b石质、半石质地段应在沟底和光缆上方各铺100mm厚的细土或沙土。此时可将沟深视为光缆的埋深。c光缆与已有地下管线和建筑物之间的净距光缆与已有地下管线和建筑物之间的最小净距应符合下表要求。名称光缆硅芯管平行时交越时平行时交越时其它通信管道0.750.250.50.15非同沟的直埋通信光、电缆0.50.250.750.25埋式电力电缆35千伏以下0.50.50.50.535千伏以上2.02.0给水管管径小于30厘米0.50.50.50.15管径30~50厘米1.01.0管径大于50厘米1.51.5热力管1.00.51.00.25排水管1.00.51.00.15燃气管压力小于300kpa1.00.51.00.33压力300kpa~800kpa2.02.0排水沟0.80.50.80.5房屋建筑红线(或基础)1.0—1.5—树木市内及村镇大树、果树、穿越路旁行树0.75-0.75-...

1、当您付费下载文档后,您只拥有了使用权限,并不意味着购买了版权,文档只能用于自身使用,不得用于其他商业用途(如 [转卖]进行直接盈利或[编辑后售卖]进行间接盈利)。
2、本站所有内容均由合作方或网友上传,本站不对文档的完整性、权威性及其观点立场正确性做任何保证或承诺!文档内容仅供研究参考,付费前请自行鉴别。
3、如文档内容存在违规,或者侵犯商业秘密、侵犯著作权等,请点击“违规举报”。

碎片内容

通信光缆施工方案

确认删除?
VIP
微信客服
  • 扫码咨询
会员Q群
  • 会员专属群点击这里加入QQ群
客服邮箱
回到顶部