电脑桌面
添加小米粒文库到电脑桌面
安装后可以在桌面快捷访问

钢结构加工施工误差标准VIP免费

钢结构加工施工误差标准_第1页
1/9
钢结构加工施工误差标准_第2页
2/9
钢结构加工施工误差标准_第3页
3/9
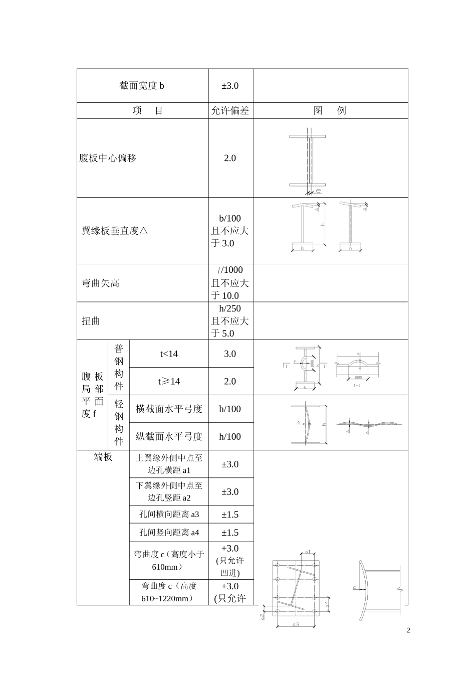
钢结构加工及施工误差标准一、构件连接处螺栓孔加工误差值标准C级螺栓孔的允许偏差(mm)项目允许偏差检测方法直径+1.00.0用游标卡尺或孔径量规检查圆度2.0垂直度0.03t且不大于2.0螺栓孔孔距的允许偏差(mm)螺栓孔孔距范围<500501~12001201~3000>3000同一组内任意两孔间距离±1.0±1.5相邻两组的端孔间距离±1.5±2.0±2.5±3.0注:1、在节点中连接板与一根杆件相连的所有螺栓孔为一组;2、对接接头在拼接板一侧的螺栓孔为一组;3、在两相邻节点或接头间的螺栓孔为一组,但不包括上述两款所规定的螺栓孔;4、受弯构件翼缘上的连接螺栓孔,每米长度范围内的螺栓孔为一组。检测方法:用钢尺检查二、焊接型钢误差值标准焊接H型钢的允许偏差(mm)项目允许偏差图例截面高度hh<500±2.05001000±4.01截面宽度b±3.0项目允许偏差图例腹板中心偏移2.0翼缘板垂直度△b/100且不应大于3.0弯曲矢高/1000且不应大于10.0扭曲h/250且不应大于5.0腹板局部平面度f普钢构件t<143.0t≥142.0轻钢构件横截面水平弓度h/100纵截面水平弓度h/100端板上翼缘外侧中点至边孔横距a1±3.0下翼缘外侧中点至边孔竖距a2±3.0孔间横向距离a3±1.5孔间竖向距离a4±1.5弯曲度c(高度小于610mm)+3.0(只允许凹进)弯曲度c(高度610~1220mm)+3.0(只允许2凹进)弯曲度c(高度大于1220mm)+3.0(只允许凹进)焊接连接制作组装的允许偏差(mm)项目允许偏差图例对口错边(△)t/10且不大于3.0间隙a±1.0搭接长度a±5.0缝隙△1.5高度±2.0垂直度△b/100且不大于4.03中心偏移e±2.0型钢错位连接处1.0其它处2.0箱形截面高度h±2.0宽度b±2.0垂直度△b/200且不大于3.0三、钢构件的外形尺寸单层钢柱的外形尺寸允许偏差(mm)项目允许偏差图例柱身扭曲牛腿处3.0其他处8.0柱截面几何尺寸连接处±3.0非连接处±4.0翼缘对腹板的垂直度连接处1.5其他处b/100且不大于5.0柱脚底板平面度5.04柱脚螺栓孔中心对柱轴线的距离3.0焊接实腹钢梁外形尺寸允许偏差(mm)项目允许偏差图例梁长度L端部有凸缘支座板0-5.0其他形式±L/2500±10.0端部高度hh≤2000±2.0h>2000±3.0拱度设计要求起拱±L/5000设计未要求起拱10.0-5.0侧弯矢高L/2000,且不应大于10.0扭曲h/250,且不应大于10.05腹板局部平面度t≤145.0t>144.0项目允许偏差图例翼缘对腹板的垂直度b/100且不大于3.0吊车梁上翼缘与轨道接触面的平面度1.0箱型截面对角线差5.0箱型截面两腹板至翼缘板中心线的距离a连接处1.0其他处1.56梁端板的平面度(只允许凹进)h/500且不大于2.0梁端板与腹板的垂直度h/500且不大于2.0钢管外形尺寸允许偏差(mm)项目允许偏差图例直径d±d/500±5.0构件长度L±3.0管口圆度d/500,且不应大于5.0管面对管轴的垂直度d/500,且不应大于3.0弯曲矢高L/1000,且不应大于5.0对口错边t/10,且不应大于3.0四、安装误差值标准7支承面、地脚螺栓(锚栓)的允许偏差(mm)项目允许偏差支承面标高±3.0水平度L/1000地脚螺栓(锚栓)螺栓中心偏移3.0螺栓露出长度+20.00.0螺纹长度+20.00.0预留孔中心偏移10.0钢柱安装的允许偏差(mm)项目允许偏差图例柱脚底座中心线对定位轴线的偏移3.0柱基准点标高有吊车梁的柱+3.0-5.0无吊车梁的柱+5.0-8.0挠曲矢高H/100010.08柱轴线垂直度单层柱H<10m10.0H>10mH/100020.0多节柱底层柱10.0柱全高25.0柱顶标高±10桁架、梁及受压杆件垂直度和侧向弯曲矢高的允许偏差(mm)项目允许偏差图例跨中的垂直度H/250,且不能大于15.0侧向弯曲矢高fL≤30mL/1000,且不能大于10.030m<L≤60mL/1000,且不能大于30.0L>60mL/1000,且不能大于50.09

1、当您付费下载文档后,您只拥有了使用权限,并不意味着购买了版权,文档只能用于自身使用,不得用于其他商业用途(如 [转卖]进行直接盈利或[编辑后售卖]进行间接盈利)。
2、本站所有内容均由合作方或网友上传,本站不对文档的完整性、权威性及其观点立场正确性做任何保证或承诺!文档内容仅供研究参考,付费前请自行鉴别。
3、如文档内容存在违规,或者侵犯商业秘密、侵犯著作权等,请点击“违规举报”。

碎片内容

钢结构加工施工误差标准

确认删除?
VIP
微信客服
  • 扫码咨询
会员Q群
  • 会员专属群点击这里加入QQ群
客服邮箱
回到顶部