电脑桌面
添加小米粒文库到电脑桌面
安装后可以在桌面快捷访问

仓库管理程序文件VIP免费

仓库管理程序文件_第1页
1/7
仓库管理程序文件_第2页
2/7
仓库管理程序文件_第3页
3/7
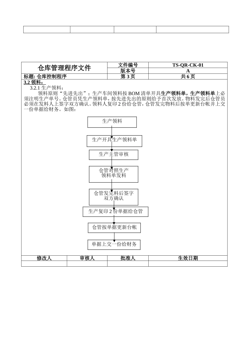
仓库管理程序文件文件编号TS-QR-CK-01版本号A标题:仓库控制程序第1页共6页1.0.范围:适用于全公司全体员工。2.0.目的:为了使仓库管理更完善规范化,为了能使成本核算更准确,物料能得到更好的控制与管理,特作出此管理流程。3.0.管理流程:3.1入库:3.1.1采购入库供应商来料,采购填写采购入库单交于仓管,仓管凭采购入库单收货。仓管必须拿采购入库单、供应商的送货单与货物相对照清点是否单物相符。仓管再打印三联送检报告单提交给品质检验,品质检验合格后由品检、仓库及采购签字后可办理入库。办完入库手续后仓管将送检报告、供应商送货单和采购入库单交由采购,便于采购月底跟供应商对账、财务请款及成本核算。如图:修改人审核人批准人生效日期收货更新库存帐验货办理入库单据上交采购供应商来料采购填写采购入库单购仓管打印送检报告单品质检验合格后按保管条件存放各相关人签字确认仓库管理程序文件文件编号TS-QR-CK-01版本号A标题:仓库控制程序第2页共6页3.1.2产成品入库(对于小批量订单自家组装)生产车间完成成品生产,由生产管理开具产成品入库单,交由质检检验合格后进仓,仓管清点清楚。发货由业务发出发货通知单,仓管开具成品出仓单以及经手人签字后装车发货。最后入台帐。如图:修改人审核人批准人生效日期组装、包装完成更新库存帐单据交财务品质检验合格生产管理填写产成品入库单办理入库仓管清点核对数量各相关人签字确认仓库管理程序文件文件编号TS-QR-CK-01版本号A标题:仓库控制程序第3页共6页3.2领料:3.2.1生产领料:领料原则“先进先出”;生产车间领料按BOM清单开具生产领料单,生产领料单上必须注明生产单号。仓管员凭生产领料单,按先进先出的原则给予首次发放。物料发完后仓管员必须在发料人上签字双方确认。领料人复印2份给仓管,仓管发完物料后按单更新台帐并上交一份单据给财务。如图:修改人审核人批准人生效日期生产领料生产开具生产领料单仓管对照生产领料单发料仓管发完料后签字双方确认生产复印2份单据给仓管生产主管审核仓管按单据更新台帐单据上交一份给财务仓库管理程序文件文件编号TS-QR-CK-01版本号A标题:仓库控制程序第4页共6页3.2.2其他领料:领料原则“先进先出”;其他部门领料由仓管按照领料部门的需求开具三联领料单。领料单上必须注明用途。销售发货由仓管按照销售需求开具五联销售送货单。仓管员凭领料单或销售送货单,按先进先出的原则给予发放。物料发完后双方必须在单据上签字确认。仓管发完物料后按单据更新台帐并上交一份单据给财务。如图:修改人审核人批准人生效日期其他部门领料仓管按领料部门需求开具领料单或销售送货单仓管对照单据发料仓管发完料后双方签字确认部门主管审核仓管按单据更新台帐单据上交一份给财务仓库管理程序文件文件编号TS-QR-CK-01版本号A标题:仓库控制程序第6页共6页3.4.仓库管理:3.4.1仓库现场管理以5S为标准(整理、整顿、清扫、清除、素养)。对仓库进行定时盘点清理,物料摆放按分类仓库管理程序文件文件编号TS-QR-CK-01版本号A标题:仓库控制程序第5页共6页3.3退料:退料部门开具三联退料单,由部门领导签字后,交给品质检验,品质判定是作为二次销售还是作为不良品。然后交给总经理审核,最后由仓管依单据处理,仓管签字确认。修改人审核人批准人生效日期退料部门开具退料单部门领导审核批准总经理审核仓管入库更新台帐仓管签字品质检验仓管保留2份单据单据上交一份给财务进行,务必做到相对集中(如。螺丝类可摆放于一排货架上)。3.4.2异常情况处理发外加工,属仓库对半成品管理,由发外加工负责人(现暂由仓库负主要责任)按领料手续办理出仓。进仓按供应商送货手续办理进仓。仓管员登入台帐。自造常规半成品,属仓库对半成品管理,按生产领料手续办理出仓,进仓按供应商送货手续办理进。仓管员登入台帐。物料差数情况处理。在生产单的物料清单准确无误的情况下,生产车间仍然缺料短料的情况,公司本着签名就要负责任的原则,对当事情况作出处理。经查实是生产车间自行出现的差数、缺料由生产车间按生产领料手续补领,最后交由总经理悉知并按公司相关制度作出相应处理或处罚。拒...

1、当您付费下载文档后,您只拥有了使用权限,并不意味着购买了版权,文档只能用于自身使用,不得用于其他商业用途(如 [转卖]进行直接盈利或[编辑后售卖]进行间接盈利)。
2、本站所有内容均由合作方或网友上传,本站不对文档的完整性、权威性及其观点立场正确性做任何保证或承诺!文档内容仅供研究参考,付费前请自行鉴别。
3、如文档内容存在违规,或者侵犯商业秘密、侵犯著作权等,请点击“违规举报”。

碎片内容

仓库管理程序文件

状元书阁+ 关注
实名认证
内容提供者

爱好英语教学和互联网行业,热爱教育事业,兢兢业业

确认删除?
VIP
微信客服
  • 扫码咨询
会员Q群
  • 会员专属群点击这里加入QQ群
客服邮箱
回到顶部