电脑桌面
添加小米粒文库到电脑桌面
安装后可以在桌面快捷访问

新表_钢结构检验批VIP免费

新表_钢结构检验批_第1页
1/102
新表_钢结构检验批_第2页
2/102
新表_钢结构检验批_第3页
3/102
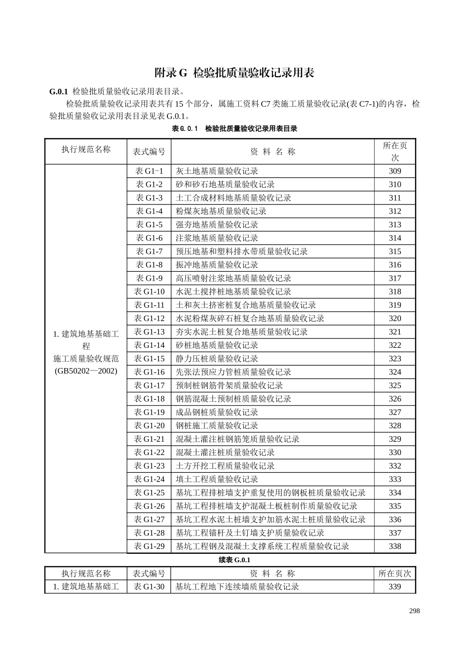
附录G检验批质量验收记录用表G.0.1检验批质量验收记录用表目录。检验批质量验收记录用表共有15个部分,属施工资料C7类施工质量验收记录(表C7-1)的内容,检验批质量验收记录用表目录见表G.0.1。表G.0.1检验批质量验收记录用表目录执行规范名称表式编号资料名称所在页次1.建筑地基基础工程施工质量验收规范(GB50202—2002)表G1-1灰土地基质量验收记录309表G1-2砂和砂石地基质量验收记录310表G1-3土工合成材料地基质量验收记录311表G1-4粉煤灰地基质量验收记录312表G1-5强夯地基质量验收记录313表G1-6注浆地基质量验收记录314表G1-7预压地基和塑料排水带质量验收记录315表G1-8振冲地基质量验收记录316表G1-9高压喷射注浆地基质量验收记录317表G1-10水泥土搅拌桩地基质量验收记录318表G1-11土和灰土挤密桩复合地基质量验收记录319表G1-12水泥粉煤灰碎石桩复合地基质量验收记录320表G1-13夯实水泥土桩复合地基质量验收记录321表G1-14砂桩地基质量验收记录322表G1-15静力压桩质量验收记录323表G1-16先张法预应力管桩质量验收记录324表G1-17预制桩钢筋骨架质量验收记录325表G1-18钢筋混凝土预制桩质量验收记录326表G1-19成品钢桩质量验收记录327表G1-20钢桩施工质量验收记录328表G1-21混凝土灌注桩钢筋笼质量验收记录329表G1-22混凝土灌注桩质量验收记录330表G1-23土方开挖工程质量验收记录332表G1-24填土工程质量验收记录333表G1-25基坑工程排桩墙支护重复使用的钢板桩质量验收记录334表G1-26基坑工程排桩墙支护混凝土板桩制作质量验收记录335表G1-27基坑工程水泥土桩墙支护加筋水泥土桩质量验收记录336表G1-28基坑工程锚杆及土钉墙支护质量验收记录337表G1-29基坑工程钢及混凝土支撑系统工程质量验收记录338续表G.0.1执行规范名称表式编号资料名称所在页次1.建筑地基基础工表G1-30基坑工程地下连续墙质量验收记录339298程施工质量验收规范(GB50202—2002)表G1-31基坑工程沉井(箱)质量验收记录340表G1-32基坑工程降水与排水施工质量验收记录3412.砌体结构工程施工质量验收规范(GB50203—2011)表G2-1砖砌体工程检验批质量验收记录342表G2-2混凝土小型空心砌块砌体工程检验批质量验收记录343表G2-3石砌体工程检验批质量验收记录344表G2-4配筋砌体工程检验批质量验收记录345表G2-5填充墙砌体工程检验批质量验收记录3463.混凝土结构工程施工质量验收规范(GB50204—2002,2011年版)表G3-1现浇结构模板安装检验批质量验收记录347表G3-2预制构件模板安装工程检验批质量验收记录348表G3-3模板拆除检验批质量验收记录349表G3-4钢筋原材料检验批质量验收记录350表G3-5钢筋加工检验批质量验收记录351表G3-6钢筋连接检验批质量验收记录352表G3-7钢筋安装检验批质量验收记录353表G3-8预应力工程原材料检验批质量验收记录354表G3-9预应力筋的制作与安装检验批质量验收记录355表G3-10预应力筋张拉和放张检验批质量验收记录356表G3-11预应力灌浆及封锚检验批质量验收记录357表G3-12混凝土原材料检验批质量验收记录358表G3-13混凝土配合比设计检验批质量验收记录359表G3-14混凝土施工检验批质量验收记录360表G3-15现浇结构外观质量与尺寸允许偏差检验批质量验收记录361表G3-16混凝土设备基础尺寸允许偏差检验批质量验收记录362表G3-17装配式结构预制构件检验批质量验收记录363表G3-18装配式结构施工检验批质量验收记录3644.钢结构工程施工质量验收规范(GB50205—2001)表G4-1钢材、钢铸件质量验收记录365表G4-2焊接材料质量验收记录366表G4-3连接用紧固标准件质量验收记录367表G4-4焊接球及加工质量验收记录368表G4-5螺栓球及加工检验批质量验收记录369表G4-6封板、锥头和套筒检验批质量验收记录370表G4-7金属压型板制作检验批质量验收记录371表G4-8钢结构(压型金属板安装)检验批质量验收记录372表G4-9钢结构防腐涂料涂装检验批质量验收记录373续表G.0.1执行规范名称表式编号资料名称所在页次4.钢结构工程施工质量验收规范表G4-10其他材料检验批质量验收记录374表G4-11钢构件焊接检验批质量验收记录375299(GB50205—2001)表G4-12钢结构焊钉(栓钉)焊接检验批质量验收记录377表G4-13普通紧固件连接检验批质...

1、当您付费下载文档后,您只拥有了使用权限,并不意味着购买了版权,文档只能用于自身使用,不得用于其他商业用途(如 [转卖]进行直接盈利或[编辑后售卖]进行间接盈利)。
2、本站所有内容均由合作方或网友上传,本站不对文档的完整性、权威性及其观点立场正确性做任何保证或承诺!文档内容仅供研究参考,付费前请自行鉴别。
3、如文档内容存在违规,或者侵犯商业秘密、侵犯著作权等,请点击“违规举报”。

碎片内容

新表_钢结构检验批

确认删除?
VIP
微信客服
  • 扫码咨询
会员Q群
  • 会员专属群点击这里加入QQ群
客服邮箱
回到顶部