电脑桌面
添加小米粒文库到电脑桌面
安装后可以在桌面快捷访问

钢筋工程检验批质量验收记录VIP专享VIP免费

钢筋工程检验批质量验收记录_第1页
1/2
钢筋工程检验批质量验收记录_第2页
2/2
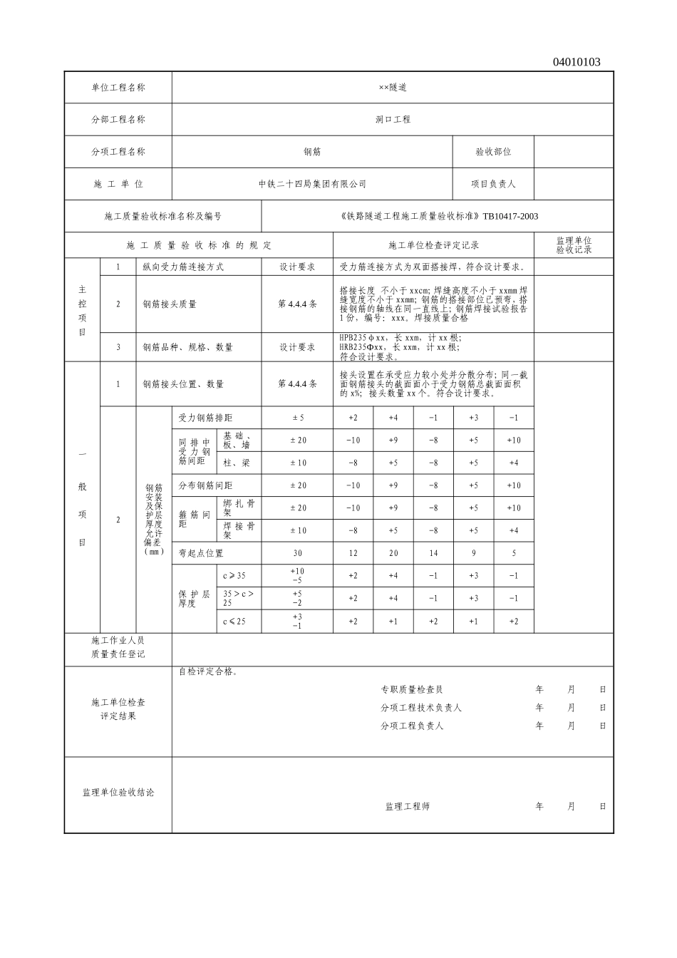
钢筋(原材料及加工)检验批质量验收记录表(Ⅰ)04010103单位工程名称××隧道分部工程名称洞口工程分项工程名称钢筋验收部位施工单位中铁二十四局集团有限公司项目负责人阚洪明施工质量验收标准名称及编号《铁路隧道工程施工质量验收标准》TB10417-2003施工质量验收标准规定施工单位检验评定记录监理单位验收记录主控项目1钢筋材质第4.4.1条Ф××钢筋,合格证1份,编号××××,试验报告一份,编号为:××××。质量合格2钢筋弯钩、弯起180°弯钩第4.4.5条尺量检查××处,Ф××钢筋弯钩弯曲直径大于××cm,钩端直线段长度大于××cm,符合验标要求。直角形弯钩第4.4.5条尺量检查××处,Ф××钢筋弯钩弯曲直径大于××cm,钩端直线段长度大于××cm,符合验标要求。弯起钢筋第4.4.5条Ф××弯起钢筋弯成平滑的曲线,尺量检查××处,弯曲直径大于××cm,符合验标要求。箍筋弯钩第4.4.5条Ф××箍筋末端有××°弯钩,弯钩弯曲直径大于××cm,钩端直线段长度大于××cm,符合验标要求。1钢筋外观质量第4.4.9条钢筋平直、无损伤,表面无裂纹、油污、颗粒状或片状老锈,符合验标要求2加工允许偏差(mm)受力钢筋全长±10尺量检查Ф××钢筋××处,长度偏差小于××mm;尺量检查Ф××钢筋××处,长度偏差小于××mm;符合验标要求。弯起筋弯折位置20尺量检查Ф××弯起筋××处,长度偏差小于××mm。符合验标要求。箍筋内净尺寸±5尺量检查Ф××箍筋××处,箍筋内净尺寸偏差小于××mm。符合验标要求。施工作业人员责任登记施工单位检查评定结果自检评定合格。职质量检查员年月日分项工程技术负责人年月日分项工程负责人年月日监理单位验收结论监理工程师年月日钢筋(连接及安装)工程检验批质量验收记录表(Ⅱ)04010103单位工程名称××隧道分部工程名称洞口工程分项工程名称钢筋验收部位施工单位中铁二十四局集团有限公司项目负责人施工质量验收标准名称及编号《铁路隧道工程施工质量验收标准》TB10417-2003施工质量验收标准的规定施工单位检查评定记录监理单位验收记录主控项目1纵向受力筋连接方式设计要求受力筋连接方式为双面搭接焊,符合设计要求。2钢筋接头质量第4.4.4条搭接长度不小于xxcm;焊缝高度不小于xxmm焊缝宽度不小于xxmm;钢筋的搭接部位已预弯,搭接钢筋的轴线在同一直线上;钢筋焊接试验报告1份,编号:xxx。焊接质量合格3钢筋品种、规格、数量设计要求HPB235φxx,长xxm,计xx根;HRB235Фxx,长xxm,计xx根;符合设计要求。一般项目1钢筋接头位置、数量第4.4.4条接头设置在承受应力较小处并分散分布;同一截面钢筋接头的截面面小于受力钢筋总截面面积的x%;接头数量xx个。符合设计要求。2钢筋安装及保护层厚度允许偏差(mm)受力钢筋排距±5+2+4-1+3-1同排中受力钢筋间距基础、板、墙±20-10+9-8+5+10柱、梁±10-8+5-8+5+4分布钢筋间距±20-10+9-8+5+10箍筋间距绑扎骨架±20-10+9-8+5+10焊接骨架±10-8+5-8+5+4弯起点位置3012201495保护层厚度c≥35+10-5+2+4-1+3-135>c>25+5-2+2+4-1+3-1c≤25+3-1+2+1+2+1+2施工作业人员质量责任登记施工单位检查评定结果自检评定合格。专职质量检查员年月日分项工程技术负责人年月日分项工程负责人年月日监理单位验收结论监理工程师年月日

1、当您付费下载文档后,您只拥有了使用权限,并不意味着购买了版权,文档只能用于自身使用,不得用于其他商业用途(如 [转卖]进行直接盈利或[编辑后售卖]进行间接盈利)。
2、本站所有内容均由合作方或网友上传,本站不对文档的完整性、权威性及其观点立场正确性做任何保证或承诺!文档内容仅供研究参考,付费前请自行鉴别。
3、如文档内容存在违规,或者侵犯商业秘密、侵犯著作权等,请点击“违规举报”。

碎片内容

钢筋工程检验批质量验收记录

确认删除?
VIP
微信客服
  • 扫码咨询
会员Q群
  • 会员专属群点击这里加入QQ群
客服邮箱
回到顶部