电脑桌面
添加小米粒文库到电脑桌面
安装后可以在桌面快捷访问

装饰装修工程质量通病防治措施VIP免费

装饰装修工程质量通病防治措施_第1页
1/20
装饰装修工程质量通病防治措施_第2页
2/20
装饰装修工程质量通病防治措施_第3页
3/20
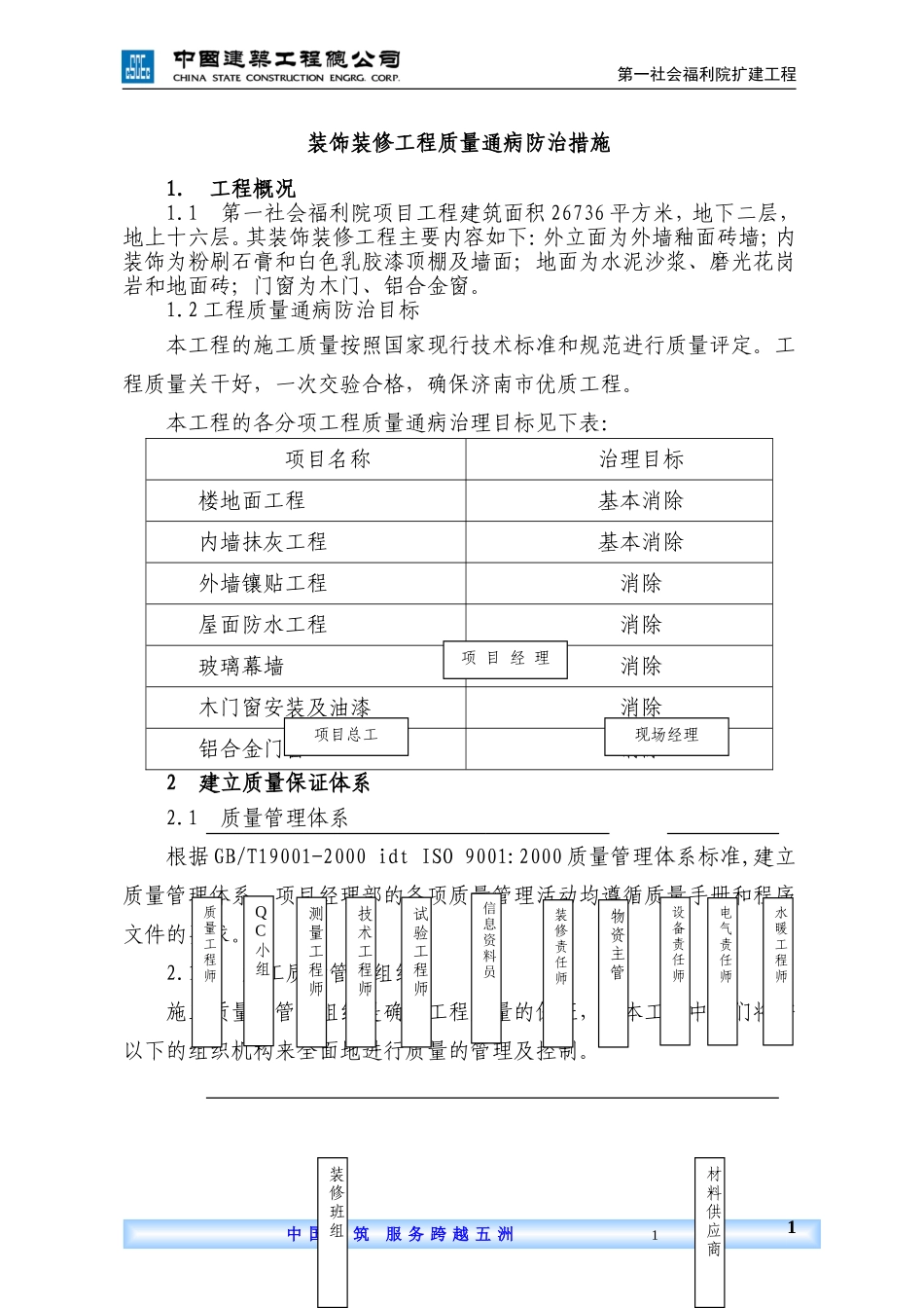
中国建筑服务跨越五洲1第一社会福利院扩建工程装饰装修工程质量通病防治措施1.工程概况1.1第一社会福利院项目工程建筑面积26736平方米,地下二层,地上十六层。其装饰装修工程主要内容如下:外立面为外墙釉面砖墙;内装饰为粉刷石膏和白色乳胶漆顶棚及墙面;地面为水泥沙浆、磨光花岗岩和地面砖;门窗为木门、铝合金窗。1.2工程质量通病防治目标本工程的施工质量按照国家现行技术标准和规范进行质量评定。工程质量关干好,一次交验合格,确保济南市优质工程。本工程的各分项工程质量通病治理目标见下表:项目名称治理目标楼地面工程基本消除内墙抹灰工程基本消除外墙镶贴工程消除屋面防水工程消除玻璃幕墙消除木门窗安装及油漆消除铝合金门窗消除2建立质量保证体系2.1质量管理体系根据GB/T19001-2000idtISO9001:2000质量管理体系标准,建立质量管理体系,项目经理部的各项质量管理活动均遵循质量手册和程序文件的要求。2.1.1施工质量管理组织施工质量的管理组织是确保工程质量的保证,在本工程中我们将按以下的组织机构来全面地进行质量的管理及控制。1项目经理现场经理项目总工质量工程师QC小组测量工程师技术工程师试验工程师信息资料员装修责任师物资主管设备责任师电气责任师水暖工程师装修班组材料供应商中国建筑服务跨越五洲2第一社会福利院扩建工程2.1.2质量管理职责:根据质量管理体系图,建立岗位责任制和质量监2中国建筑服务跨越五洲3第一社会福利院扩建工程督制度,明确分工职责,落实施工质量控制责任,各行其职。项目部管理人员质量职责分配表如下图:项目经理现场经理项目总工商务经理技术工程师质量工程师测量工程师专业工程师信息资料员安全工程师材料工程师文秘作业班组质量职责〇△△△△△△△△△△△△施工组织设计☆△〇△△△△△△△△△△施工技术方案★☆〇△△△△△△△技术交底〇△受控文件管理△△△△△△△△△△△〇△物资采购及验证〇产品标识〇△△△△△过程控制〇△△△△△△△△△△△检验和试验(过程、最终)〇△△△物资检验和试验△〇△不合格品控制△〇△△△△△纠正和预防措施△〇△△△△△物资搬运、贮存△〇△成品、半成品防护〇△△质量记录(资料)△△△△△〇△△△△质量培训〇△△△为业主服务〇△△△△△工程竣工交付〇△△△△△△△△△△△△说明:主管△实施☆审核★审批〇3项目经理部质量检查部门技术部工程部质量保证计划质量保证体系质量保证措施工程质量产品施工过程施工前控制施工中控制施工后控制岗位分配内容中国建筑服务跨越五洲4第一社会福利院扩建工程2.2建立质量通病治理控制体系质量保证体系的正常运作必须以质量控制体系来予以实现,施工质量控制体系是按科学的程序运转,其运转的基本方式是PDCA的循环管理活动,它是通过计划、实施、检查、处理四个阶段把经营和生产过程的质量有机地联系起来,而形成一个高效的体系来保证施工质量达到工程质量的保证。2.3质量通病治理管理措施施工质量控制措施是施工质量控制体系的具体落实,其主要是对施工各阶段及施工中的各控制要素进行质量上的控制,从而达到施工质量目标的要求。2.3.1施工阶段性的质量控制措施施工阶段性的质量控制措施主要分为三个阶段:1、事前控制阶段4中国建筑服务跨越五洲5第一社会福利院扩建工程事前控制是在正式施工活动开始前进行的质量控制,是先导。主要是:建立完善的质量保证体系、质量管理体系,编制《质量保证计划》,制定现场的各种管理制度,完善计量及质量检测技术和手段。对工程项目施工所需的原材料、半成品、构配件进行质量检查和控制,并编制相应的检验计划。进行设计交底,图纸会审等工作,并根据本工程特点确定施工流程、工艺及方法。对本工程将要采用的新技术、新结构、新工艺、新材料均要审核其技术审定书及运用范围。检查现场的测量标桩,建筑物的定位线及高程水准点等。2、事中控制阶段事中控制是指在施工过程中进行的质量控制,是关键。主要有:完善工序质量控制,把影响工序质量的因素都纳入管理范围。及时检查和审核质量统计分析资料和质量控制图表,抓住影响质量的关键问题进行处理和解决。严格工序间交换检查,作好...

1、当您付费下载文档后,您只拥有了使用权限,并不意味着购买了版权,文档只能用于自身使用,不得用于其他商业用途(如 [转卖]进行直接盈利或[编辑后售卖]进行间接盈利)。
2、本站所有内容均由合作方或网友上传,本站不对文档的完整性、权威性及其观点立场正确性做任何保证或承诺!文档内容仅供研究参考,付费前请自行鉴别。
3、如文档内容存在违规,或者侵犯商业秘密、侵犯著作权等,请点击“违规举报”。

碎片内容

装饰装修工程质量通病防治措施

确认删除?
VIP
微信客服
  • 扫码咨询
会员Q群
  • 会员专属群点击这里加入QQ群
客服邮箱
回到顶部