电脑桌面
添加小米粒文库到电脑桌面
安装后可以在桌面快捷访问

隧道工程QC小组成果VIP免费

隧道工程QC小组成果_第1页
1/23
隧道工程QC小组成果_第2页
2/23
隧道工程QC小组成果_第3页
3/23
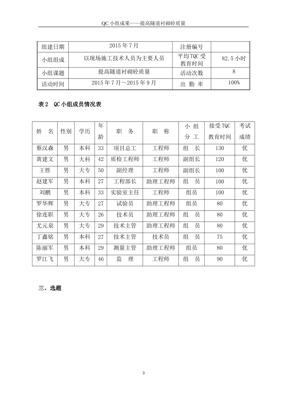
QC小组成果——提高隧道衬砌砼质量加强隧道二衬砼质量控制、力创结构精品中交一公局厦门工程有限公司纵五线A2标双冠山隧道衬砌砼QC小组2015年10月12日1QC小组成果——提高隧道衬砌砼质量提高隧道衬砌砼质量——大田纵五线A2标双冠山隧道衬砌砼QC小组一、工程概况双冠山隧道位于大田县均溪镇良元村,近南北向展布,为双线六车道分离式隧道隧道进出口为小净距隧道(其余为分离式),位于曲线段,为短隧道,洞内不设横通道隧道右洞V级围岩长75m、IV级围岩长10m、III级围岩长150m;左洞V级围岩长58m,IV级围岩长45m,III级围岩长135m。具体设置详见下表。隧道名称起止桩号隧道长度(m)双冠山隧道左线ZK50+047~ZK50+275228m右线YK50+059~YK50+294235m1.2技术标准1.公路等级:二级公路。2.隧道设计速度:60km/h。3.隧道照明计算行车速度:60km/h。4.隧道建筑限界:双冠山隧道建筑限界表项目净宽(m)净高(m)行车道(m)侧向宽度(m)人行道(m)主洞1453.5×30.75+0.751.0+1.05.隧道路面横坡:单向坡。6.隧道内最大纵坡:±3%,最小纵坡:±0.3%。7.设计荷载:公路-I级。8.路面设计标准轴载:BZZ-100。其中Ⅴ级二次衬砌砼设计为C30防水混凝土,Ⅳ、Ⅲ级二衬衬砌砼设计为C25防水混凝土。二、小组简介表1QC小组简介小组名称双冠山隧道衬砌砼QC小组类型现场型2QC小组成果——提高隧道衬砌砼质量组建日期2015年7月注册编号小组组成以现场施工技术人员为主要人员平均TQC受教育时间82.5小时小组课题提高隧道衬砌砼质量活动次数8活动时间2015年7月~2015年9月出勤率100%表2QC小组成员情况表姓名性别学历年龄职务职称小组分工接受TQC教育时间考试成绩蔡汉森男本科33项目总工工程师组长130优黄建文男大科42质检工程师工程师副组长120优王胜男大专50副经理工程师副组长100优赵建军男本科27工程部长助理工程师组员100优刘鹏男本科33实验室主任工程师组员100优罗华辉男大专27试验员助理工程师组员80优徐连职男大专26技术员助理工程师组员80优尤元泉男大专29技术主管助理工程师组员80优丁鑫铭男本科27技术主管技术员组员75优陈丽军男本科29测量主管助理工程师组员80优罗江飞男大专46监理工程师组员90优三、选题3QC小组成果——提高隧道衬砌砼质量3.1双冠山隧道位于大田纵五线一期工程A2标,该隧道是一期唯一一座隧道,业主、监理联合体都常来检查。在业主组织的信誉评价中,我部把该工程作为全标段的形象代表。因此工程影响较大,其施工质量直接影响到局、处声誉。3.2该工程质量要求高,现场监理全天旁站。3.3施工场地狭窄,双冠山隧道进口地形陡峭,临空面较高,施工场地布置难度大,运输道路必须经过当地村庄,既有乡村路狭窄,拓宽维修困难,施工干扰大。3.4双冠山隧道,技术含量较高,工期较紧,多断面开挖,供风、供水、供电、通信、通风、排烟、开挖、支护、运输、衬砌工序多,相互制约,施工管理难度大。基于以上质量、安全、工期、成本等因素,我们QC小组决定以“开展QC活动,确保隧道衬砌砼质量”为课题,开展攻关活动,优质高效地施工,以达到创优目标。四、活动目标及可行性分析4.1质量检验标准根据《公路工程质量检验评定标准》(交通部JTGF80/1-2004)合格:模板、钢筋、混凝土、底板、仰拱、仰拱填充、回填注浆基本符合设计要求,焊接质量应符合有关规定。优良:模板安装稳固牢靠,接缝严密,与砼接触表面干净并涂刷脱模剂。钢筋平直、无损伤,无裂纹、油污、颗粒状及片状锈蚀,品种、级别、规格、数量和连接方式均符合设计要求。混凝土原材料:水泥、粗骨料、细骨料、拌和用水质量和外加剂性能均符合《公路隧道施工技术规范》(交通部JTGF60-2009)、《公路工程质量检验评定标准》(交通部JTGF80/1-2004);混凝土抗压强度、抗渗等级符合设计要求。底板、仰拱、仰拱填充、回填注浆均符合设计要求。4.2活动目标4QC小组成果——提高隧道衬砌砼质量根据质量检验标准,制定活动目标为:施工合格率为100%,优良率95%。施工合格率优良率4.3可行性分析4.3.1自QC小组成立以来,各级组织对贯标工作严抓不懈。在后续工程中,我们也充满信心,按照部颁的质量规范及公司的质量管理要求,能使...

1、当您付费下载文档后,您只拥有了使用权限,并不意味着购买了版权,文档只能用于自身使用,不得用于其他商业用途(如 [转卖]进行直接盈利或[编辑后售卖]进行间接盈利)。
2、本站所有内容均由合作方或网友上传,本站不对文档的完整性、权威性及其观点立场正确性做任何保证或承诺!文档内容仅供研究参考,付费前请自行鉴别。
3、如文档内容存在违规,或者侵犯商业秘密、侵犯著作权等,请点击“违规举报”。

碎片内容

隧道工程QC小组成果

您可能关注的文档

确认删除?
VIP
微信客服
  • 扫码咨询
会员Q群
  • 会员专属群点击这里加入QQ群
客服邮箱
回到顶部