电脑桌面
添加小米粒文库到电脑桌面
安装后可以在桌面快捷访问

工程定位测量复核记录VIP免费

工程定位测量复核记录_第1页
1/4
工程定位测量复核记录_第2页
2/4
工程定位测量复核记录_第3页
3/4
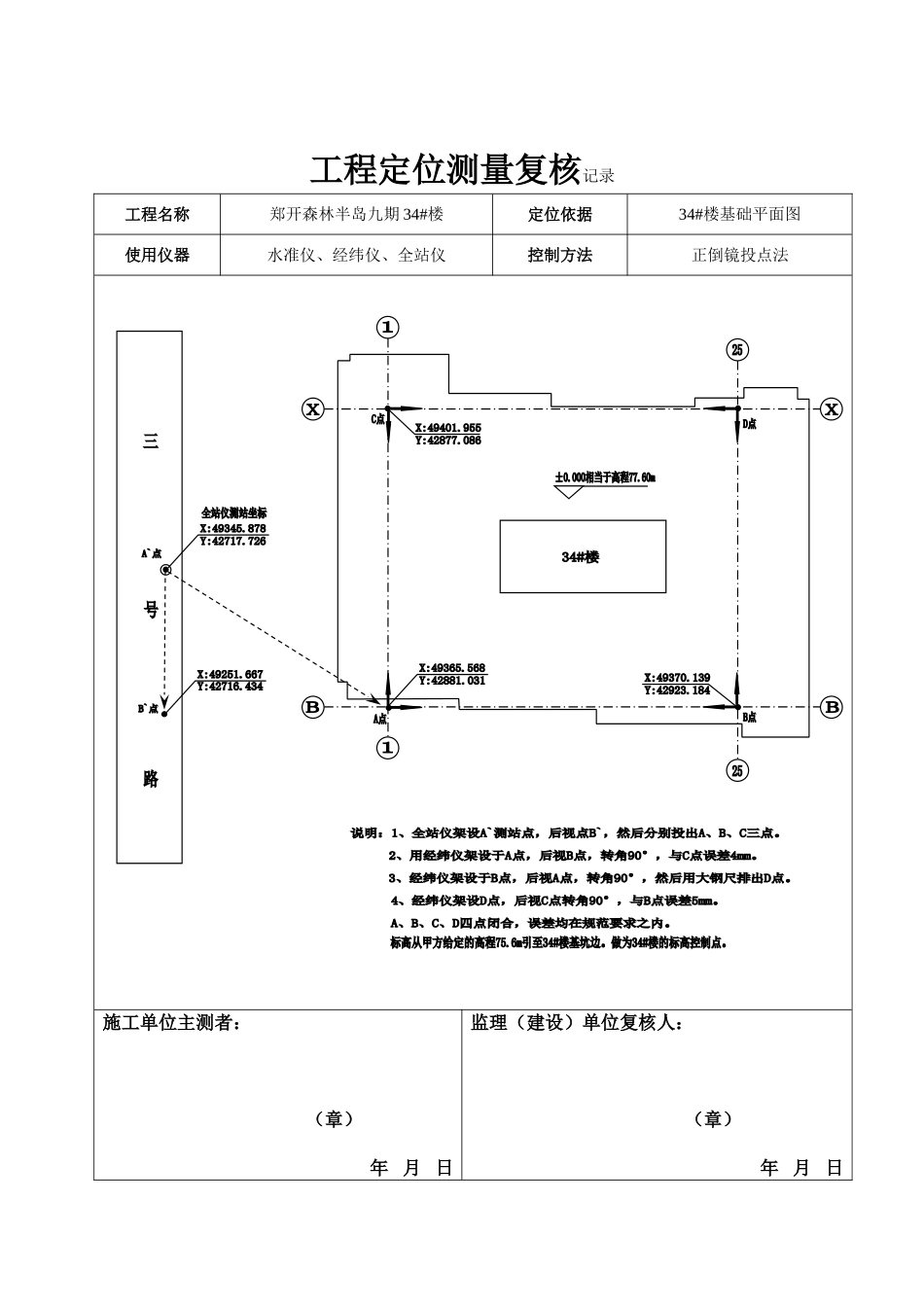
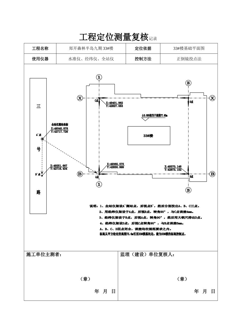
工程定位测量复核记录工程名称郑开森林半岛九期33#楼定位依据33#楼基础平面图使用仪器水准仪、经纬仪、全站仪控制方法正倒镜投点法施工单位主测者:(章)年月日监理(建设)单位复核人:(章)年月日工程定位测量复核记录工程名称郑开森林半岛九期34#楼定位依据34#楼基础平面图使用仪器水准仪、经纬仪、全站仪控制方法正倒镜投点法施工单位主测者:(章)年月日监理(建设)单位复核人:(章)年月日工程定位测量复核记录工程名称郑开森林半岛九期29#楼定位依据29#楼基础平面图使用仪器水准仪、经纬仪、全站仪控制方法正倒镜投点法施工单位主测者:(章)监理(建设)单位复核人:(章)年月日年月日

1、当您付费下载文档后,您只拥有了使用权限,并不意味着购买了版权,文档只能用于自身使用,不得用于其他商业用途(如 [转卖]进行直接盈利或[编辑后售卖]进行间接盈利)。
2、本站所有内容均由合作方或网友上传,本站不对文档的完整性、权威性及其观点立场正确性做任何保证或承诺!文档内容仅供研究参考,付费前请自行鉴别。
3、如文档内容存在违规,或者侵犯商业秘密、侵犯著作权等,请点击“违规举报”。

碎片内容

工程定位测量复核记录

确认删除?
VIP
微信客服
  • 扫码咨询
会员Q群
  • 会员专属群点击这里加入QQ群
客服邮箱
回到顶部