电脑桌面
添加小米粒文库到电脑桌面
安装后可以在桌面快捷访问

主要材料及产品标识VIP免费

主要材料及产品标识_第1页
1/5
主要材料及产品标识_第2页
2/5
主要材料及产品标识_第3页
3/5
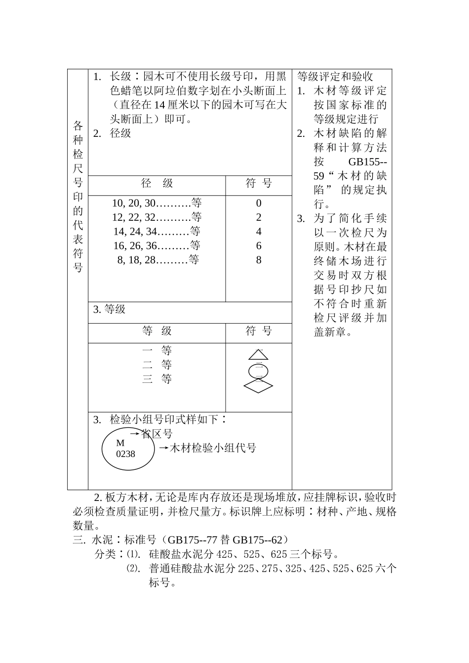
主要材料及产品标识SB/QC--1998建筑材料及产品标识,是施工过程控制的主要环节。通过对材料产品的正确标识,可以达到对施工现场(仓库)材料产品的区分;避免误用,保证工程质量及可实现追溯。为作好此项工作现重申施工过程主要建筑材料、标识的规定。一.常用钢材标识:钢号涂色标记钢号涂色标记普通碳素钢1号钢白+黑素结构钢45-85白+棕2号钢黄15-40Mn白色两条3号钢红45-70Mn绿色三条4号钢黑合金结构钢锰钢黄+蓝5号钢绿硅锰钢红+黑6号钢蓝锰钒钢蓝+绿7号钢红+棕铬钢绿+黄特类钢加涂铝白色一条铬硅钢蓝+红优质碳0.5-15白铬锰钢蓝+黑20-25棕+绿铬锰硅钢红+紫30-40白+蓝铬锰钛钢黄+黑注∶钢材验收入库时,详细核对实物端部、端面上的涂色标记;合格钢印制造厂商标、钢号、炉罐号。如成捆、成盘的条材不打钢印,但每捆上挂有两个标牌,注有“合格”字样,厂名、钢号及炉罐号。二.木材、建筑施工常用的园木、板方材1.园木的检验标识(摘自GB144--58园木“检验规则”)M0238各种检尺号印的代表符号1.长级∶园木可不使用长级号印,用黑色蜡笔以阿垃伯数字划在小头断面上(直径在14厘米以下的园木可写在大头断面上)即可。2.径级等级评定和验收1.木材等级评定按国家标准的等级规定进行2.木材缺陷的解释和计算方法按GB155--59“木材的缺陷”的规定执行。3.为了简化手续以一次检尺为原则。木材在最终储木场进行交易时双方根据号印抄尺如不符合时重新检尺评级并加盖新章。径级符号10,20,30……….等12,22,32……….等14,24,34………等16,26,36………等8,18,28………等024683.等级等级符号一等二等三等一二三3.检验小组号印式样如下∶→省区号→木材检验小组代号2.板方木材,无论是库内存放还是现场堆放,应挂牌标识,验收时必须检查质量证明,并检尺量方。标识牌上应标明∶材种、产地、规格数量。三.水泥∶标准号(GB175--77替GB175--62)分类∶⑴.硅酸盐水泥分425、525、625三个标号。⑵.普通硅酸盐水泥分225、275、325、425、525、625六个标号。⑶.白水泥分325、425号。⑷.矿渣硅酸盐水泥分225、275、325、425、525、五个标号。⑸.快硬高强水泥分325、425两个标号。标识∶水泥袋装重50+1kg,并标明生产厂家、名称、水泥品种、标号、包装年月日和生产批号。散装应存水泥罐,必须挂牌标识,标识牌内容与袋装相同。四.玻璃∶规格为2mm、3mm、5mm,色泽分为白、茶、宝石蓝、绿等。挂牌标识∶玻璃标箱(重量箱)上标有生产厂家、产地、进场日期、规格、数量及防雨符号。五.沥青∶目前分为道路石油沥青、建筑石油沥青、普通石油沥青(高蜡)。建筑施工常用石油沥青为10#,常温下为固体。外形色泽黑色或黑褐色,韧性较好,略带弹性,断面有光泽,附着性、强粘性很强。六.石油沥青油毡∶系用低软化点石油(煤)沥青浸渍厚纸,然后用高软化点石油(煤)沥青涂盖油纸的两面所制成的一种纸胎防水卷材。规格∶根据原纸每平方米重量(200克、300克、500克)分为∶石油沥青油毡为350克。尺寸∶长22M、宽0.915M、面积为20平方米,重量≥28kg。一般在仓库存放,应挂牌标识,标识牌标明生产厂家、厂址、出厂日期、生产批号。七.地方材料∶机制红砖∶常用号100---150号标识应标明规格、数量、生产厂家、等级。机制空心砖、粉煤灰加气块。标识应标明规格、数量、生产厂家、等级,是承重还是非承重。砂∶分为∶粗砂平均粒径小于0.5mm中砂平均粒径小于0.35mm细砂平均粒径小于0.25mm豆砂平均粒径小于2--5mm石∶卵石(元石)和碎石(开口石)。规格∶0.5---1.5mm0.5---2mm2---4mm3---7mm4---8mm10以上是大的规格,内部包括有各种小的规格。以上大棕材料由项目材料员按《施工总平面布置图》挂牌予以标识,注上材料的名称、数量、规格、型号、进场日期、生产厂家等等,每次砂石材料进场及时更换标识。八.对工程所需加工的木门窗、钢门窗、铝合金门窗、钢筋混凝土构件埋件等,除加工单位所进行标识外,经现场材料员验收合格后,进行挂牌标识,标明规格、型号、数量等。九.原材料检验和试验状态标识分类∶1.未检或待检;2.已检合格;3.已检不合格;4.已检待判定。十.现场室外材料标识牌制作标准:(具体做法见下页)

1、当您付费下载文档后,您只拥有了使用权限,并不意味着购买了版权,文档只能用于自身使用,不得用于其他商业用途(如 [转卖]进行直接盈利或[编辑后售卖]进行间接盈利)。
2、本站所有内容均由合作方或网友上传,本站不对文档的完整性、权威性及其观点立场正确性做任何保证或承诺!文档内容仅供研究参考,付费前请自行鉴别。
3、如文档内容存在违规,或者侵犯商业秘密、侵犯著作权等,请点击“违规举报”。

碎片内容

主要材料及产品标识

确认删除?
VIP
微信客服
  • 扫码咨询
会员Q群
  • 会员专属群点击这里加入QQ群
客服邮箱
回到顶部