电脑桌面
添加小米粒文库到电脑桌面
安装后可以在桌面快捷访问

六、车辆伤害事故现场处置方案VIP免费

六、车辆伤害事故现场处置方案_第1页
1/7
六、车辆伤害事故现场处置方案_第2页
2/7
六、车辆伤害事故现场处置方案_第3页
3/7
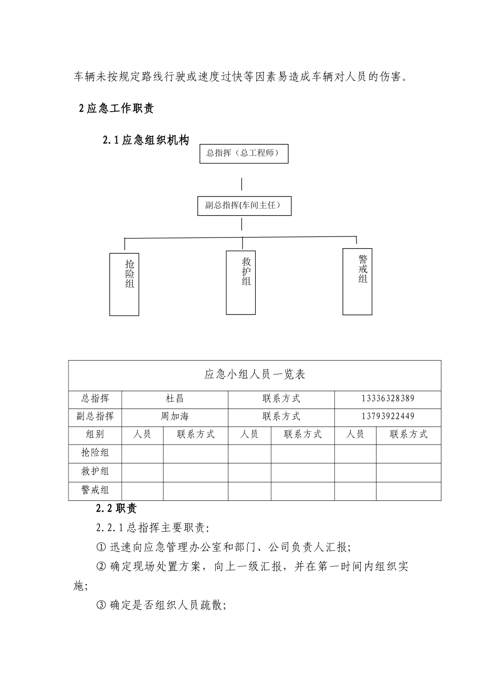
六、车辆伤害事故现场处置方案1、事故风险分析1.1事故类型驾驶人员无证上岗、违章操作、现场人员与车辆管理混乱、车辆超载、人流货流未分开会发生车辆对人员或设备、设施、建筑物的碰撞、压碾、刮伤等。1.2事故可能发生的区域、地点或装置车辆伤害可能发生的区域主要是:装卸区、地磅区等;1.3事故发生的可能时间及危害程度1)事故发生的可能时间车辆入厂装卸货过程中,过磅以及员工上下班途中。2)车辆伤害事故危害程度发生车辆伤害后,可引起人员轻伤、重伤,甚至造成死亡事故。1.4事故前可能出现的征兆厂区内未设置交通标志、警示标志和提示标志,雨雪后路面滑、雾天视野不清或指挥失误,作业人员未注意来往车辆、躲避不及,车辆未按规定路线行驶或速度过快等因素易造成车辆对人员的伤害。2应急工作职责2.1应急组织机构应急小组人员一览表总指挥杜昌联系方式13336328389副总指挥周加海联系方式13793922449组别人员联系方式人员联系方式人员联系方式抢险组救护组警戒组2.2职责2.2.1总指挥主要职责:①迅速向应急管理办公室和部门、公司负责人汇报;②确定现场处置方案,向上一级汇报,并在第一时间内组织实施;③确定是否组织人员疏散;总指挥(总工程师)救护组抢险组警戒组副总指挥(车间主任)④带领并指挥现场作业人员及有关人员进行事故处置。2.2.2副总指挥职责:①协助总指挥做好应急救援处置、汇报、协调工作,组长不在时承担组长的职责组织工作。2.2.3抢险组职责:①接警后迅速奔赴现场,开展抢险救援工作;②迅速抢修设备、管道,防止事故扩大,控制和消除危险源。2.2.4救护组职责:①负责事故现场受伤、中毒人员的救护工作,根据受伤症状,及时采取相应措施进行急救,重伤员及时转院抢救;②当厂区急救力量无法满足需要时,向其他医疗单位申请救援并迅速转移伤者。2.2.5警戒组职责:①设立禁区,加强警戒,封闭厂区路口,维持道路交通秩序,严禁外来人员入厂围观;②负责公众疏散(包括厂内人员和厂外周边人员、车辆),引导消防人员或医护人员进入事故现场。3应急处置3.1现场应急处置程序1)任何人发现事故险情,首先大声呼救报警,并尽量控制,尤其在第一时间内尽力排除险情。如果短时间内无法排除险情,应及时上报值班领导或应急管理办公室。2)应急领导小组接警后,根据现场情况立即启动相应事故现场处置方案,采取有效措施,组织抢救,防止事故扩大,减少人员伤害和财产损失。3)同时上报公司应急指挥中心,应急救援指挥中心根据事态发展趋势,预测并启动相应级别的应急救援预案。4)应急救援指挥中心视情况联系上级主管部门和有关单位(火警119、救护120)进行救援、抢险和处理。5)各应急救援小组成员接到通知后,应立即赶赴事故现场,按照各自的职责开展应急救援工作。3.2现场应急处置措施3.2.1车辆伤害事故应急处置措施1)在第一时间对伤员在现场进行处理急救。经现场处理后,迅速护送至医院救治。送医院时作好伤员的交接,防止危重病人的多次转院。2)需要抢救的伤员,应立即就地坚持正确抢救,直至医疗人员接替救治。3)对失去知觉者宜清除口鼻中的异物、分泌物、呕吐物,随后将伤员置于侧卧位以防止窒息。4)车辆伤害伤员呼吸和心跳均停止时,应立即按心肺复苏法支持生命的三项基本措施,进行就地抢救。3.3应急报警联络方式3.3.1报警电话公司值班电话:0539-7918788医疗急救电话:120火警电话:1193.3.2事故报告包括以下内容:1)事故发生单位、时间、地点;2)事故性质、简要经过以及事故现场处置情况;3)事故已造成的伤害人数和初步估计的直接经济损失;4)已经采取的措施;5)其他应当报告的情况。4注意事项4.1佩戴防护器具的注意事项1)车辆运输的有毒物品发生泄漏时,救援人员应佩戴防毒面具等个人防护器具;2)救援人员在有条件的情况下,应穿反光马甲。4.2使用救援器材的注意事项1)车辆运输的易燃物品发生燃烧时,应选用合适的灭火器材进行灭火。2)尽可能利用现场所能用的器材实施救援,避免事故扩大。4.3采取救援对策或措施的注意事项1)事故发展趋势不明确时严禁人员进入现场;2)救援时应设立警戒区,设置安全警示标志;4.4现场自救互救的注意事项1)...

1、当您付费下载文档后,您只拥有了使用权限,并不意味着购买了版权,文档只能用于自身使用,不得用于其他商业用途(如 [转卖]进行直接盈利或[编辑后售卖]进行间接盈利)。
2、本站所有内容均由合作方或网友上传,本站不对文档的完整性、权威性及其观点立场正确性做任何保证或承诺!文档内容仅供研究参考,付费前请自行鉴别。
3、如文档内容存在违规,或者侵犯商业秘密、侵犯著作权等,请点击“违规举报”。

碎片内容

六、车辆伤害事故现场处置方案

您可能关注的文档

确认删除?
VIP
微信客服
  • 扫码咨询
会员Q群
  • 会员专属群点击这里加入QQ群
客服邮箱
回到顶部