电脑桌面
添加小米粒文库到电脑桌面
安装后可以在桌面快捷访问

人教版高中物理必修二高二上入学试卷xVIP免费

人教版高中物理必修二高二上入学试卷x_第1页
1/13
人教版高中物理必修二高二上入学试卷x_第2页
2/13
人教版高中物理必修二高二上入学试卷x_第3页
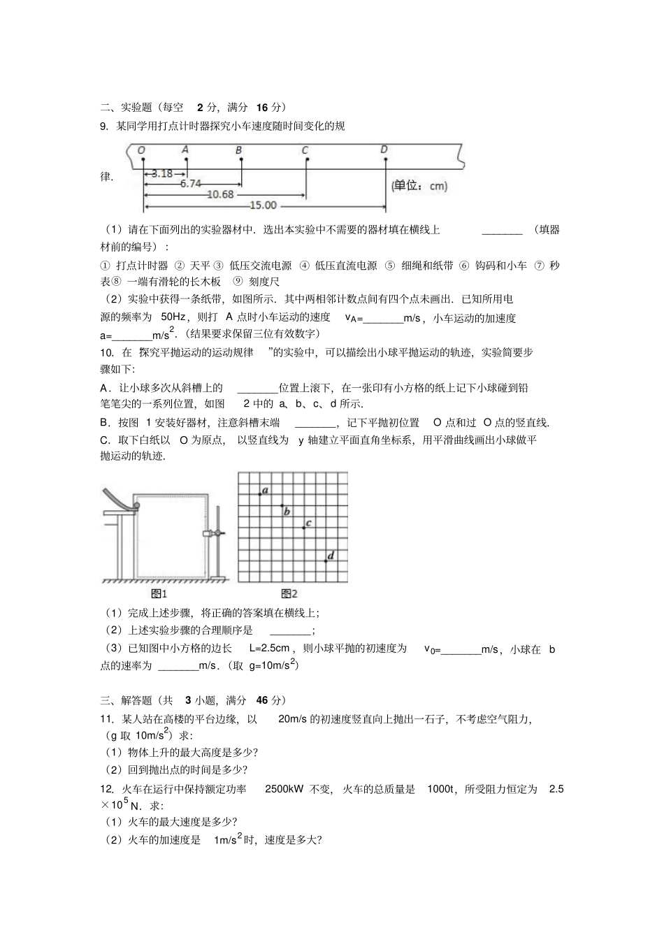
3/13
高中物理学习材料(灿若寒星**整理制作)2016-2017学年河南省新乡市原阳一高高二(上)入学物理试卷一、选择题1.如图所示,下列物体或人可以看成质点的是()A.研究从北京开往天津的一列高速列车的速率B.研究绕月球运动的“嫦娥二号”卫星的运行姿态C.体操运动员在单杠比赛中D.表演精彩芭蕾舞的演员2.在交警处理某次交通事故时,通过监控仪器扫描,输入计算机后得到该汽车在水平面上刹车过程中的位移随时间变化的规律为x=20t﹣2t2(x的单位是m,t的单位是s).则该汽车在路面上留下的刹车痕迹长度为()A.25mB.50mC.100mD.200m3.质量为0.8kg的物块静止在倾角为30°的斜面上,若用平行于斜面沿水平方向大小等于3N的力推物块,物块仍保持静止,如图所示,则物块所受到的摩擦力大小等于()A.5NB.4NC.3ND.4.关于曲线运动,下列说法正确的有()A.做曲线运动的物体速度方向在时刻改变,故曲线运动是变速运动B.做曲线运动的物体,受到的合外力方向在不断改变C.只要物体做圆周运动,它所受的合外力一定指向圆心D.物体只要受到垂直于初速度方向的恒力作用,就一定能做匀速圆周运动5.如图所示,在水平地面上做匀速直线运动的汽车,通过定滑轮用绳子吊起一个物体,若汽车和被吊物体在同一时刻的速度分别为v1和v2,则下面说法正确的是()A.物体做匀速运动,且v2=v1B.物体做加速运动,且v2>v1C.物体做加速运动,且v2<v1D.物体做减速运动,且v2<v16.火星有两颗卫星,分别是火卫一和火卫二,它们的轨道近似为圆,已知火卫一的周期为7小时39分,火卫二的周期为30小时18分,则两颗卫星相比()A.火卫一距火星表面较近B.火卫二的角速度较大C.火卫一的运动速度较大D.火卫二的向心加速度较大7.关于重力势能的说法,正确的是()A.重力势能等于零的物体,不可能对别的物体做功B.在地平面下方的物体,它具有的重力势能一定小于零C.重力势能减少,重力一定对物体做正功D.重力势能增加,重力一定对物体做正功8.质量为m的物体,由静止开始竖直下落,由于阻力作用,下落的加速度为g,在物体下落h的过程中,下列说法中正确的是()A.物体的动能增加了mghB.物体的机械能减少了mghC.物体克服阻力所做的功为mghD.物体的重力势能减少了mgh二、实验题(每空2分,满分16分)9.某同学用打点计时器探究小车速度随时间变化的规律.(1)请在下面列出的实验器材中.选出本实验中不需要的器材填在横线上_______(填器材前的编号):①打点计时器②天平③低压交流电源④低压直流电源⑤细绳和纸带⑥钩码和小车⑦秒表⑧一端有滑轮的长木板⑨刻度尺(2)实验中获得一条纸带,如图所示.其中两相邻计数点间有四个点未画出.已知所用电源的频率为50Hz,则打A点时小车运动的速度vA=_______m/s,小车运动的加速度a=_______m/s2.(结果要求保留三位有效数字)10.在“探究平抛运动的运动规律”的实验中,可以描绘出小球平抛运动的轨迹,实验简要步骤如下:A.让小球多次从斜槽上的_______位置上滚下,在一张印有小方格的纸上记下小球碰到铅笔笔尖的一系列位置,如图2中的a、b、c、d所示.B.按图1安装好器材,注意斜槽末端_______,记下平抛初位置O点和过O点的竖直线.C.取下白纸以O为原点,以竖直线为y轴建立平面直角坐标系,用平滑曲线画出小球做平抛运动的轨迹.(1)完成上述步骤,将正确的答案填在横线上;(2)上述实验步骤的合理顺序是_______;(3)已知图中小方格的边长L=2.5cm,则小球平抛的初速度为v0=_______m/s,小球在b点的速率为_______m/s.(取g=10m/s2)三、解答题(共3小题,满分46分)11.某人站在高楼的平台边缘,以20m/s的初速度竖直向上抛出一石子,不考虑空气阻力,(g取10m/s2)求:(1)物体上升的最大高度是多少?(2)回到抛出点的时间是多少?12.火车在运行中保持额定功率2500kW不变,火车的总质量是1000t,所受阻力恒定为2.5×105N.求:(1)火车的最大速度是多少?(2)火车的加速度是1m/s2时,速度是多大?13.如图所示,竖直平面内的圆弧形光滑轨道半径为R,A端与圆心O等高,AD为水平面,B点在O的正上方,一个小球在A点正上方由静止释放,自...

1、当您付费下载文档后,您只拥有了使用权限,并不意味着购买了版权,文档只能用于自身使用,不得用于其他商业用途(如 [转卖]进行直接盈利或[编辑后售卖]进行间接盈利)。
2、本站所有内容均由合作方或网友上传,本站不对文档的完整性、权威性及其观点立场正确性做任何保证或承诺!文档内容仅供研究参考,付费前请自行鉴别。
3、如文档内容存在违规,或者侵犯商业秘密、侵犯著作权等,请点击“违规举报”。

碎片内容

人教版高中物理必修二高二上入学试卷x

文库当当响+ 关注
实名认证
内容提供者

该用户很懒,什么也没介绍

相关文档

确认删除?
VIP
微信客服
  • 扫码咨询
会员Q群
  • 会员专属群点击这里加入QQ群
客服邮箱
回到顶部