电脑桌面
添加小米粒文库到电脑桌面
安装后可以在桌面快捷访问

人教版高中物理选修1恒定电流电学试验训练题xVIP免费

人教版高中物理选修1恒定电流电学试验训练题x_第1页
1/5
人教版高中物理选修1恒定电流电学试验训练题x_第2页
2/5
人教版高中物理选修1恒定电流电学试验训练题x_第3页
3/5
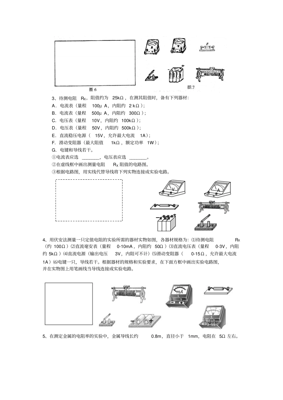
高中物理学习材料(灿若寒星**整理制作)电学实验训练题1、某同学采用如图甲所示的电路测定电源电动势和内电阻。已知干电池的电动势约为1.5V,内阻约为1Ω;电压表(0一3V,约3kΩ)、电流表(0~0.6A,约1.0Ω)、滑动变阻器有R1(10Ω,2A)和R2(100Ω,0.1A)各一只.(1)实验中滑动变阻器应选用(填“R1”或“R2”)。(2)在图乙中用笔画线代替导线连接实验电路。(3)在实验中测得多组电压和电流值,得到如图丙所示的U-I图线,由图可较准确地求出该电源电动势E=V;内阻,rΩ。2、已知一个电阻额定功率为0.5W,用多用电表粗测其阻值约为18Ω,现用伏安法精确测它的阻值,实验器材有:A、电流表(量程0-200mA,内阻约20Ω);B、电流表(量程0-3A,内阻约0.1Ω);C、电压表(量程0-3V,内阻约10kΩ);D、电压表(量程0-15V,内阻约30kΩ);E、滑动变阻器(0-5Ω,额定电流2A);F、输出电压为9V的直流电源。(1)实验中电流表应选用___________;电压表应选用___________。(2)在图6虚线框内画出实验电路图(3)将图7实物用导线连接起来(8分)3、待测电阻RX,阻值约为25kΩ,在测其阻值时,备有下列器材:A.电流表(量程100μA,内阻约2kΩ);B.电流表(量程500μA,内阻约300Ω);C.电压表(量程10V,内阻约100kΩ);D.电压表(量程50V,内阻约500kΩ);E.直流稳压电源(15V,允许最大电流1A);F.滑动变阻器(最大阻值1kΩ,额定功率1W);G.电键和导线若干。①电流表应选_______,电压表应选_______。②在虚线框中画出测量电阻RX阻值的电路图。③根据电路图,用实线代替导线将下列实物连接成实验电路。4、用伏安法测量一只定值电阻的实验所需的器材实物如图,各器材规格为:⑴待测电阻RX(约100Ω)⑵直流毫安表(量程0-10mA,内阻约50Ω)⑶直流电压表(量程0-3V,内阻约5kΩ)⑷直流电源(输出电压3V,内阻可不计)⑸滑动变阻器(0-15Ω,允许最大电流1A)⑹电键一只,导线若干。根据器材的规格和实验要求,在下面方框中画出实验电路图,并在实物图上用笔画线当导线连接成实验电路。5、在测定金属的电阻率的实验中,金属导线长约0.8m,直径小于1mm,电阻在5Ω左右。VA实验主要步骤如下:⑴用____________测量金属导线的长度,测3次,求出平均值L;⑵在金属导线的3个不同位置上用______________测量直径,求出平均值d;⑶用伏安法测量金属导线的电阻R。在左边方框中画出实验电路图,并试把右图中所给的器材连接成测量R的合适的线路。图中安培计要求用0-0.6A量程,内阻约1Ω;伏特计要求用0-3V量程,内阻约几kΩ;电源电动势为6V;滑动变阻器阻值0-20Ω。在闭合电键前,滑动变阻器的滑动触点应处于正确位置。根据以上测量值,得到该金属电阻率的表达式为ρ=__________。6、用伏安法测电阻的实验中,所用电压表的内阻约为20kΩ,电流表的内阻约为10Ω,滑动变阻器的最大阻值为20Ω,选用能够尽量减小系统误差的电路进行实验,所测得的各组数据已用实心点标在了右图的坐标纸上。⑴根据各点表示的数据描出该电阻的伏安特性图线,并由此图线得出该电阻的阻值为RX=______Ω(保留2位有效数字)。⑵在方框中画出实验电路图。⑶将实物连接成实验电路。7、电源的输出功率P跟外电路的电阻R有关。下左图是研究它们的关系的实验电路。为了便于进行实验和保护蓄电池,给蓄电池串联了一个定值电阻R0,把它们一起看作电源(图中虚线框内部分)。电源的内电阻就是蓄电池的内电阻和定值电阻R0之和,用r表示。电源的电动势用E表示。⑴写出电源的输出功率P跟E、r、R的关系式:_____________。(安培表、伏特表看作理想电表)⑵在实物图中按电路图画出连线,组成实验电路。8、在用电流表变阻器安培表伏特表电池电键VAR0E,r和电压表测电池的电动势和内电阻的实验中,所用的电流表和电压表的内阻分别约为0.1Ω和1kΩ。右边为实验原理图,下边为所需器材实物图。试按原理图在实物图中画线连接成实验电路。一位同学记录的6组数据如下,试根据这些数据在下图中画出U-I图线,根据图线读出电池的电动势E=____V,根据图线求出电池的内电阻r=___Ω。9、读出下列读数图1_________mm;图2__...

1、当您付费下载文档后,您只拥有了使用权限,并不意味着购买了版权,文档只能用于自身使用,不得用于其他商业用途(如 [转卖]进行直接盈利或[编辑后售卖]进行间接盈利)。
2、本站所有内容均由合作方或网友上传,本站不对文档的完整性、权威性及其观点立场正确性做任何保证或承诺!文档内容仅供研究参考,付费前请自行鉴别。
3、如文档内容存在违规,或者侵犯商业秘密、侵犯著作权等,请点击“违规举报”。

碎片内容

人教版高中物理选修1恒定电流电学试验训练题x

文库当当响+ 关注
实名认证
内容提供者

该用户很懒,什么也没介绍

确认删除?
VIP
微信客服
  • 扫码咨询
会员Q群
  • 会员专属群点击这里加入QQ群
客服邮箱
回到顶部