电脑桌面
添加小米粒文库到电脑桌面
安装后可以在桌面快捷访问

人教版高中物理选修2电动势和动生电动势同步练习xVIP免费

人教版高中物理选修2电动势和动生电动势同步练习x_第1页
1/4
人教版高中物理选修2电动势和动生电动势同步练习x_第2页
2/4
人教版高中物理选修2电动势和动生电动势同步练习x_第3页
3/4
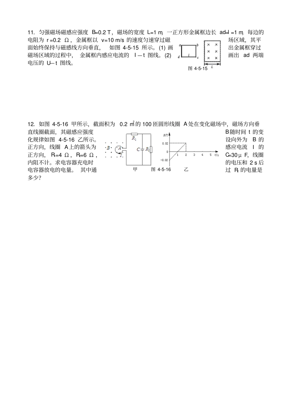
高中物理学习材料(灿若寒星**整理制作)感生电动势和动生电动势同步练习1.在闭合铁芯上绕有一组线圈,线圈与滑动变阻器、电池构成电路,假定线圈产生的磁感线全部集中在铁芯内.a、b、c三个闭合金属圆环,位置如图4-5-8所示.当滑动变阻器滑动触头左右滑动时,能产生感应电流的圆环是()A.a、b两环B.b、c两环C.a、c两环D.a、b、c三个环2.如图4-5-9(a),圆形线圈P静止在水平桌面上,其正上方悬挂一相同的线圈Q,P和Q共轴,Q中通有变化电流,电流随时间变化的规律如图(b)所示,P所受的重力为G,桌面对P的支持力为FN,则()①t1时刻FN>G②t2时刻FN>G③t3时刻FN<G④t4时刻FN=GA.①②B.①③C.①④D.②③④3.有一个n匝的圆形线圈,放在磁感应强度为B的匀强磁场中,线圈平面与磁感线成30°角,磁感应强度均匀变化,线圈导线的规格不变,下列方法可使线圈中的感应电流增加一倍的是()A.将线圈匝数增加一倍B.将线圈面积增加一倍C.将线圈半径增加一倍D.将线圈平面转至跟磁感线垂直的位置4.在竖直向下的匀强磁场中,将一水平放置的金属棒以水平速度沿与杆垂直的方向抛出,设棒在运动过程中不发生转动,空气阻力不计,则金属棒在做平抛运动的过程中产生的感应电动势()A.越来越大B.越来越小C.保持不变D.无法判断5.闭合的金属环垂直于随时间均匀变化的匀强磁场中,则()A.环中产生的感应电动势均匀变化B.环中产生的感应电流均匀变化C.环中产生的感应电动势保持不变D.环上某一小段导体所受的安培力保持不变6.如图4-5-10所示,先后以速度v1和v2匀速把一矩形线圈拉出有界的匀强磁场区域,v2=2v1,在先后两种情况下()A.线圈中的感应电流之比I1:I2=2:lB.作用在线圈上的外力大小之比F1:F2=1:2图4-5-8图4-5-9图4-5-10C.线圈中产生的焦耳热之比Q1:Q2=1:4D.通过线圈某截面的电荷量之比q1:q2=1:27.如图4-5-11所示,PQRS为一正方形导线框,它以恒定速度向右进人以MN为边界的匀强磁场,磁场方向垂直线框平面,MN线与线框的边成45°角,E、F分别是PS和PQ的中点.关于线框中的感应电流,正确的说法是()A.当E点经过边界MN时,线框中感应电流最大B.当P点经过边界MN时,线框中感应电流最大C.当F点经过边界MN时,线框中感应电流最大D.当Q点经过边界MN时,线框中感应电流最大8.如图4-5-12所示,边长为0.5m和0.4m的矩形线圈在B=0.1T的匀强磁场中从水平方向转到竖直方向,若B与水平方向间的夹角为30°,线圈电阻为0.01Ω,求此过程中通过线圈的电荷量。9.一种测量血管中血流速度的仪器原理如图4-5-13所示,在动脉血管两侧分别安装电极并加有磁场.设血管直径是2.0mm,磁场的磁感应强度为0.080T,电压表测出的电压为0.10mV,求血流速度的大小。10.如图4-5-14所示,倾角θ=30°,宽度L=1m的足够长的U形平行光滑金属导轨,固定在磁感应强度B=1T,范围充分大的匀强磁场中,磁场方向与导轨平面垂直.用平行于导轨、功率恒为6W的牵引力F牵引一根质量m=0.2kg,电阻R=1Ω。放在导轨上的金属棒ab,由静止开始沿导轨向上移动(ab始终与导轨接触良好且垂直),当ab棒移动2.8m时获得稳定速度,在此过程中,金属棒产生的热量为5.8J(不计导轨电阻及一切摩擦,取g=10m/s2),求:(1)ab棒的稳定速度;(2)ab棒从静止开始达到稳定速度所需时间.图4-5-11图4-5-12图4-5-13图4-5-1411.匀强磁场磁感应强度B=0.2T,磁场的宽度L=1m,一正方形金属框边长ad=l=1m,每边的电阻为r=0.2Ω,金属框以v=10m/s的速度匀速穿过磁场区域,其平面始终保持与磁感线方向垂直,如图4-5-15所示。(1)画出金属框穿过磁场区域的过程中,金属框内感应电流的I—t图线。(2)画出ad两端电压的U—t图线。12.如图4-5-16甲所示,截面积为0.2m2的100匝圆形线圈A处在变化磁场中,磁场方向垂直线圈截面,其磁感应强度B随时间t的变化规律如图4-5-16乙所示。设向外为B的正方向,线圈A上的箭头为感应电流I的正方向,R1=4Ω,R2=6Ω,C=30μF,线圈内阻不计。求电容器充电时的电压和2s后电容器放电的电量。其中通过R2的电量是多少?图4-5-15甲图4-5-16乙参考答案1.A2.C3.CD4.C5.C6.B7.B8.E=t=tBS23BS21=t2BS)31(电荷量Q=IΔt=tRtBS)31(C31RBS)31(9.流动的血...

1、当您付费下载文档后,您只拥有了使用权限,并不意味着购买了版权,文档只能用于自身使用,不得用于其他商业用途(如 [转卖]进行直接盈利或[编辑后售卖]进行间接盈利)。
2、本站所有内容均由合作方或网友上传,本站不对文档的完整性、权威性及其观点立场正确性做任何保证或承诺!文档内容仅供研究参考,付费前请自行鉴别。
3、如文档内容存在违规,或者侵犯商业秘密、侵犯著作权等,请点击“违规举报”。

碎片内容

人教版高中物理选修2电动势和动生电动势同步练习x

您可能关注的文档

文库当当响+ 关注
实名认证
内容提供者

该用户很懒,什么也没介绍

确认删除?
VIP
微信客服
  • 扫码咨询
会员Q群
  • 会员专属群点击这里加入QQ群
客服邮箱
回到顶部