电脑桌面
添加小米粒文库到电脑桌面
安装后可以在桌面快捷访问

餐饮冷库建设方案VIP免费

餐饮冷库建设方案_第1页
1/11
餐饮冷库建设方案_第2页
2/11
餐饮冷库建设方案_第3页
3/11
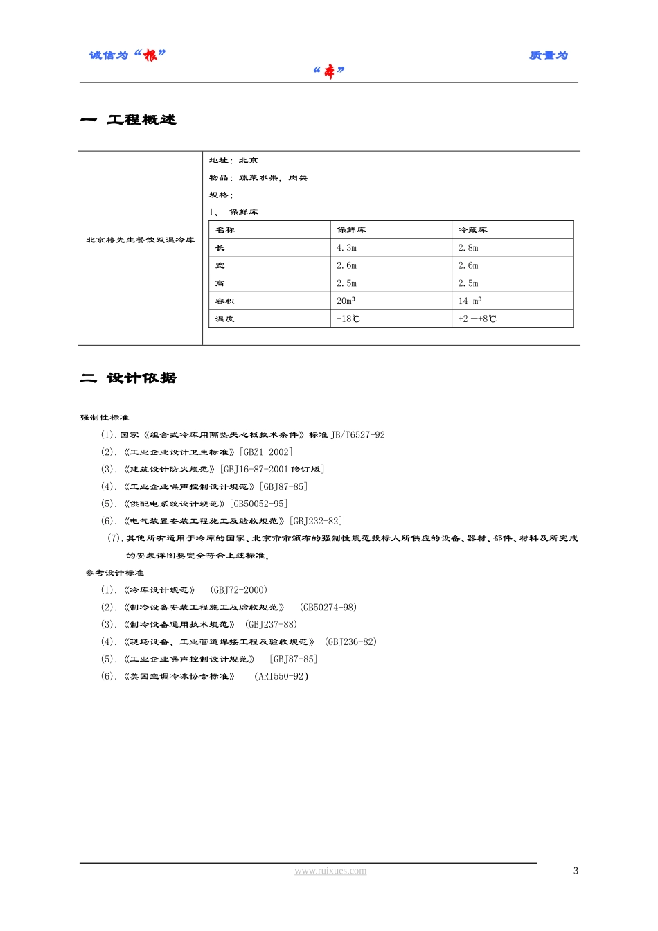
诚信为“根”质量为“本”北京XXX酒店新建餐饮冷库项目设计方案部门:预算部设计:路娟审核:白月丰北京新华瑞雪科技有限公司日期:2012年2月17日目录www.ruixues.com1诚信为“根”质量为“本”一工程概述...................................................................................................................................................-3-二设计依据...................................................................................................................................................-3-三设计参数...................................................................................................................................................-4-四规划布局...................................................................................................................................................-5-五预算报价...................................................................................................................................................-6-六企业简介...................................................................................................................................................-7-七过往业绩...................................................................................................................................................-8-www.ruixues.com2诚信为“根”质量为“本”一工程概述北京将先生餐饮双温冷库地址:北京物品:蔬菜水果,肉类规格:1、保鲜库名称保鲜库冷藏库长4.3m2.8m宽2.6m2.6m高2.5m2.5m容积20m³14m³温度-18℃+2—+8℃二设计依据强制性标准(1).国家《组合式冷库用隔热夹心板技术条件》标准JB/T6527-92(2).《工业企业设计卫生标准》[GBZ1-2002](3).《建筑设计防火规范》[GBJ16-87-2001修订版](4).《工业企业噪声控制设计规范》[GBJ87-85](5).《供配电系统设计规范》[GB50052-95](6).《电气装置安装工程施工及验收规范》[GBJ232-82](7).其他所有适用于冷库的国家、北京市市颁布的强制性规范投标人所供应的设备、器材、部件、材料及所完成的安装详图要完全符合上述标准,参考设计标准(1).《冷库设计规范》(GBJ72-2000)(2).《制冷设备安装工程施工及验收规范》(GB50274-98)(3).《制冷设备通用技术规范》(GBJ237-88)(4).《现场设备、工业管道焊接工程及验收规范》(GBJ236-82)(5).《工业企业噪声控制设计规范》[GBJ87-85](6).《美国空调冷冻协会标准》(ARI550-92)www.ruixues.com3诚信为“根”质量为“本”三设计参数(1)室外计算参数项目季节室外干球温度(℃)室外湿球温度(℃)室外风速(m/s)大气压力(HPa)夏季33.226.41.9998.6冬季-122.81020.4(2)冷负荷计算书冷藏库冷负荷计算表基本资料外型尺寸冷库长(外尺寸)2.8m温度环境温度tw31℃冷库宽(外尺寸)2.6m库内设计温度tn-18℃冷库高(外尺寸)2.5m其它换气次数n0次冷库容积14m3操作人员nr0人/日外表面积41.56m2库内照明15W隔热材料种类猪肉等肉类库内电机300W厚度0.1m开门换气次数n0次传热系数0.024W/m2.℃(查表)储藏物品货物名称猪肉等肉类包装重量系数B0.25冻结前焓值278KJ/Kg(查表)冻前呼吸热q10W/kg×1000冻结后焓值4.6KJ/Kg(查表)冻后呼吸热q20W/kg×1000冷加工时间τ20h包装材料比热Cb1.47KJ/Kg.K食品容重0.25T/m3基本情况容积利用系数η0.8贮藏吨位2.87T日入库量G10%'287.04kg侵入热(侧板)隔热材料厚度导热系数温度差△T外表面积AQa=λ/L×△T×AQa100mm0.244927318W侵入热(底隔热材料厚度导热系温度差外表面积AQb=λ/L×△T×Awww.ruixues.com4诚信为“根”质量为“本”板)数△TQb100mm0.24167.2828W侵入热(天棚)隔热材料厚度导热系数温度差△T外表面积AQc=λ/L×△T×AQc100mm0.24367.2863WQ1计算Q1=Qa+Qb+Qc408W货物放热量入库量G'焓差△h-降温时间τQ2a=G'×△h×1000/τQ2a287.04kg273.4-720001090W包装材料热量包装材料重量...

1、当您付费下载文档后,您只拥有了使用权限,并不意味着购买了版权,文档只能用于自身使用,不得用于其他商业用途(如 [转卖]进行直接盈利或[编辑后售卖]进行间接盈利)。
2、本站所有内容均由合作方或网友上传,本站不对文档的完整性、权威性及其观点立场正确性做任何保证或承诺!文档内容仅供研究参考,付费前请自行鉴别。
3、如文档内容存在违规,或者侵犯商业秘密、侵犯著作权等,请点击“违规举报”。

碎片内容

餐饮冷库建设方案

您可能关注的文档

确认删除?
VIP
微信客服
  • 扫码咨询
会员Q群
  • 会员专属群点击这里加入QQ群
客服邮箱
回到顶部