电脑桌面
添加小米粒文库到电脑桌面
安装后可以在桌面快捷访问

环球插件机中文编程资料2VIP免费

环球插件机中文编程资料2_第1页
1/32
环球插件机中文编程资料2_第2页
2/32
环球插件机中文编程资料2_第3页
3/32
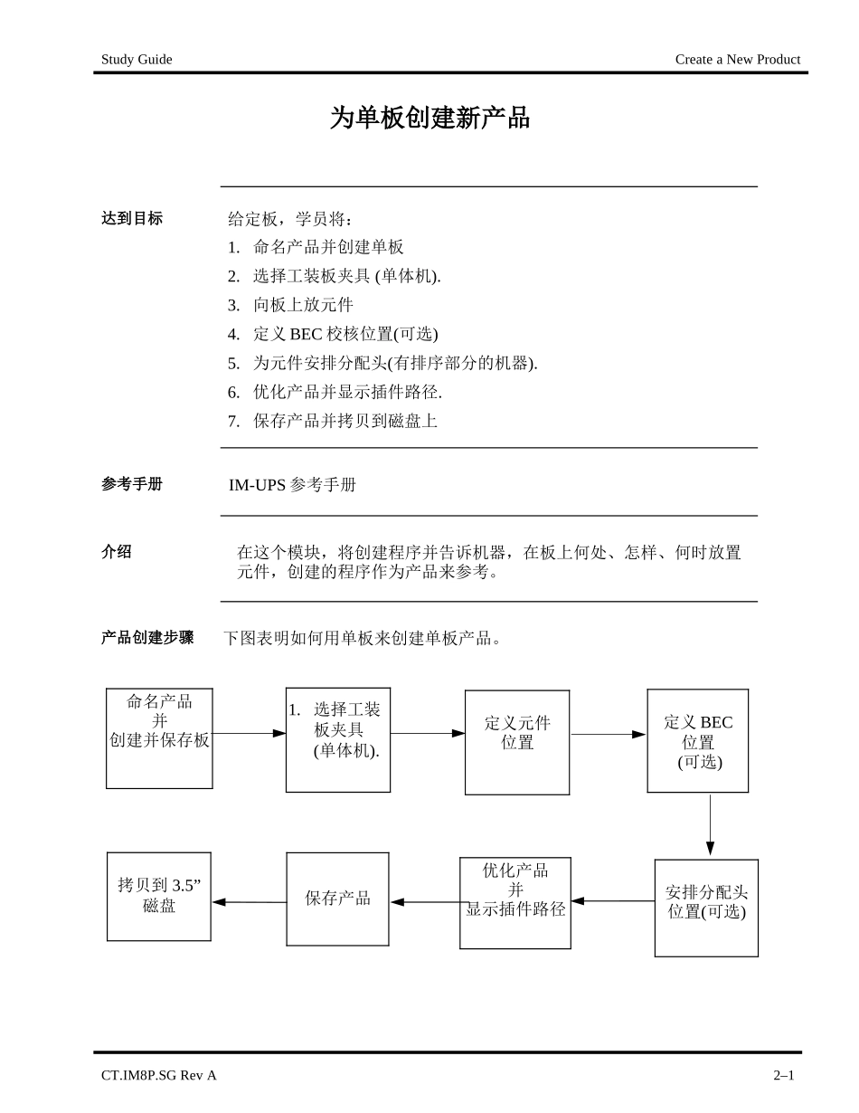
StudyGuideCreateaNewProduct为单板创建新产品达到目标给定板,学员将:1.命名产品并创建单板2.选择工装板夹具(单体机).3.向板上放元件4.定义BEC校核位置(可选)5.为元件安排分配头(有排序部分的机器).6.优化产品并显示插件路径.7.保存产品并拷贝到磁盘上参考手册IM-UPS参考手册介绍在这个模块,将创建程序并告诉机器,在板上何处、怎样、何时放置元件,创建的程序作为产品来参考。产品创建步骤下图表明如何用单板来创建单板产品。CT.IM8P.SGRevA2–1命名产品并创建并保存板定义BEC位置(可选)安排分配头位置(可选)保存产品定义元件位置1.选择工装板夹具(单体机).拷贝到3.5”磁盘优化产品并显示插件路径CreateaNewProductStudyGuide命名产品并创建板介绍必须为机器编程以使元件在希望的位置插入,在IM-UPS中,此程序被参考作为产品。对于那些熟悉PPU编程的人来说,一个产品就象旧的.PUT、.MAG、以及.ERV程序的组合。将会看到,新的编程方法IM-UPS与旧的编程方法PPU有很多区别,在进行这个模块时将提到。创建板在创建产品之前,首先必须定义为其写程序的板的尺寸,这是IM-UPS与PPU的一个主要区别。因为IM-UPS是图形界面,所以首先必须定义一个“图形区域”来与计算机相联系。例如,如果想在3”x3”的板上插入元件,就必须向计算机输入这一数据,负责计算机将不知道这些元件应该去哪里。一个好的分析方法是,当你想画一个上面有元件的完整的PCB时,你首先需要有一页纸。产品编辑器中的板就是你想画元件的那页纸。注意:贯穿整个产品编辑器,可以用F4功能键返回前一动作,这非常有用,因为我们都会犯错误!练习:创建板1.我们将手动创建板,PC板是方形的(实际上是正方形)。在IM-UPS主屏上,点击ProductEditorIcon.产品编辑器图标。\一个2–2CT.IM8P.SGRevAProductEditorIconStudyGuideCreateaNewProduct创建板1.从菜单栏选择Board(板),然后选择Create/Edit.(创建/编辑)2.在图框内输入板的长度和宽度,长度(千分之一英寸单位)测量沿着机器的X轴,宽度沿着Y轴。输入长度3000和宽度3000,输入数据后用Tab键移下来。3.注意:我们从上面看板,就象它位于工装板夹具或轨道中一样。注意我们能编程的最大板是X方向18”(长度),Y方向18”(宽度)。当我们开始在板上放置元件时,我们从板的左下角到每个元件中心线测量X和Y值。一个常用的编程技巧是,对所有产品一直用18”x18”板,因为对有自动过板的IMC机器,编程时宽度不可调,此技巧很有效。如果客户希望他们的板图形看起来与其PCB一样,就需要输入板的实际尺寸。4.按下Enter回车,窗口显示板是红色的。保存板1.在板窗口中,点击TemplateSaveAs.CT.IM8P.SGRevA2–3CreateaNewProductStudyGuide2.命名板,例如,3x3。3.点击OK.2–4CT.IM8P.SGRevAStudyGuideCreateaNewProduct4.立式机用板厚度来决定向下冲程时,在哪里停止驱动插件头,卧式机不用此信息。输入板厚度,例如,60(.06”).,点击OK。5.点击OK,板成功保存。6.点击Exit退出,返回产品编辑器窗口。CT.IM8P.SGRevA2–5CreateaNewProductStudyGuide板注意事项一旦保存板,它可以用于需要相同板外形的多个产品。一旦选择板用于一个产品,此后修改板对于产品中的板定义没有影响。一旦板安排到一个产品,它就失去其标志(例如,不再象前面例子中的板被认为是“3x3”,而只是“产品”板。编辑产品板要编辑产品板;1.从产品编辑器Board菜单,选择EditProductBoard编辑产品板,2.对板作希望的修改,在显示的例子中,3”x3”的板改为18”x18”的板,.与之前一样,输入长度3000和宽度3000,然后按下回车键能看到板的外框是红色的。板厚(对于立式机)也能通过从板窗口选Options选项改变。3.选择TemplateSave以更新产品板的改变。2–6CT.IM8P.SGRevAStudyGuideCreateaNewProduct练习:创建新产品1.在产品编辑器窗口,点击Product(产品)New(.新建)下列窗口出现,注意当前正在工作的窗口的菜单栏是紫色的。命名产品3.命名你的产品,例如,用你的名字。选择刚创建的板(3x3),,然后点击OK。注意你可以把创建板作为创建新产品过程的一部分。注意你可以把创建板作为创建新产品过程的一部分。当点击(...

1、当您付费下载文档后,您只拥有了使用权限,并不意味着购买了版权,文档只能用于自身使用,不得用于其他商业用途(如 [转卖]进行直接盈利或[编辑后售卖]进行间接盈利)。
2、本站所有内容均由合作方或网友上传,本站不对文档的完整性、权威性及其观点立场正确性做任何保证或承诺!文档内容仅供研究参考,付费前请自行鉴别。
3、如文档内容存在违规,或者侵犯商业秘密、侵犯著作权等,请点击“违规举报”。

碎片内容

环球插件机中文编程资料2

您可能关注的文档

确认删除?
VIP
微信客服
  • 扫码咨询
会员Q群
  • 会员专属群点击这里加入QQ群
客服邮箱
回到顶部