电脑桌面
添加小米粒文库到电脑桌面
安装后可以在桌面快捷访问

汽车修理技能实操试题(附件一)VIP免费

汽车修理技能实操试题(附件一)_第1页
1/13
汽车修理技能实操试题(附件一)_第2页
2/13
汽车修理技能实操试题(附件一)_第3页
3/13
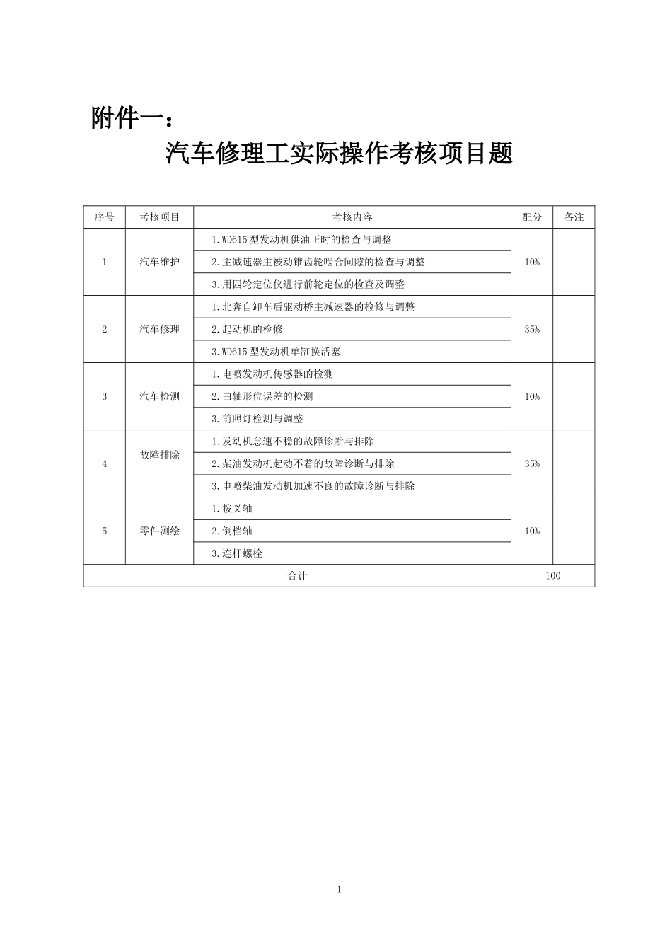
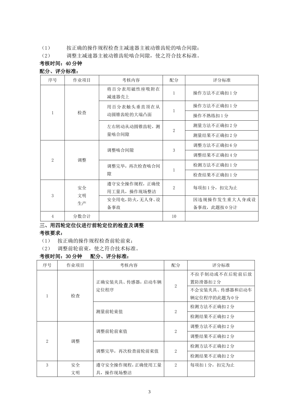
附件一:汽车修理工实际操作考核项目题序号考核项目考核内容配分备注1汽车维护1.WD615型发动机供油正时的检查与调整10%2.主减速器主被动锥齿轮啮合间隙的检查与调整3.用四轮定位仪进行前轮定位的检查及调整2汽车修理1.北奔自卸车后驱动桥主减速器的检修与调整35%2.起动机的检修3.WD615型发动机单缸换活塞3汽车检测1.电喷发动机传感器的检测10%2.曲轴形位误差的检测3.前照灯检测与调整4故障排除1.发动机怠速不稳的故障诊断与排除35%2.柴油发动机起动不着的故障诊断与排除3.电喷柴油发动机加速不良的故障诊断与排除5零件测绘1.拨叉轴10%2.倒档轴3.连杆螺栓合计1001《汽车修理》竞赛项目……《汽车维护》项目题(10%)1、斯太尔WD615型发动机供油正时的检查与调整。2、主减速器主被动锥齿轮啮合间隙的检查与调整。3、用四轮定位仪进行前轮定位的检查及调整。一、斯太尔WD615型发动机供油正时的检查与调整考核要求:(1)按正确的操作规程检查喷油泵供油正时;(2)调整喷油泵供油正时,使之符合技术标准。考核时间:40分钟配分、评分标准:序号作业项目考核内容配分配分1检查从喷油泵上拆下第一缸的高压油管,在出油阀座上安装测试用的玻璃管5操作方法不正确扣2份操作不熟练扣1分转动曲轴,使喷油泵供油,直至玻璃管中能看到油面操作方法不正确扣3分慢慢转动曲轴,仔细观察玻璃管油面,当油面刚刚发生波动开始上升的瞬间,即停止转动操作方法不正确扣3分检查正时记号是否对正,以判定供油提前角检查方法不正确扣2分判断错误扣1分2调整调整供油提前角3调整方法不正确扣3分调整结果不正确扣2分调整完毕,再次检查供油提前角检查方法不正确扣1分检查结果不正确扣1分3安全文明生产遵守安全操作规程,正确使用工量具,操作现场整洁2每项扣1分,扣完为止安全用电,防火,无人身、设备事故因违规操作发生重大人身或设备事故,此题按0分计4分数合计10二、主减速器主被动锥齿轮啮合间隙的检查与调整考核要求:2(1)按正确的操作规程检查主减速器主被动锥齿轮的啮合间隙;(2)调整主减速器主被动锥齿轮啮合间隙,使之符合技术标准。考核时间:40分钟配分、评分标准:序号作业项目考核内容配分评分标准1检查将百分表用磁性座吸附在减速器壳上1操作方法不正确扣1分用百分表触头垂直顶在从动圆锥齿轮的大端凸面1操作方法不正确扣1分操作不熟练扣1分左右转动从动圆锥齿轮,测量啮合间隙2测量方法不正确扣2分测量结果不正确扣2分2调整调整啮合间隙3调整方法不正确扣6分调整结果不正确扣4分调整完毕,再次检查啮合间隙1检测方法不正确扣1分检查结果不正确扣1分3安全文明生产遵守安全操作规程,正确使用工量具,操作现场整洁2每项扣1分,扣完为止安全用电,防火,无人身、设备事故因违规操作发生重大人身或设备事故,此题按0分计4分数合计10三、用四轮定位仪进行前轮定位的检查及调整考核要求:(1)按正确的操作规程检查前轮前束;(2)调整前轮前束,使之符合技术标准。考核时间:30分钟配分、评分标准:序号作业项目考核内容配分评分标准1检查正确安装夹具、传感器,启动车辆定位程序2不拉手制动或不在后轮前后放置防滑器扣2分不会安装夹具、传感器和启动车辆定位程序的此题为0分测量前轮束值2检测方法不正确扣2分检测结果不正确扣2分2调整调整前轮前束值2调整方法不正确扣2分调整结果不正确扣2分调整完毕,再次检查前轮前束值2检测方法不正确扣2分检测结果不正确扣2分3安全文明遵守安全操作规程,正确使用工量具,操作现场整洁2每项扣1分,扣完为止3生产安全用电,防火,无人身、设备事故因违规操作发生重大人身或设备事故,此题按0分计4分数合计10《汽车修理》竞赛项目……《汽车修理》项目题(35%)1、斯太尔后驱动桥主减速器的检修与调整2、起动机的检修3、斯太尔WD615型发动机单缸换活塞一、斯太尔后驱动桥主减速器的检修与调整考核要求:(1)正确地装配后桥主减速器;(2)装配调整后主减速器符合技术标准。考核时间:60分钟配分、评分标准:序号作业项目考核内容配分评分标准1装配主动锥齿轮装配工艺、轴承预紧度的检查调整方法及调整质量8装配工艺错误扣4分检查调整方法错误扣2分调整不符...

1、当您付费下载文档后,您只拥有了使用权限,并不意味着购买了版权,文档只能用于自身使用,不得用于其他商业用途(如 [转卖]进行直接盈利或[编辑后售卖]进行间接盈利)。
2、本站所有内容均由合作方或网友上传,本站不对文档的完整性、权威性及其观点立场正确性做任何保证或承诺!文档内容仅供研究参考,付费前请自行鉴别。
3、如文档内容存在违规,或者侵犯商业秘密、侵犯著作权等,请点击“违规举报”。

碎片内容

汽车修理技能实操试题(附件一)

您可能关注的文档

确认删除?
VIP
微信客服
  • 扫码咨询
会员Q群
  • 会员专属群点击这里加入QQ群
客服邮箱
回到顶部