电脑桌面
添加小米粒文库到电脑桌面
安装后可以在桌面快捷访问

高压电缆试验及检测方法VIP免费

高压电缆试验及检测方法_第1页
1/9
高压电缆试验及检测方法_第2页
2/9
高压电缆试验及检测方法_第3页
3/9
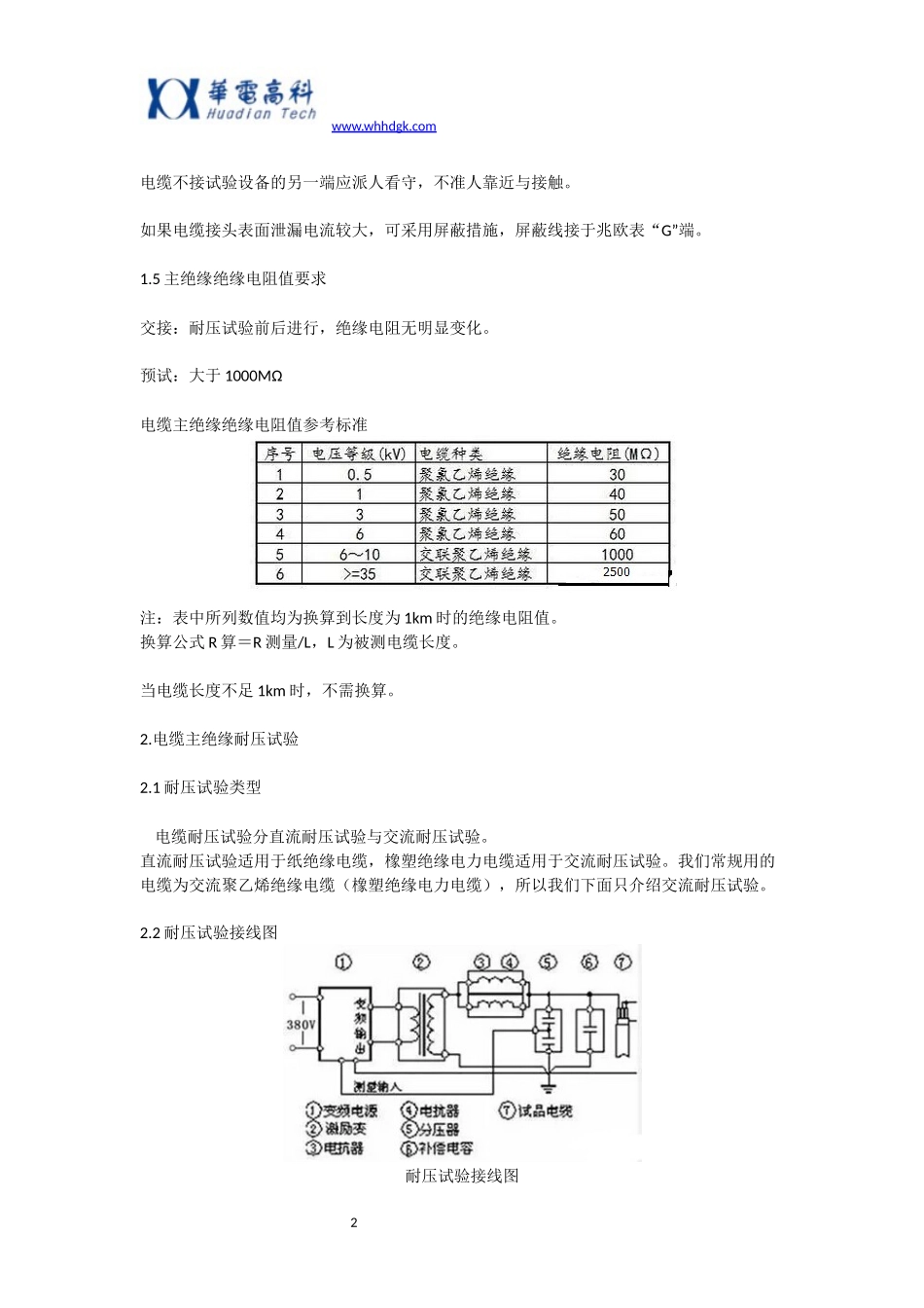
1www.whhdgk.com电力电缆1KV及以下为低压电缆;1KV~10KV为中压电缆;10KV~35KV为高压电缆;35~220KV为特高压电缆。其中高压电缆是指用于传输10KV-35KV(1KV=1000V)之间的电力电缆,多应用于电力传输的主干道。高压电缆从内到外的组成部分包括:导体、绝缘、内护层、填充料(铠装)、外绝缘。当然,铠装高压电缆主要用于地埋,可以抵抗地面上高强度的压迫,同时可防止其他外力损坏。下面小编来讲解一下高压电缆试验及检测方法,具体内容如下:1.电缆主绝缘的绝缘电阻测量1.1试验目的初步判断主绝缘是否受潮、老化,检查耐压试验后电缆主绝缘是否存在缺陷。绝缘电阻下降表示绝缘受潮或发生老化、劣化,可能导致电缆击穿和烧毁。只能有效地检测出整体受潮和贯穿性缺陷,对局部缺陷不敏感。1.2测量方法分别在每一相测量,非被试相及金属屏蔽(金属护套)、铠装层一起接地。采用兆欧表,推荐大容量数字兆欧表(如:短路电流>3mA)。0.6/1kV电缆测量电压1000V。0.6/1kV以上电缆测量电压2500V。6/6kV以上电缆也可用5000V,对110kV及以上电缆而言,使用5000V或10000V的电动兆欧表,电动兆欧表最好带自放电功能。每次换接线时带绝缘手套,每相试验结束后应充分接地放电。1.3试验周期交接试验新作终端或接头后1.4注意问题兆欧表“L”端引线和“E”端引线应具有可靠的绝缘。测量前后均应对电缆充分放电,时间约2-3分钟。若用手摇式兆欧表,未断开高压引线前,不得停止摇动手柄。2www.whhdgk.com电缆不接试验设备的另一端应派人看守,不准人靠近与接触。如果电缆接头表面泄漏电流较大,可采用屏蔽措施,屏蔽线接于兆欧表“G”端。1.5主绝缘绝缘电阻值要求交接:耐压试验前后进行,绝缘电阻无明显变化。预试:大于1000MΩ电缆主绝缘绝缘电阻值参考标准注:表中所列数值均为换算到长度为1km时的绝缘电阻值。换算公式R算=R测量/L,L为被测电缆长度。当电缆长度不足1km时,不需换算。2.电缆主绝缘耐压试验2.1耐压试验类型电缆耐压试验分直流耐压试验与交流耐压试验。直流耐压试验适用于纸绝缘电缆,橡塑绝缘电力电缆适用于交流耐压试验。我们常规用的电缆为交流聚乙烯绝缘电缆(橡塑绝缘电力电缆),所以我们下面只介绍交流耐压试验。2.2耐压试验接线图耐压试验接线图3www.whhdgk.com2.3耐压标准对110kV及以上电缆而言,推荐使用频率为20hz~300Hz谐振耐压试验。交接时交流耐压标准如下表:对110kV及以上电缆而言,推荐使用频率为20hz~300Hz谐振耐压试验。预试时交流耐压标准如下表:3.电缆外护套绝缘电阻测量3.1试验目的检测电缆在敷设后或运行中外护套是否损伤或受潮。外护套破损的原因有:敷设过程中受拉力过大或弯曲过度;敷设或运行中由于施工和交通运输等直接外力作用;终端/中间接头受内部应力、自然拉力、电动力作用;白蚁吞噬、化学物质腐蚀等。3.2测量方法对110kV及以上电缆而言,使用500V的电动兆欧表,电动兆欧表最好带自放电功能。每次换接线时带绝缘手套,每相试验结束后应充分接地放电。试验时必须将护层过电压保护器断开。GB50150-2006、Q/CSG10007-2004要求外护套绝缘电阻值交接及预试不低于0.5MΩ/km。4www.whhdgk.com3.3试验周期交接试验3年(对外护套有引出线者进行)3.4注意问题兆欧表“L”端引线和“E”端引线应具有可靠的绝缘。测量前后均应对电缆金属护层充分放电,时间约2-3分钟。若用手摇式兆欧表,未断开高压引线前,不得停止摇动手柄。电缆不接试验设备的另一端应派人看守,不准人靠近与接触。4.电缆外护套直流耐压试验4.1试验目的检测电缆在敷设后或运行中外护套是否损伤或受潮。4.2试验电压试验时必须将护层的过电压保护器断开交接试验--直流10kV,持续时间1min预防性试验--直流5kV,持续时间1min4.3试验周期交接试验3年4.4试验判断不发生击穿。4.5检测部位5www.whhdgk.com非金属护套与接头外护层(对外护层厚度2mm以上,表面涂有导电层者,基本上即对110kV及以上电压等级电缆进行)。对于交叉互联系统,直流耐压试验在交叉互联系统的每一段上进行,试验时将电缆金属护层的交叉互联连接断开,被试段金属护层接直流试验电压,互联箱中另一侧的非被试段电缆金属护层接...

1、当您付费下载文档后,您只拥有了使用权限,并不意味着购买了版权,文档只能用于自身使用,不得用于其他商业用途(如 [转卖]进行直接盈利或[编辑后售卖]进行间接盈利)。
2、本站所有内容均由合作方或网友上传,本站不对文档的完整性、权威性及其观点立场正确性做任何保证或承诺!文档内容仅供研究参考,付费前请自行鉴别。
3、如文档内容存在违规,或者侵犯商业秘密、侵犯著作权等,请点击“违规举报”。

碎片内容

高压电缆试验及检测方法

您可能关注的文档

确认删除?
VIP
微信客服
  • 扫码咨询
会员Q群
  • 会员专属群点击这里加入QQ群
客服邮箱
回到顶部