电脑桌面
添加小米粒文库到电脑桌面
安装后可以在桌面快捷访问

质量和密度专项拓展训练VIP专享VIP免费

质量和密度专项拓展训练_第1页
1/5
质量和密度专项拓展训练_第2页
2/5
质量和密度专项拓展训练_第3页
3/5
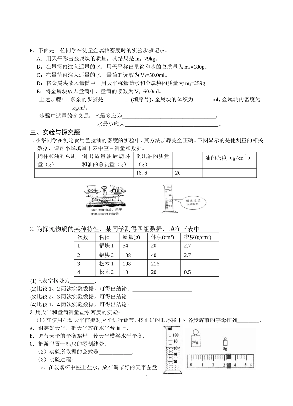
质量和密度练习题一、选择题1.使用氧气瓶内的氧气进行气焊的过程中,以下有关瓶内氧气不变的是()A.质量B.体积C.密度D.内能2.一般中学生的质量,最接近于()A.45lmgB.45gC.450kgD.4t3.一个物体的质量是300g,这个物体可能是()A.一张课桌B.一本书C.一支铅笔D.一个学生5.一个质量为0.25千克的玻璃瓶,盛满水时称得质量是1.5千克,若盛满某液体时称得质量是1.75千克,那么某液体的密度是()A.1.75×103千克/米3B.1.2×103千克/米3C.1.16×103千克/米3D.1.0×103千克/米36.有关天平的使用,下列说法正确的是()A.把已调节好的天平移到另一处使用,不需要重新调节B.判断天平横梁是否平衡时,一定要等到指针完全静止下来C.从砝码盒中提取砝码时,必须用镊子夹取D.天平横梁平衡后,托盘可以互换7.在“用托盘天平称物体的质量”的实验中,下列哪项操作不是必要的步骤是()A.使用天平时,应将天平放在水平了作台面上B.调节横梁平衡时,应先将游码移至横梁标尺左端“0”点上C.称量时左盘应放置待称量的物体,右盘放置砝码D.判断天平横梁是否平衡,一定要等指引完全静止下来8.下列有关密度的说法,正确的是()A.一滴水的密度小于一桶水的密度B.因为铝比铁轻,所以铝的密度小于铁的密度C.液体的密度一定小于固体的密度D.密度是物质的一种特性9.关于密度公式=,下列说法中正确的是()A.由公式可知与m成正比,m越大越大B.由公式可知与m成反比,m越大越小C.对某种物质而言,当物质的体积一定时,与m成正比D.密度是物质的一种属性,某种物质密度大小与质量和体积无关10.质量相等半径相同的空心铜球、铁球和铝球各一个(铜>铁>铝),则空心部分体积最大的球是()A.铜球B.铁球C.铝球D.条件不足无法确定11.一个瓶子最多能装下500克水,则这个瓶子能装下500克的下列哪种物质()。A.浓硫酸B.酒精C.煤油D.汽油12.下列说法中不正确的是()A.登月舱从地球到月球,质量变小B.一杯水结成冰后,体积增大,质量不变C.玻璃杯打碎后,形状发生了变化,质量不变D.1kg的铁与1kg的棉花质量一样大13.金属锇的密度为22.6×103kg/m;中子星每1cm3的物质有1013g,脉冲星核的密度为1015g/cm3,超巨星的密度是氢气密度的17万分之一.上述物质密度最大的是()A.超巨星B.脉冲星核C.中子星D.金属锇14.甲、乙两个物体质量之比为3∶2,体积之比为1∶3,那么它们的密度之比为()1A.1∶2B.2∶1C.2∶9D.9∶215.欲称出约39g物品的质量,应顺次往天平的右盘中添加的砝码是()A.30g、9gB.30g、5g、4gC.20g、10g、5g、2g、2gD.20g、10g、5g、4g16.甲、乙两种物体的质量之比是1:3,体积之比是2:5,则它们的密度之比是()A.5:6B.6:5C.2:15D.15:217.如图1所示,A、B、C是三个完全相同的圆柱形玻璃容器,分别将质量相等的酒精、硫酸和盐水三种液体倒入容器中。根据下表中提供的有关数据,试判断A、B、C三个容器中分别装的是()A.硫酸、盐水、酒精B.盐水、酒精、硫酸C.酒精、硫酸、盐水D.硫酸、酒精、盐水18.A、B、C三种物质的质量m与体积V的关系图像,如图3所示.由图可知,A、B、C三种物质的密度A、B、C和水密度水之间的关系是()A.A>B>C,且A>水,B.A>B>C,且A<水,C.A<B<C,且A>水,D.A<B<C,且A<水,19.以下是某同学测定煤油的密度的一些实验步骤:(1)用天平测出空矿泉水瓶的质量m0;(2)在矿泉水瓶里装满水,用天平测出它们的总质量m1;(3)用矿泉水瓶装满煤油,用天平测出它们的质量m2;(4)用量筒测出矿泉水瓶里所盛煤油的体积V;(5)计算煤油的密度.这些步骤中可省去的是()A.(1)B.(2)或(4)C.(3)D.都不能省去二、填空题1.调好的天平两盘上各放一铝块和铁块,天平恰能保持平衡,则铝块与铁块的质量之比m铝∶m铁=________,体积之比V铝∶V铁=________.(铝=2.7×103kg/m3,铁=7.8×103kg/m3)2.(1)5mL=cm3=m3(2)8.9g/cm3=____________kg/m33.水的密度是________kg/m3,其物理意义是______________________________。一杯水倒去一半,此时桶中水的质量___________,水的体积___________,密度_______。(填“变大”、“变小”或...

1、当您付费下载文档后,您只拥有了使用权限,并不意味着购买了版权,文档只能用于自身使用,不得用于其他商业用途(如 [转卖]进行直接盈利或[编辑后售卖]进行间接盈利)。
2、本站所有内容均由合作方或网友上传,本站不对文档的完整性、权威性及其观点立场正确性做任何保证或承诺!文档内容仅供研究参考,付费前请自行鉴别。
3、如文档内容存在违规,或者侵犯商业秘密、侵犯著作权等,请点击“违规举报”。

碎片内容

质量和密度专项拓展训练

您可能关注的文档

确认删除?
VIP
微信客服
  • 扫码咨询
会员Q群
  • 会员专属群点击这里加入QQ群
客服邮箱
回到顶部