电脑桌面
添加小米粒文库到电脑桌面
安装后可以在桌面快捷访问

涵洞基础检验批VIP免费

涵洞基础检验批_第1页
1/12
涵洞基础检验批_第2页
2/12
涵洞基础检验批_第3页
3/12
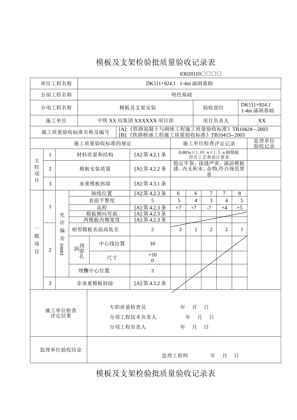
TA8检验批工程报验申请单工程项目名称:XXXXXXXX铁路工程施工合同段:ZSXS-2编号:致:XXXX建设监理有限公司准朔铁路监理站根据施工承包合同和设计文件要求,我单位已完成下列施工项目并自检合格,报请检查。项目:DK111+924.11-4m涵洞基础模板安装附件:模板及支架检验批质量验收记录表质量检查工程师(签字)日期:监理工程师检查意见:总/专业监理工程师日期注:本表一式3份,承包单位2份,监理单位1份TA8检验批工程报验申请单工程项目名称:XXXXXXXX铁路工程施工合同段:ZSXS-2编号:致::XXXX建设监理有限公司准朔铁路监理站根据施工承包合同和设计文件要求,我单位已完成下列施工项目并自检合格,报请检查。项目:DK111+924.11-4m涵洞基础模板及支架拆除附件:模板及支架检验批质量验收记录表质量检查工程师(签字)日期:监理工程师检查意见:总/专业监理工程师日期注:本表一式3份,承包单位2份,监理单位1份模板及支架检验批质量验收记录表03020110□□□□模板及支架检验批质量验收记录表单位工程名称DK111+924.11-4m涵洞基础分部工程名称明挖基础分项工程名称模板及支架安装验收部位DK111+924.11-4m涵洞基础施工单位中铁XX局集团XXXXXX项目部项目负责人XX施工质量验收标准名称及编号[A]:《铁路混凝土与砌体工程施工质量验收标准》TB10424—2003[B]:《铁路桥涵工程施工质量验收标准》TB10415--2003施工质量验收标准的规定施工单位检查评定记录监理单位验收记录主控项目1材料质量和结构[A]:第4.2.1条0.005m×1.05m×1.5m钢模板符合工艺和设计要求2模板安装质量[A]:第4.2.2条稳定牢靠,接缝严密,满涂模板漆,内无积水、杂物,符合规范要求3承重模板拆除[A]:第4.3.1条一般项目1允许偏差(mm)轴线位置[A]:第4.2.3条66778表面平整度554345高程[A]:第4.2.3条+7+7-7+4+5模板侧向弯曲[A]:第4.2.3条两模板内侧宽度[A]:第4.2.3条2相邻模板表面高低差221221预留孔洞中心线位置10尺寸+100预埋件中心位置33非承重模板拆除[A]:第4.3.2条施工单位检查评定结果专职质量检查员年月日分项工程技术负责人年月日分项工程负责人年月日监理单位验收结论监理工程师年月日TA8检验批工程报验申请单工程项目名称:朔州至准格尔新建铁路工程施工合同段:ZSXS-2编号:单位工程名称DK111+924.11-4m涵洞基础分部工程名称明挖基础分项工程名称模板及支架拆除验收部位DK111+924.11-4m涵洞基础施工单位中铁XX局集团XXXXXX项目部项目负责人XX施工质量验收标准名称及编号[A]:《铁路混凝土与砌体工程施工质量验收标准》TB10424—2003[B]:《铁路桥涵工程施工质量验收标准》TB10415--2003施工质量验收标准的规定施工单位检查评定记录监理单位验收记录主控项目1材料质量和结构[A]:第4.2.1条符合施工工艺和设计要求2模板安装质量[A]:第4.2.2条3承重模板拆除[A]:第4.3.1条一般项目1允许偏差(mm)轴线位置[A]:第4.2.3条87877表面平整度554443高程[A]:第4.2.3条+9+7+4+8-6模板侧向弯曲[A]:第4.2.3条两模板内侧宽度[A]:第4.2.3条2相邻模板表面高低差221212预留孔洞中心线位置10尺寸+100预埋件中心位置33非承重模板拆除[A]第4.3.2条模板表面及棱角无损伤施工单位检查评定结果专职质量检查员年月日分项工程技术负责人年月日分项工程负责人年月日监理单位验收结论监理工程师年月日致:北京铁城建设监理有限公司准朔铁路监理站根据施工承包合同和设计文件要求,我单位已完成DK111+924.11-4m涵洞基础混凝土工程并自检合格,报请检查。附件:自检资料1、混凝土灌注日志;2、混凝土施工检查表;3、混凝土养护检查表;4、混凝土拆模检查表。5、混凝土检验批质量验收记录表Ⅰ6、混凝土检验批质量验收记录表Ⅱ7、混凝土检验批质量验收记录表Ⅲ质量检查工程师(签字)日期:监理工程师检查意见:专业监理工程师日期混凝土(原材料及配合比)检验批质量验收记录表(I)03020112□□□□单位工程名称DK111+924.11-4m涵洞基础分部工程名称明挖基础分项工程名称混凝土验收部位DK111+924.1,1-4m涵洞基础施工单位中铁XX局集团XXXXXX项目部项目负责人XX施工质量验收标准名称及编号[A]:《铁路混凝土与砌体工程施工质量验收标准》TB104...

1、当您付费下载文档后,您只拥有了使用权限,并不意味着购买了版权,文档只能用于自身使用,不得用于其他商业用途(如 [转卖]进行直接盈利或[编辑后售卖]进行间接盈利)。
2、本站所有内容均由合作方或网友上传,本站不对文档的完整性、权威性及其观点立场正确性做任何保证或承诺!文档内容仅供研究参考,付费前请自行鉴别。
3、如文档内容存在违规,或者侵犯商业秘密、侵犯著作权等,请点击“违规举报”。

碎片内容

涵洞基础检验批

确认删除?
VIP
微信客服
  • 扫码咨询
会员Q群
  • 会员专属群点击这里加入QQ群
客服邮箱
回到顶部