电脑桌面
添加小米粒文库到电脑桌面
安装后可以在桌面快捷访问

人造草坪面层施工方案VIP免费

人造草坪面层施工方案_第1页
1/3
人造草坪面层施工方案_第2页
2/3
人造草坪面层施工方案_第3页
3/3
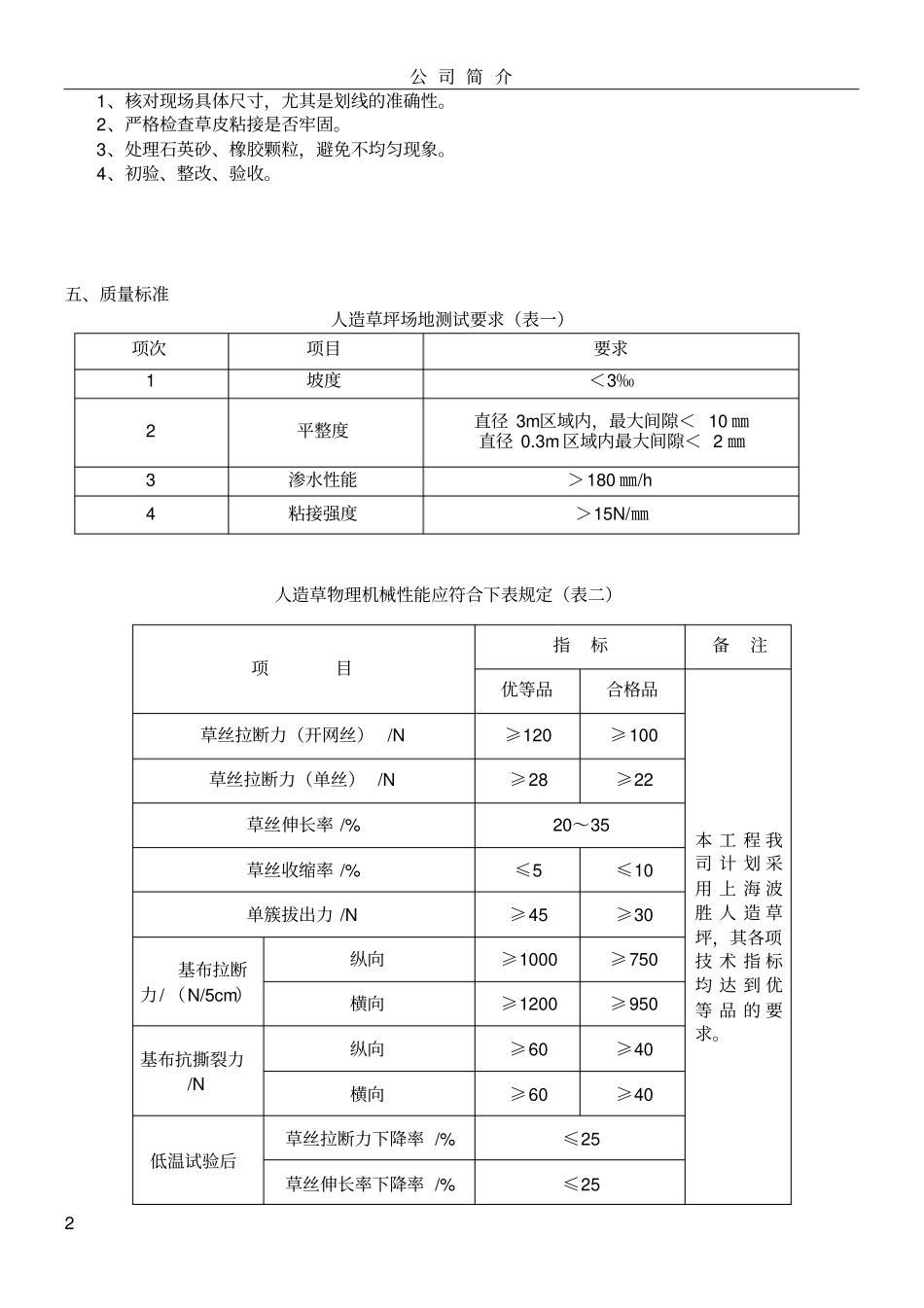
公司简介1人造草坪面层施工方案、工艺要求及质量保证措施一、工艺流程二、施工准备:1.人造草辐宽4.0米,采用国合资优质人造草PE草丝,本项目采用50mm草坪(材料品牌同投标同工程量清单报价)。2.人工清理现场,清除基础砼表面所有浮渣、剔除小块凸点,重点要清除足球场两底线端的排水孔周围浮渣。3.按设计图纸,测量放样,画出地线,允许误差为±5㎜。4.铺设场地需保持清洁,以确保环境之清洁及施工品质。5.对铺设场地及材料会同现场代表检验,合格后草卷即可进场,严格按已画地线摆设放样。三、操作方法1、配备技师及工艺员各1名,工人按工序及工作量多少由10~20名人员组成。2、按图示所定每卷草皮所在位置进行铺设。3、每卷草皮接驳口由我公司提供专用接口带涂上专用胶水粘接,使整场草皮连成一体,包括所需的标示记号及边线。4、用无纺布(100~120克/m)粘接各接口。5、为加快渗水,人工草摊铺后在端线两头及两端边线外下方加垫排水网格。6、草皮铺设完后,在草坪上铺石英砂,并进行梳沙,达到均匀。7、石英砂隐藏在草毛的根部形成保护草皮的作用,使草皮耐用,具有弹性。8、石英砂的厚度按不同高度草皮而定,最后效果是石英砂面低于草毛面10-15㎜,每㎡充石英砂用量18-30kg/㎡(基本上是1公斤/mm来估算的哈.通常50mm人造草是28kg/m2)。9、橡胶颗粒填充用量6~8kg/㎡(要根据实际情况而定,通常为此数据),撒铺胶粒时用梳沙耙边梳边耙。四、清理现场及验收:现场测量画地线草卷摊铺、对缝草卷翻边、下无纺布接口带涂专用胶接口粘接各种线条粘接内环沟盖板上方下透水网撒铺石英砂机械梳沙梳沙检查及人工整补撒铺弹性颗粒公司简介21、核对现场具体尺寸,尤其是划线的准确性。2、严格检查草皮粘接是否牢固。3、处理石英砂、橡胶颗粒,避免不均匀现象。4、初验、整改、验收。五、质量标准人造草坪场地测试要求(表一)项次项目要求1坡度<3‰2平整度直径3m区域内,最大间隙<10㎜直径0.3m区域内最大间隙<2㎜3渗水性能>180㎜/h4粘接强度>15N/㎜人造草物理机械性能应符合下表规定(表二)项目指标备注优等品合格品本工程我司计划采用上海波胜人造草坪,其各项技术指标均达到优等品的要求。草丝拉断力(开网丝)/N≥120≥100草丝拉断力(单丝)/N≥28≥22草丝伸长率/%20~35草丝收缩率/%≤5≤10单簇拔出力/N≥45≥30基布拉断力/(N/5cm)纵向≥1000≥750横向≥1200≥950基布抗撕裂力/N纵向≥60≥40横向≥60≥40低温试验后草丝拉断力下降率/%≤25草丝伸长率下降率/%≤25公司简介3单簇草拔出力下降率/%≤25

1、当您付费下载文档后,您只拥有了使用权限,并不意味着购买了版权,文档只能用于自身使用,不得用于其他商业用途(如 [转卖]进行直接盈利或[编辑后售卖]进行间接盈利)。
2、本站所有内容均由合作方或网友上传,本站不对文档的完整性、权威性及其观点立场正确性做任何保证或承诺!文档内容仅供研究参考,付费前请自行鉴别。
3、如文档内容存在违规,或者侵犯商业秘密、侵犯著作权等,请点击“违规举报”。

碎片内容

人造草坪面层施工方案

确认删除?
VIP
微信客服
  • 扫码咨询
会员Q群
  • 会员专属群点击这里加入QQ群
客服邮箱
回到顶部