电脑桌面
添加小米粒文库到电脑桌面
安装后可以在桌面快捷访问

仪器分析试题及答案031VIP免费

仪器分析试题及答案031_第1页
1/7
仪器分析试题及答案031_第2页
2/7
仪器分析试题及答案031_第3页
3/7
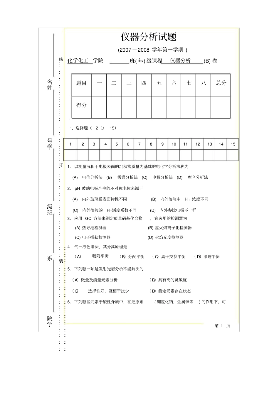
题目一二三四五六七八总分得分---------------------------------------装---------------------------------------订-------------------------------------------线-----------------------------------------------姓名学号班级系学院仪器分析试题(2007-2008学年第一学期)化学化工学院班(年)级课程仪器分析(B)卷一、选择题(2分15)1234567891011121314151.以测量沉积于电极表面的沉积物质量为基础的电化学分析法称为(A)电位分析法(B)极谱分析法(C)电解分析法(D)库仑分析法2.pH玻璃电极产生的不对称电位来源于(A)内外玻璃膜表面特性不同(C)内外溶液的H+活度系数不同(B)内外溶液中H+浓度不同(D)内外参比电极不一样3.应用GC方法来测定痕量硝基化合物,宜选用的检测器为(A)热导池检测器(C)电子捕获检测器4.气-液色谱法,其分离原理是(B)氢火焰离子化检测器(D)火焰光度检测器(A)吸附平衡(B)分配平衡(C)离子交换平衡(D)渗透平衡5.下列哪一项是发射光谱分析不能解决的(A)微量及痕量元素分析(B)具有高的灵敏度(C)选择性好,互相干扰少(D)测定元素存在状态6.下列哪些元素于酸性介质中,在还原剂(硼氢化钠,金属锌等)的作用下、可第1页(D)16(tR'/W1/2)[(k1)/k]2生成易挥发的氢化物.而进入等离子体光源进行蒸发和激发(A)As(B)Fe(C)Mo(D)W7.原子吸收分析法测定钾时,加入1%钠盐溶液其作用是()(A)减少背景(C)提高钾的浓度(B)提高火焰温度(D)减少钾电离8.下列条件中对气相色谱柱分离度影响最大的因素是(A)载气种类(B)载气的流速(C)色谱柱的载体性质(D)色谱柱柱温9.下列因素对理论塔板高度没有影响的是(A)填充物的粒度(C)载气的种类(B)色谱柱的柱长(D)组分在流动相中的扩散系数10.在色谱分析中,柱长从1m增加到4m,其它条件不变,则分离度增加(A)4倍(B)1倍(C)2倍(D)10倍11.用发射光谱进行定性分析时,作为谱线波长的比较标尺的元素是(A)钠(B)碳(C)铁(D)硅12.下面几种常用的激发光源中,分析的线性范围最大的是(A)直流电弧(B)交流电弧(C)电火花(D)高频电感耦合等离子体13.离子选择电极在使用时,每次测量前都要将其电位清洗至一定的值,即固定电极的预处理条件,这样做的目的是(A)极避免存储效应(迟滞效应或记忆效应)(C)提高灵敏度(B)消除电位不稳定性(D)清洗电14.下列式子中哪一个式子不能用来计算色谱柱的理论塔板数(A)(tR/)2(B)16(tR/Wb)2(C)(tR'/W1/2)2215.在下列极谱分析操作中哪一项是错误的(A)通N2除溶液中的溶解氧第2页---------------------------------------装---------------------------------------订-------------------------------------------线-----------------------------------------------9.一化合物溶解在己烷中,其己max=305nm,溶解在乙醇中时,(B)在搅拌下进行减小浓差极化的影响(C)恒温消除由于温度变化产生的影响(D)加入表面活性剂消除极谱极大二、填空题(每空1分,共20分)1.在液相色谱中,速率理论方程中的_________项很小,可忽略不计,VanDeemter方程式可以写成____________.2.描述色谱柱效能的指标是;柱的总分离效能指标是3.。是库仑分析法的理论基础。它表明物质在电极上析出的质量与通过电解池的电量之间的关系。其数学表达式为4.原子吸收峰值吸收测量的必要条件是(1)。,(2)。5.离子选择性电极虽然有多种,但基本结构是由、参比电极三部分组成。、和内6.盐桥的作用是;用氯化银晶体膜电极测定氯离子时,如以饱和甘汞电极作为参比电极,应选用的盐桥为7.残余电流主要是由____________________和______。_______________组成。8.按照分离过程的原理可将色谱法分为法,法等法,法,烷乙醇max=307nm,该吸收是由于_________跃迁引起的。10.在原子吸收法中,提高空心阴极灯的灯电流可增加___________________________,但若灯电流过大,则_________________随之增大,同时会使发射线___________________。三、计算题(共40分)第3页二氯乙烷二溴乙烷四乙基铅相对质量校正因子2峰面积(cm)861.(6分)称取含Cd2+的样品溶液,在适当的条件下测得其id=A,然后在此溶液中加入浓度为10-3mol/L的...

1、当您付费下载文档后,您只拥有了使用权限,并不意味着购买了版权,文档只能用于自身使用,不得用于其他商业用途(如 [转卖]进行直接盈利或[编辑后售卖]进行间接盈利)。
2、本站所有内容均由合作方或网友上传,本站不对文档的完整性、权威性及其观点立场正确性做任何保证或承诺!文档内容仅供研究参考,付费前请自行鉴别。
3、如文档内容存在违规,或者侵犯商业秘密、侵犯著作权等,请点击“违规举报”。

碎片内容

仪器分析试题及答案031

文库响当当+ 关注
实名认证
内容提供者

该用户很懒,什么也没介绍

确认删除?
VIP
微信客服
  • 扫码咨询
会员Q群
  • 会员专属群点击这里加入QQ群
客服邮箱
回到顶部