电脑桌面
添加小米粒文库到电脑桌面
安装后可以在桌面快捷访问

企业内部工程师评级标准VIP免费

企业内部工程师评级标准_第1页
1/9
企业内部工程师评级标准_第2页
2/9
企业内部工程师评级标准_第3页
3/9
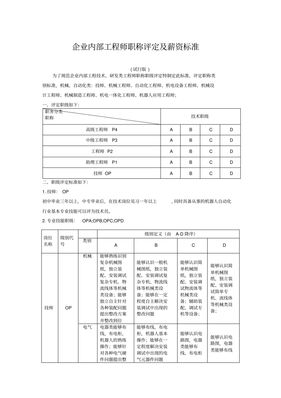
企业内部工程师职称评定及薪资标准(试行版)为了规范企业内部工程技术、研发类工程师职称职级评定特制定此标准,评定职称类别标准,机械、自动化类:技师、机械工程师、自动化工程师、机电设备工程师、机械设计工程师、机械制造工程师、机电一体化工程师、机器人应用工程师;一、评定职级如下:职务分类职称技术职级高级工程师P4ABCD中级工程师P3ABCD工程师P2ABCD助理工程师P1ABCD技师OPABCD二、职级评定标准如下:1.技师:OP初中毕业三年以上,中专毕业后,在技术岗位见习一年以上,同时具备从事的机器人自动化行业基本专业技能可以评为技术员。2.专业技能职级:OPA;OPB;OPC;OPD岗位名称级别代号级别定义(由A-D降序)类别ABCD技师OP机械能够熟练识别复杂机械图纸,独立装配、安装调试复杂专机、物流线体等机械类设备;能够独立自主针对各种装配问题提出整改方案并整改到位能够认识一般机械图纸,独立装配、安装调试复杂专机、物流线体等机械类设备;能够在一定程度自主解决安装调试中出现的整改问题能够认识简单机械图纸,独立装配、安装调试物流体等机械类设备;辅助装配、调试专机等设备;能够认识简单机械图纸,独立装配、安装调试简单专机、流线体等机械类设备;电气电器类能够布线,布电柜,机器人的熟练操作;能够针对各种电气硬件问题提出整能够布线,布电柜,机器人基本操作;能够在一定程度解决安装调试中出现的电气元器件问题能够认识电路图,电器类能够布线、布电柜能够认识电路图,电器类能够布线助理工程师:P11.中专毕业,试用一年期满,可初定为“员”级职务任职资格。2.大学专科毕业,试用一年期满,再从事本专业技术工作满二年,可初定为“助师”级职务任职资格。3.大学本科毕业,试用一年期满,可初定为“助师”级职务任职资格。4.取得双学士学位和研究生班毕业人员,在取得最后一个学位或毕业后,可初定为“助师”级职务任职资格。5.国家承认学历的自考、成教等其他高等学历教育毕业生,符合上述职称初定第1、2、3、4款申报条件的。6.初中以上学历,但有真才实学,在工程技术岗位工作满5年以上,切有能力领导或独立开发设计人员可以直接初定为“助师”级职务任职资格。7.专业技能职级:P1A;P1B;P1C;P1D工程师:P21.硕士学位获得者,在本专业工作年,可认定为“中级工程师”级职务任职资格改方案并整改到位岗位名称级别代号级别定义级别定义(由A-D降序)类别ABCD助理工程师P1机械具备设计中型专机、线体能力,熟练使用2D、3D绘图辅助软件,熟练掌握材料选用知识;熟练掌握机械力学常用知识具备设计小型专机、线体能力,熟练使用2D、3D绘图辅助软件,熟练掌握材料选用知识;熟练掌握机械力学常用知识具备设计模块能力,熟练使用2D、3D绘图辅助软件,掌握材料选用知识;掌握机械力学常用知识具备局部零部件设计能力,熟练使用2D、3D绘图辅助软件电气能够绘制大型专机设备电路图,能够电气元器件选型,能够进行一般专机PLC编程;能够完成2款搬运、装配、打磨机器人应用能够绘制中型专机设备电路图,能够电气元器件选型,能够进行简单小型PLC编程;能够完成2款搬运、装配机器人应用能够绘制小型专机电路图,能够电气元器件选型,能够完成一款搬运、装配机器人应用能够绘制简单电路图,能够电气元器件选型,能够完成搬运等基本机器人应用1.大学本科毕业,从事专业技术工作5年以上(五年制本科4年以上),或担任助理级职务4年以上定为“工程师”级职务任职资格;2.大专毕业,从事专业技术工作7年以上,或担任助理级职务4年以上定为“工程师”级职务任职资格;。3.不具备规定学历,但确有真才实学,业绩显着,符合下列条件之一的,可破格申报:⑴所学专业与现从事专业不一致,在现专业技术岗位工作已符合职称申报年限;⑵取得中专学历连续从事本专业技术工作10年以上、取得助理工程师资格5年以上,或取得中专学历连续从事本专业工作15年以上;⑶中专后学历累计从事本专业技术工作15年以上,取得助理工程师资格后,从事本专业工作5年以上;⑷企业事业单位的主要技术负责人或技术骨干,不具备规定学历,参加市职称办认可的相关专业培训,取得合格证书或国家行政教育部门认...

1、当您付费下载文档后,您只拥有了使用权限,并不意味着购买了版权,文档只能用于自身使用,不得用于其他商业用途(如 [转卖]进行直接盈利或[编辑后售卖]进行间接盈利)。
2、本站所有内容均由合作方或网友上传,本站不对文档的完整性、权威性及其观点立场正确性做任何保证或承诺!文档内容仅供研究参考,付费前请自行鉴别。
3、如文档内容存在违规,或者侵犯商业秘密、侵犯著作权等,请点击“违规举报”。

碎片内容

企业内部工程师评级标准

确认删除?
VIP
微信客服
  • 扫码咨询
会员Q群
  • 会员专属群点击这里加入QQ群
客服邮箱
回到顶部