电脑桌面
添加小米粒文库到电脑桌面
安装后可以在桌面快捷访问

企业加强安全隐患自查自纠参照表及汇总表教学教材VIP免费

企业加强安全隐患自查自纠参照表及汇总表教学教材_第1页
1/12
企业加强安全隐患自查自纠参照表及汇总表教学教材_第2页
2/12
企业加强安全隐患自查自纠参照表及汇总表教学教材_第3页
3/12
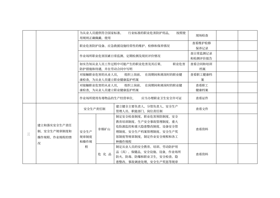
附件1:企业安全隐患自查自纠汇总表填报单位(盖章):企业主要负责人姓名(签字):填报时间:序号隐患情况整改(防范)措施整改资金整改时限应急预案责任人整改落实情况整改核查人说明:1.企业可根据自身实际,在全面自查的基础上,完善汇总填报此表,并在安全大检查期间每月底之前报所在地街道和行业主管部门。2、对一时不能整改的重大安全隐患,还应在“整改(防范)措施”栏中填报防范措施。附件2:企业安全隐患自查自纠参照表本表格供参照使用,各行业根据实际情况制定检查表格。序号检查项目检查内容和标准检查方法查出问题处理意见一依法取得有关安全生产行政许可的情况建筑施工、非煤矿山、危险化学品和烟花爆竹安全生产许可证,危险化学品经营许可证,烟花爆竹经营(批发)许可证,烟花爆竹经营(零售)许可证等安全生产许可证件查看证件二作业场所职业危害防治的情况设置或者指定职业健康管理机构,配备专职或者兼职的职业健康管理人员;主要负责人和职业健康管理人员应当接受安监部门组织的职业健康培训查看文件和证书建立健全职业卫生防治制度和操作规程查看资料如实、及时向所在地安全监管部门申报职业病危害项目。查看资料依法履行新、改、扩建建设项目职业卫生“三同时”手续查看资料醒目位置设置公布职业病防治规章制度、操作规程、职业病危害事故应急救援措施及职业病危害因素检测结果查看现场醒目位置设置图形、警示线、警示语句等警示标识和中文警示说明。存在或产生高毒物品的作业岗位,在醒目位置设置高毒物品告知卡查看现场在可能发生急性职业损伤的有毒、有害工作场所,设置报警装置,配置现场急救用品、冲洗设备、应急撤离通道和必要的泄险区查看现场不得将产生职业病危害的作业转移给不具备职业病防护条件的单位和个人查看资料、证照和现场为从业人员提供符合国家标准、行业标准的职业危害防护用品,按照使用规则正确佩戴、使用现场检查职业危害防护设备、应急救援设施经常性的维护、检修和保养情况查看维护检修保养记录作业场所职业危害因素日常监测、定期检测及现状评价情况查日常监测记录和检测评价报告如实告知从业人员工作过程中可能产生的职业危害及其后果、职业危害防护措施和待遇,并在劳动合同中写明查看合同和培训档案对接触职业危害的从业人员,组织上岗前、在岗期间和离岗时的职业健康检查,为从业人员建立职业健康监护档案查看职工健康档案对接触职业危害的从业人员,组织上岗前、在岗期间和离岗时的职业健康检查,为从业人员建立职业健康监护档案查看职工健康档案作业场所使用有毒物品的生产经营单位,应当办理职业卫生安全许可证查看证件三建立和落实安全生产责任制、安全生产规章制度和操作规程、作业规程的情况安全生产责任制建立健全主要负责人、分管负责人、安全生产管理人员、职能部门、岗位责任制查看文件安全生产规章制度和操作规程非煤矿山制定安全检查制度、职业危害预防制度、安全教育培训制度、生产安全事故管理制度、重大危险源监控和重大隐患整改制度、设备安全管理制度、安全生产档案管理制度、安全生产奖惩制度等规章制度,制定作业安全规程和各工种操作规程查看资料危化品制定从业人员的安全教育、培训、劳动防护用品(具)、保健品,安全设施、设备,作业场所防火、防毒、防爆和职业卫生,安全检查、隐患整改、事故调查处理,安全生产奖惩等规章查看资料制度;编制岗位操作安全过程和符合有关标准规定的作业规程烟花爆竹烟花爆竹生产企业安全奖惩制度、安全检查制度、安全技术措施审批制度;产品流向登记制度、门卫值班值守制度、事故隐患整改制度、安全设施设备管理制度、从业人员安全教育培训制度、动火作业管理制度、安全投入保障制度、重大危险源检测监控制度、防护用品(具)管理制度,以及原材料、辅助材料购买、检验、使用和保管制度,职业卫生管理制度;符合国家标准或行业标准要求的操作规程查看资料批发企业安全奖惩制度、安全投入保障制度、安全检查制度、从业人员安全教育培训制度、仓库安全和保卫制度、动火作业管理制度、安全设备设施管理制度、重大危险源监控措施和事故隐患整改制度、产品流向登记制度...

1、当您付费下载文档后,您只拥有了使用权限,并不意味着购买了版权,文档只能用于自身使用,不得用于其他商业用途(如 [转卖]进行直接盈利或[编辑后售卖]进行间接盈利)。
2、本站所有内容均由合作方或网友上传,本站不对文档的完整性、权威性及其观点立场正确性做任何保证或承诺!文档内容仅供研究参考,付费前请自行鉴别。
3、如文档内容存在违规,或者侵犯商业秘密、侵犯著作权等,请点击“违规举报”。

碎片内容

企业加强安全隐患自查自纠参照表及汇总表教学教材

文库当当响+ 关注
实名认证
内容提供者

该用户很懒,什么也没介绍

确认删除?
VIP
微信客服
  • 扫码咨询
会员Q群
  • 会员专属群点击这里加入QQ群
客服邮箱
回到顶部