电脑桌面
添加小米粒文库到电脑桌面
安装后可以在桌面快捷访问

九年级物理上学期期中试卷(含解析) 新人教版试卷VIP免费

九年级物理上学期期中试卷(含解析) 新人教版试卷_第1页
1/20
九年级物理上学期期中试卷(含解析) 新人教版试卷_第2页
2/20
九年级物理上学期期中试卷(含解析) 新人教版试卷_第3页
3/20
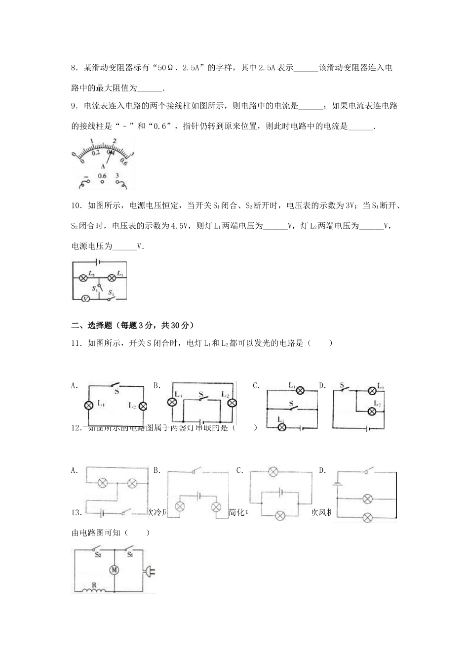
2015-2016学年四川省遂宁市射洪县明星中学九年级(上)期中物理试卷一、填空(每空1分,共32分)1.五月玉兰花绽放时,在较远处就能闻到花香,此现象说明分子在______;压缩固体和液体很困难,这是因为分子间存在______.2.将一带电的有机玻璃棒靠近带正电的泡沫塑料小球时,相互作用情况如图所示,由此可知:有机玻璃棒带______电,这是因为______电荷相互______.3.在如图所示的电路中,灯L2与A______联,要使灯L1发光,必须闭合开关______.4.水的比热容是______,它所表示的物理意义是______.5.所谓电路,就是把______、______、______用______连接起来组成的电流路径.用电来工作的设备,都叫做______.常见的有______、______、和______.6.如图所示电路中,(1)当开关S1、S3闭合S2断开时,灯L1、L2组成______电路;(2)当开关S1、S3断开S2闭合时,灯L1、L2组成______电路;(3)当开关S3闭合,S1、S2断开时,电灯L1是______路,L2是______路;(4)当开关S1断开,S2、S3闭合时,电灯L1是______路,L2是______路;(5)如果开关S1和S2同时闭合时,将发生______现象.7.一段导体两端电压为3V时,导体中的电流为0.5A,若导体两端电压增加到原来的2倍,导体中的电流应为______A;当导体两端的电压变为零时,导体的电阻为______Ω.8.某滑动变阻器标有“50Ω、2.5A”的字样,其中2.5A表示______该滑动变阻器连入电路中的最大阻值为______.9.电流表连入电路的两个接线柱如图所示,则电路中的电流是______;如果电流表连电路的接线柱是“﹣”和“0.6”,指针仍转到原来位置,则此时电路中的电流是______.10.如图所示,电源电压恒定,当开关S1闭合、S2断开时,电压表的示数为3V;当S1断开、S2闭合时,电压表的示数为4.5V,则灯L1两端电压为______V,灯L2两端电压为______V,电源电压为______V.二、选择题(每题3分,共30分)11.如图所示,开关S闭合时,电灯L1和L2都可以发光的电路是()A.B.C.D.12.如图所示的电路图属于两盏灯串联的是()A.B.C.D.13.如图是一把既能吹冷风、又能吹热风的简化电路图,其中M是吹风机,R是电热丝.由电路图可知()A.只将开关S1闭合,吹出的是热风B.M和R是串联在电路中的C.将S1和S2都闭合,吹出的是热风D.开关S2可以控制整个电路14.下列过程中,通过热传递改变物体内能的是()A.钻木取火B.锯木头时,锯片发热C.卫星进入大气层时外壳发热D.热水中放入冰块,水温下降15.冰在熔化过程中,下列判断正确的是()A.内能不变,比热容不变B.吸收热量,温度不变C.比热容,内能,温度都不变D.比热容变大,内能增加,温度升高16.汽油机的一个工作循环是由四个冲程组成的,图中表示压缩冲程的是()A.B.C.D.17.避雷针的尖端不断向空中释放电子,则避雷针中的电流方向是()A.从地面流向尖端B.从尖端流向地面C.没有电流D.无法判定18.如图所示是用电流表测量L2的电路图,其中正确的是()A.B.C.D.19.在一个电路中,有两个用电器,用电流表测量时发现通过两用电器的电流相同,则这两个用电器的连接()A.一定串联B.一定并联C.可能串联,也可能并联D.无法判断20.将一根粗细均匀的铝导线从中点处对折后使用,则此时铝导线电阻大小将变为原来的()A.2倍B.C.1倍D.三、作图21.根据实物图1,在虚线框内画出电路图.22.在图甲中,闭合开关后,通过灯泡L1的电流为0.5A,通过灯泡L2的电流为0.4A,试根据图甲将图乙中的实物用笔画线表示导线连接起来.四、实验探究题(1题8分;2题11分,共19分)23.某同学在做研究影响物质吸热多少的因素的实验时,得到如下的数据表:物质实验次数质量/kg升高的温度/℃吸收的热量/J水10.0510210020.10104200煤油30.0510105040.10102100(1)分析第1、3次或2、4次实验数据,可归纳得出的结论是:______相等的不同物质,在______相同时,吸收的热量是不同的.(2)分析第1、2次或3、4次实验数据,可归纳得出的结论是:不同______的同种物质,在______相同时,吸收的热量是不同的.24.小名在做“伏安法测电阻”的实验时.(1)按如图1所示实物连接情况,在图2方框里画出电...

1、当您付费下载文档后,您只拥有了使用权限,并不意味着购买了版权,文档只能用于自身使用,不得用于其他商业用途(如 [转卖]进行直接盈利或[编辑后售卖]进行间接盈利)。
2、本站所有内容均由合作方或网友上传,本站不对文档的完整性、权威性及其观点立场正确性做任何保证或承诺!文档内容仅供研究参考,付费前请自行鉴别。
3、如文档内容存在违规,或者侵犯商业秘密、侵犯著作权等,请点击“违规举报”。

碎片内容

九年级物理上学期期中试卷(含解析) 新人教版试卷

雨丝书吧+ 关注
实名认证
内容提供者

乐于和他人分享知识,从事历史教学,热爱教育,高度负责。

相关文档

确认删除?
VIP
微信客服
  • 扫码咨询
会员Q群
  • 会员专属群点击这里加入QQ群
客服邮箱
回到顶部