电脑桌面
添加小米粒文库到电脑桌面
安装后可以在桌面快捷访问

九年级物理 第4周双休日自主学习试卷试卷VIP免费

九年级物理 第4周双休日自主学习试卷试卷_第1页
1/5
九年级物理 第4周双休日自主学习试卷试卷_第2页
2/5
九年级物理 第4周双休日自主学习试卷试卷_第3页
3/5
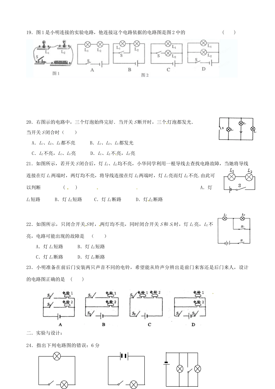
江苏省东台市富安镇中学2013届九年级物理第4周双休日自主学习试题(无答案)一、填空题:19分1.电灯、电铃、电风扇、电视机等用电来工作的设备都叫.2.不论电路是简单的还是复杂的,组成电路总离不开、、和这四种元件.在电路中提供电能的是,消耗电能的是,输送电能的是,控制电能输送的是.3.从能量转化角度,干电池和蓄电池工作时把能转化为能,蓄电池充电时把能转化为能.4.电路接通时,电路中就有电流,接通的电路叫.电路断开时,线路中无电流,断开的电路叫.导线直接接在电源两极上,电流不经过用电器的电路叫.5.要想电路中得到持续的电流,必须满足两个条件:第一,;第二,.6.如图所示.要使L1与L2串联应闭合开关_________,要使L1与L2并联应闭合开关_________,同时闭合开关_____________是绝不允许的.二、选择题:34分7.下列符号中不属于用电器的是()8.绝不允许用电线把电源的两极直接连接起来,是因为()A.有触电的危险B.电路中没有电流C.电流太小会损坏电源D.电流太大会损坏电源9.如右图,在开关和小灯泡之间连接两个金属夹A和B,在两个金属夹之间分别接入硬币、塑料尺、铅笔芯、橡皮,闭合开关后,能使小灯泡发光的是()A.硬币和橡皮B.硬币和铅笔芯C.橡皮和塑料尺D.铅笔芯和塑料尺10.下图所示的四个电路中,正确的电路图是()11.如图所示,有一个小电动机模型和一盏电灯,当开关S闭合后,则()MABCDA.电动机转动,灯不亮B.电动机转动,灯也亮C.电动机不转动,灯亮D.电动机不转,灯也不亮12.如图所示,当开关闭合时,发生的现象是()⑴灯正常发光⑵灯不亮⑶电源会被烧坏⑷灯会被烧坏A.⑴B.⑵C.⑶和⑷D.⑵和⑶13.在下面的四个电路图中,开关S闭合后,能使小灯泡L1和L2都正常发光的图是()14.在下图的四个电路中,不会造成电源短路的是()15.马路上的路灯总是一齐亮,一齐灭.如果它们其中一盏灯的灯丝断了,其它灯仍能正常发光.根据这些现象判断路灯是()A.串联的B.并联的C.可能是串联的,也可能是并联的D.不能确定是何种连接方式16.日常生活的经验告诉我们:家中的电灯、电冰箱和插座等电器,彼此间的连接方式是()A.串联的B.可能是串联也可能是并联的C.并联的D.电灯与插座间是串联的,其它用电器是并联的17.如图所示,下列电路中,开关同时控制电灯和电铃的是()18.在日常生活中,人们常说“开灯”、关灯”,其物理含义是:()A.开灯是指断开开关,关灯是指闭合开关B.开灯和关灯都是指闭合开关C.开灯是指闭合开关,关灯是指断开开关D.开灯和关灯都是指断开开关L1L2SL1L2SL1L2SL1L2SA.B.C.D.19.图1是小明连接的实验电路,他连接这个电路依据的电路图是图2中的()20.右图示的电路中,三个灯泡始终完好.当开关S断开时,三个灯泡都发光.当开关S闭合时()A.L1、L2、L3都不亮B.L1、L2、L3都发光C.L2不亮,L1、L3亮D.L1、L2不亮,L3亮21.如图所示,若开关S闭合后,灯L1、L2均不亮,小华同学利用一根导线去查找电路故障,当她将导线连接在灯L1两端时,两灯均不亮,将导线连接在灯L2两端时,灯L1亮而灯L2不亮.由此可以判断()A.灯L1短路B.灯L2短路C.灯L1断路D.灯L2断路22.如图所示,只闭合开关S时,两灯均不亮,同时闭合开关S和S1时,灯L1亮,L2不亮,电路可能出现的故障是()A.灯L1短路B.灯L2短路C.灯L1断路D.灯L2断路23.小明准备在前后门安装两只声音不同的电铃,希望能从铃声分辨出是前门来客还是后门来人,设计的电路图正确的是()二.实验与设计:24.指出下列电路图的错误:6分①②③25.请按下图所示的电路连接情况,在方框内画出对应的电路图10分26.由实物图画电路图10分27.如图3所示的电路,这时灯L1,灯L2.(填“不发光”或“发光”)灯L1和L2是联.在图中电流流过的导线上标出电流方向,并在右图框内画出相应的电路图.11分S1S2L2L1S1S2L2L1L1S2S1L2图328.按图5所示的电路,在右画线框内出相应的电路图.5分29.根据图7-1-11所示电路将所给元件连接起来.5分L1L2S2S1图5

1、当您付费下载文档后,您只拥有了使用权限,并不意味着购买了版权,文档只能用于自身使用,不得用于其他商业用途(如 [转卖]进行直接盈利或[编辑后售卖]进行间接盈利)。
2、本站所有内容均由合作方或网友上传,本站不对文档的完整性、权威性及其观点立场正确性做任何保证或承诺!文档内容仅供研究参考,付费前请自行鉴别。
3、如文档内容存在违规,或者侵犯商业秘密、侵犯著作权等,请点击“违规举报”。

碎片内容

九年级物理 第4周双休日自主学习试卷试卷

雨丝书吧+ 关注
实名认证
内容提供者

乐于和他人分享知识,从事历史教学,热爱教育,高度负责。

相关文档

确认删除?
VIP
微信客服
  • 扫码咨询
会员Q群
  • 会员专属群点击这里加入QQ群
客服邮箱
回到顶部