电脑桌面
添加小米粒文库到电脑桌面
安装后可以在桌面快捷访问

山东省莱芜市中考物理模拟试卷二试卷VIP免费

山东省莱芜市中考物理模拟试卷二试卷_第1页
1/23
山东省莱芜市中考物理模拟试卷二试卷_第2页
2/23
山东省莱芜市中考物理模拟试卷二试卷_第3页
3/23
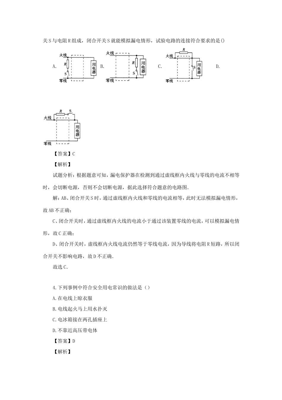
2019年山东省莱芜市中考物理模拟试卷(二)一、单选题1.声音是一种常见的现象,与我们的生活密切相关。以下关于声现象的说法正确的是A.有些高科技产品,不振动也可以发出声音B.“闻其声而知其人”主要是根据声音的响度来判断的C.市区内某些路段“禁鸣喇叭”这是在声音传播的过程中减弱噪音D.用超声波能粉碎人体内的“结石”说明声波具有能量【答案】D【解析】一切发声体都在振动,A错“闻其声而知其人”主要是根据声音的音色来判断的,B错市区内某些路段“禁鸣喇叭”这是在声音传播的声源处减弱噪音,C错用超声波能粉碎人体内的“结石”说明声波具有能量,D对2.(2分)光的色散说明白光是一种复色光,棱镜对不同色光的偏折程度不同,其中对红光的偏折程度最小,对紫光的偏折程度最大.图中能正确表示白光通过三棱镜发生色散的是A.B.C.D.【答案】B【解析】试题分析:光通过三棱镜时,发生了两次折射,每一次折射红光的偏折程度都最小,对紫光的偏折程度都最大,所以白光经三棱镜后,红光在最上面,紫光在最下方,正确的选项是B。考点:光的色散3.家用漏电保护器是在用电器发生漏电故障或人体触电时实施保护的设备。家庭电路漏电时,通过火线与零线的电流不相等,漏电保护器中有一特殊装置(在图中虚线框内,未画出)检测到这一差异后,便切断电源,起到保护作用。漏电保护器中还有试验电路,由一只开关S与电阻R组成,闭合开关S就能模拟漏电情形,试验电路的连接符合要求的是()A.B.C.D.【答案】C【解析】试题分析:根据题意可知,漏电保护器在检测到通过虚线框内火线与零线的电流不相等时,会切断电源,否则不会切断电源,据此选择符合题意的电路图.解:AB、闭合开关S时,通过虚线框内火线和零线的电流相等,此时无法模拟漏电情形,故AB不正确;C、闭合开关时,通过虚线框内火线的电流小于通过该装置零线的电流,可以模拟漏电情形,故C正确;D、闭合开关时,虚线框内火线电流仍然等于零线电流,因为导线将电阻R短路,所以闭合开关不影响电路,故D不正确.故选C.4.下列事例中符合安全用电常识的做法是()A.在电线上晾衣服B.电线起火马上用水扑灭C.电冰箱接在两孔插座上D.不靠近高压带电体【答案】D【解析】试题分析:安全用电的原则是:不靠近高压带电体(室外、高压线、变压器旁),不接触低压带电体;在电线上晾衣服,此时湿衣服属于导体,非常容易发生触电事故,故选项A错误;生活用水属于导体,电线起火必须切断电源,不能用水扑灭,故选项B错误;电冰箱应接在三孔插座上,是金属外壳与大地连接,防止金属外壳漏电,引起触电事故,故选项C错误;不靠近高压带电体,靠近高压带电体容易发生高压电弧触电和跨步电压触电,故选项D正确.考点:安全用电常识5.已知R1:R2=2:3,将它们接在如图所示电源电压为12V的电路中,闭合S则通过它们的电流之比及它们两端的电压之比是()A.I1:I2=3:2U1:U2=1:1B.I1:I2=3:2U1:U2=3:2C.I1:I2=2:3U1:U2=1:1D.I1:I2=1:1U1:U2=2:3【答案】A【解析】分析:(1)根据电路图可知R1和R2并联在电路中;(2)根据并联电路的特点与欧姆定律答题。解答:两电阻并联在电源上,它们两端的电压相等,都等于电源电压,则它们两端的电压之比,通过它们的电流之比故选A【点睛】本题考查了并联电路的特点及欧姆定律的应用,是一道基础题。6.现有量杯、小酒杯(能浮在量杯中的水面上)、水和形状不规则的小石块,通过实验测石块:①体积,②在水中受到的浮力,③质量,④在水中受到的压强。能完成的是A.①B.①②C.①②③D.①②③④【答案】C【解析】考点:密度的测量。分析:量筒加适量水,测出小石块浸没前后的体积,二者之差就是石头体积。小酒杯浮在量筒中记下体积,小石块放于小酒杯后仍让其浮在量筒下,记下体积,前后两次体积之差就是小石头排开水的体积,根据漂浮,从而算出石头质量。而在水中受到的压强随深度不同而不同,无法测量。7.对图中甲、乙、丙、丁四幅图解释合理的是A.甲:磁场中获得电流B.乙:开关闭合,小磁针N极将向右偏转C.丙:是发电机原理的装置D.丁:开关闭合,将有机械能转化为电能【答案】C【解析】试题分析:A、该实验...

1、当您付费下载文档后,您只拥有了使用权限,并不意味着购买了版权,文档只能用于自身使用,不得用于其他商业用途(如 [转卖]进行直接盈利或[编辑后售卖]进行间接盈利)。
2、本站所有内容均由合作方或网友上传,本站不对文档的完整性、权威性及其观点立场正确性做任何保证或承诺!文档内容仅供研究参考,付费前请自行鉴别。
3、如文档内容存在违规,或者侵犯商业秘密、侵犯著作权等,请点击“违规举报”。

碎片内容

山东省莱芜市中考物理模拟试卷二试卷

您可能关注的文档

;绿洲书城+ 关注
实名认证
内容提供者

从事历史教学,热爱教育,高度负责。

相关文档

确认删除?
VIP
微信客服
  • 扫码咨询
会员Q群
  • 会员专属群点击这里加入QQ群
客服邮箱
回到顶部