电脑桌面
添加小米粒文库到电脑桌面
安装后可以在桌面快捷访问

企业技术文件管理制度VIP免费

企业技术文件管理制度_第1页
1/11
企业技术文件管理制度_第2页
2/11
企业技术文件管理制度_第3页
3/11
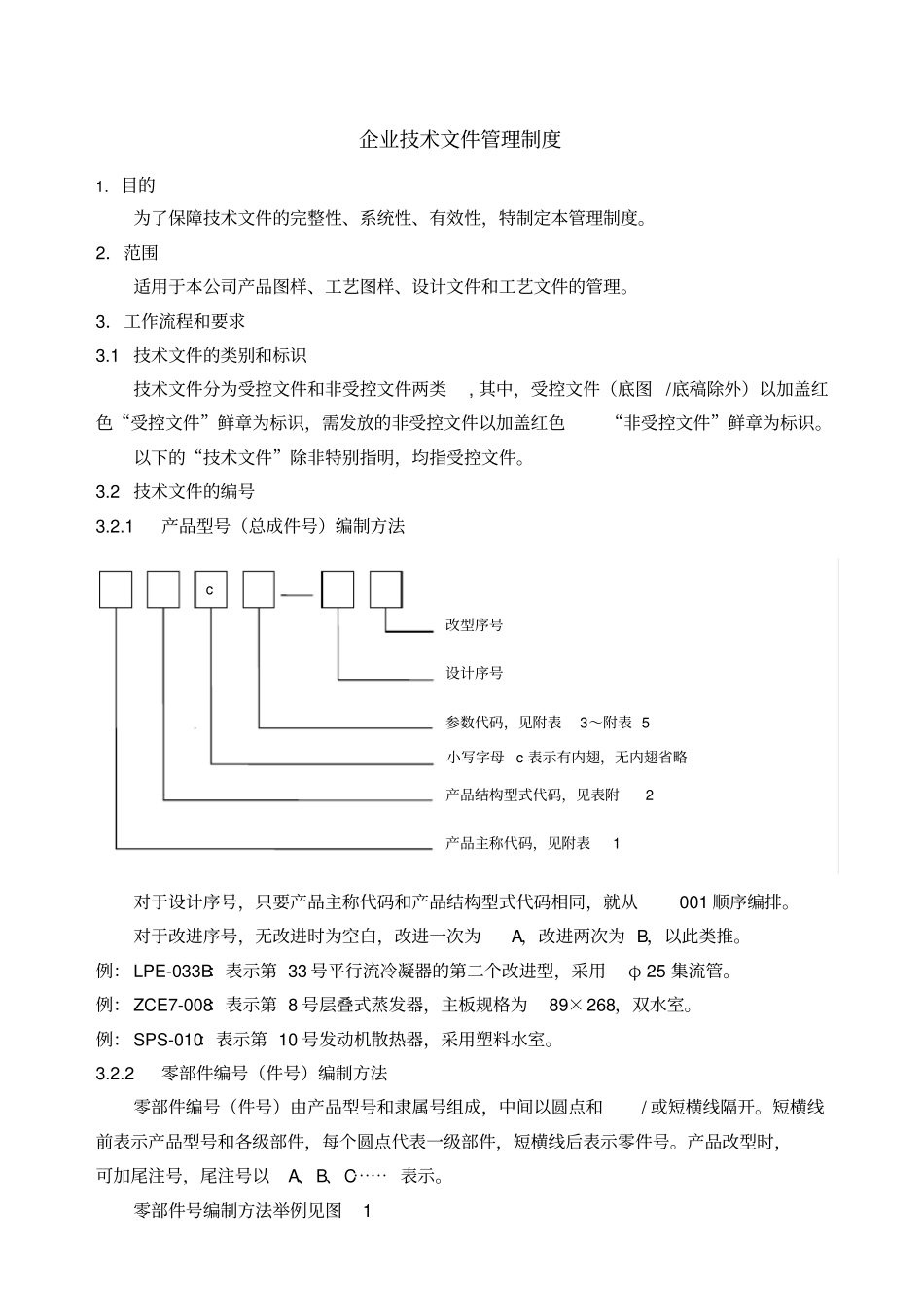
企业技术文件管理制度1.目的为了保障技术文件的完整性、系统性、有效性,特制定本管理制度。2.范围适用于本公司产品图样、工艺图样、设计文件和工艺文件的管理。3.工作流程和要求3.1技术文件的类别和标识技术文件分为受控文件和非受控文件两类,其中,受控文件(底图/底稿除外)以加盖红色“受控文件”鲜章为标识,需发放的非受控文件以加盖红色“非受控文件”鲜章为标识。以下的“技术文件”除非特别指明,均指受控文件。3.2技术文件的编号3.2.1产品型号(总成件号)编制方法对于设计序号,只要产品主称代码和产品结构型式代码相同,就从001顺序编排。对于改进序号,无改进时为空白,改进一次为A,改进两次为B,以此类推。例:LPE-033B:表示第33号平行流冷凝器的第二个改进型,采用φ25集流管。例:ZCE7-008:表示第8号层叠式蒸发器,主板规格为89×268,双水室。例:SPS-010:表示第10号发动机散热器,采用塑料水室。3.2.2零部件编号(件号)编制方法零部件编号(件号)由产品型号和隶属号组成,中间以圆点和/或短横线隔开。短横线前表示产品型号和各级部件,每个圆点代表一级部件,短横线后表示零件号。产品改型时,可加尾注号,尾注号以A、B、C⋯⋯表示。零部件号编制方法举例见图1c改型序号设计序号参数代码,见附表3~附表5小写字母c表示有内翅,无内翅省略产品结构型式代码,见表附2产品主称代码,见附表1图1零部件号编制方法图例3.2.3通用件的编号方法T--顺序号,从01开始顺序编排类别代号+模具序号见(附表10+附表11),例M01...部件名称代号见(附表6)为通用件汉语拼音首字母,表示“通用件”通用件的零部件编号方法同3.2.2。3.2.4技术文件的编号方法a)企业标准的编号方法企业标准的编号由企业标准代号、顺序号、年号三部分组成。Q/ZHED×-××××第三部分表示年号(4位数表示,如:2003)第二部分表示顺序号(用阿拉伯数字,从01开始编产品总成LPG-001总成直属零件1LPG-001-01一级部件1LPG-001.1三级部件2LPG-001.1.1.2一级部件1零件1LPG-001.1-01二级部件1LPG-001.1.1二级部件2LPG-001.1.2二级部件2零件1LPG-001.1.2-01三级部件2零件1LPG-001.1.1.2-01三级部件1零件1LPG-001.1.1.1-01总成直属零件5LPG-001-05三级部件1LPG-001.1.1.1三级部件2零件2LPG-001.1.1.2-02号);第一部分表示企业标准代号(浙江华尔达汽车空调有限公司的企业标准)。例:Q/ZHRD2-2003:表示华尔达公司的第二个企业标准,2003年版b)技术文件和技术管理文件的编号方法技术文件的编号由文件代码、顺序号、年号三部分组成。×××-××××第三部分表示年号(用4位数表示,如:2003);第二部分表示顺序号(用阿拉伯数字,从001开始编号);第一部分表示文件代码(技术文件用“JW”表示,技术管理文件用“JG”表示)。例:JW002-2003表示公司第二个技术文件,2003年版。c)技术协议的编号方法技术协议的编号由产品型号、技术协议代码、顺序号三部分组成。××××-JX-×第三部分表示顺序号(用阿拉伯数字表示,从1开始编号);第二部分表示技术协议代码(“技协”二字的第一个字母);第一部分表示产品型号。例:LPG-003-JX-1表示LPG-003产品的第一个技术协议d)工艺文件的编号方法工艺文件的编号由产品型号、工艺文件特征代号(工艺文件类型代号+工艺方法代号,见附表7)、顺序号三部分组成。××××-××××-×第三部分表示顺序号(用阿拉伯数字表示,从01开始编号);第二部分表示工艺文件特征号(见附表7);第一部分表示产品型号。例:LPG-008-0502-1表示LPG-008产品的第一张机械加工工序卡片e)《技术通知单》、《图纸(文件)更改通知单》的编号方法《技术通知单》、《图纸(文件)更改通知单》的编号由产品型号、顺序号两部分组成。××××××××-××两位阿拉伯数字,表示顺序,从01顺序至99六位阿拉伯数字,表示年月日,后三位为顺序号;“JT”表示《技术通知单》,“JG”表示《图纸(文件)更改通知单》。例:JT0804011-05表示2008年4月11日的第5张《技术通知单》;JG0804020-78表示2008年4月20日的第78张《图纸(文件)更改通知单》3.2.5控制计划和FMEA编号方法××××-×-×...

1、当您付费下载文档后,您只拥有了使用权限,并不意味着购买了版权,文档只能用于自身使用,不得用于其他商业用途(如 [转卖]进行直接盈利或[编辑后售卖]进行间接盈利)。
2、本站所有内容均由合作方或网友上传,本站不对文档的完整性、权威性及其观点立场正确性做任何保证或承诺!文档内容仅供研究参考,付费前请自行鉴别。
3、如文档内容存在违规,或者侵犯商业秘密、侵犯著作权等,请点击“违规举报”。

碎片内容

企业技术文件管理制度

文库响当当+ 关注
实名认证
内容提供者

该用户很懒,什么也没介绍

确认删除?
VIP
微信客服
  • 扫码咨询
会员Q群
  • 会员专属群点击这里加入QQ群
客服邮箱
回到顶部