电脑桌面
添加小米粒文库到电脑桌面
安装后可以在桌面快捷访问

2025年岩石锚喷支护设计计算书VIP免费

2025年岩石锚喷支护设计计算书_第1页
1/9
2025年岩石锚喷支护设计计算书_第2页
2/9
2025年岩石锚喷支护设计计算书_第3页
3/9
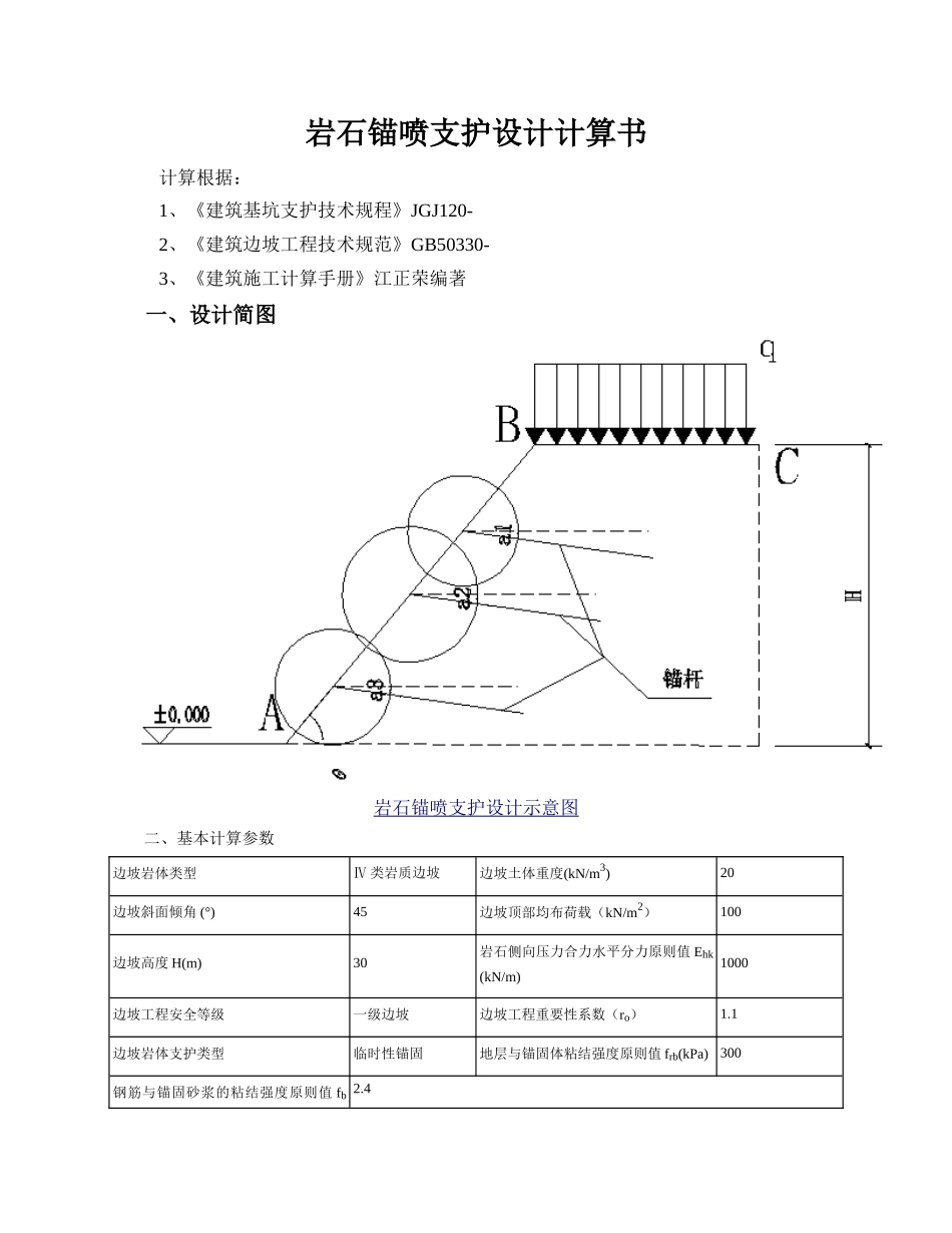
岩石锚喷支护设计计算书计算根据:1、《建筑基坑支护技术规程》JGJ120-2、《建筑边坡工程技术规范》GB50330-3、《建筑施工计算手册》江正荣编著一、设计简图岩石锚喷支护设计示意图二、基本计算参数边坡岩体类型Ⅳ类岩质边坡边坡土体重度(kN/m3)20边坡斜面倾角(°)45边坡顶部均布荷载(kN/m2)100边坡高度H(m)30岩石侧向压力合力水平分力原则值Ehk(kN/m)1000边坡工程安全等级一级边坡边坡工程重要性系数(ro)1.1边坡岩体支护类型临时性锚固地层与锚固体粘结强度原则值frb(kPa)300钢筋与锚固砂浆的粘结强度原则值fb2.4(MPa)三、锚杆设计参数序号锚孔直径D(m)锚固角度α(°)锚杆水平间距sxj(m)锚杆垂直间距syj(m)锚杆材料杆体直径d(mm)锚筋或预应力钢绞线抗拉强度设计值fy(N/mm2)10.132033HRB400钢筋2230020.112033HRB400钢筋2230030.112033HRB400钢筋2230040.112033HRB400钢筋2230050.112033HRB400钢筋2230060.112033HRB400钢筋2230070.112033HRB400钢筋2230080.112033HRB400钢筋2230090.112033HRB400钢筋22300四、岩石锚喷支护设计计算岩质边坡采用锚喷支护时,整体稳定性计算及锚杆计算应符合下列规定:第1层锚杆的计算:1、岩石压力水平分力原则值和锚杆所受水平拉力原则值可按下式计算:ehk=Ehk/H=1000.00/30.00=33.33kN/m2Htk=ehk×sxj×syj=33.33×3.00×3.00=300.00kN2、锚喷支护边坡时,锚杆的轴向拉力承载力原则值和设计值可按下式计算:Nak=Htk/cosα=300.00/cos20=319.25kNNa=rQ×Nak=1.30×319.25=415.03kN3、锚杆的杆体计算:As≥r0×Na/(ζ2×fy)=1.10×415.03/(0.92×300000.00)×1000000=1654.10mm2所需钢筋根数n≥As/(3.142×d×d/4)=1654.10/(3.142×22.00×22.00/4)=4.35取n=5【所需钢筋根数为5根】4、锚杆锚固段长度计算:a.锚杆锚固体与地层的锚固长度la1应满足下式la1≥Nak/(ζ1×π×D×frb)=319.25/(1.33×3.14×0.13×300.00)=1.96mb.锚杆钢筋与锚固砂浆间的锚固长度la2应满足下式规定:la2≥ro×Na/(ζ3×n×π×d×fb)=1.10×415.03/(0.72×5×3.14×22.00/1000×2.40×1000)=0.76m计算出的锚固段长度Lm=max(la1,la2)=1.96m.【按照《建筑边坡工程技术规范》GB50330-7.4.1中构造设计规定第二条规定,岩层锚杆锚固段长度不大于3m时,取3.00m.】第2层锚杆的计算:1、岩石压力水平分力原则值和锚杆所受水平拉力原则值可按下式计算:ehk=Ehk/H=1000.00/30.00=33.33kN/m2Htk=ehk×sxj×syj=33.33×3.00×3.00=300.00kN2、锚喷支护边坡时,锚杆的轴向拉力承载力原则值和设计值可按下式计算:Nak=Htk/cosα=300.00/cos20=319.25kNNa=rQ×Nak=1.30×319.25=415.03kN3、锚杆的杆体计算:As≥r0×Na/(ζ2×fy)=1.10×415.03/(0.92×300000.00)×1000000=1654.10mm2所需钢筋根数n≥As/(3.142×d×d/4)=1654.10/(3.142×22.00×22.00/4)=4.35取n=5【所需钢筋根数为5根】4、锚杆锚固段长度计算:a.锚杆锚固体与地层的锚固长度la1应满足下式la1≥Nak/(ζ1×π×D×frb)=319.25/(1.33×3.14×0.11×300.00)=2.32mb.锚杆钢筋与锚固砂浆间的锚固长度la2应满足下式规定:la2≥ro×Na/(ζ3×n×π×d×fb)=1.10×415.03/(0.72×5×3.14×22.00/1000×2.40×1000)=0.76m计算出的锚固段长度Lm=max(la1,la2)=2.32m.【按照《建筑边坡工程技术规范》GB50330-7.4.1中构造设计规定第二条规定,岩层锚杆锚固段长度不大于3m时,取3.00m.】第3层锚杆的计算:1、岩石压力水平分力原则值和锚杆所受水平拉力原则值可按下式计算:ehk=Ehk/H=1000.00/30.00=33.33kN/m2Htk=ehk×sxj×syj=33.33×3.00×3.00=300.00kN2、锚喷支护边坡时,锚杆的轴向拉力承载力原则值和设计值可按下式计算:Nak=Htk/cosα=300.00/cos20=319.25kNNa=rQ×Nak=1.30×319.25=415.03kN3、锚杆的杆体计算:As≥r0×Na/(ζ2×fy)=1.10×415.03/(0.92×300000.00)×1000000=1654.10mm2所需钢筋根数n≥As/(3.142×d×d/4)=1654.10/(3.142×22.00×22.00/4)=4.35取n=5【所需钢筋根数为5根】4、锚杆锚固段长度计算:a.锚杆锚固体与地层的锚固长度la1应满足下式la1≥Nak/(ζ1×π×D×frb)=319.25/(1.33×3.14×0.11×300.0...

1、当您付费下载文档后,您只拥有了使用权限,并不意味着购买了版权,文档只能用于自身使用,不得用于其他商业用途(如 [转卖]进行直接盈利或[编辑后售卖]进行间接盈利)。
2、本站所有内容均由合作方或网友上传,本站不对文档的完整性、权威性及其观点立场正确性做任何保证或承诺!文档内容仅供研究参考,付费前请自行鉴别。
3、如文档内容存在违规,或者侵犯商业秘密、侵犯著作权等,请点击“违规举报”。

碎片内容

2025年岩石锚喷支护设计计算书

您可能关注的文档

确认删除?
VIP
微信客服
  • 扫码咨询
会员Q群
  • 会员专属群点击这里加入QQ群
客服邮箱
回到顶部