电脑桌面
添加小米粒文库到电脑桌面
安装后可以在桌面快捷访问

2025年数字电路实验报告移位寄存器及其应用VIP专享VIP免费

2025年数字电路实验报告移位寄存器及其应用_第1页
1/8
2025年数字电路实验报告移位寄存器及其应用_第2页
2/8
2025年数字电路实验报告移位寄存器及其应用_第3页
3/8
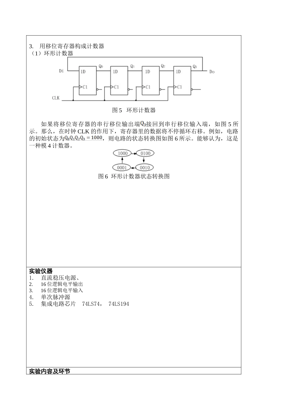
电学实验报告模板电学虚拟仿真实验室实验名称移位寄存器及其应用实验目的1.掌握中规模集成移位寄存器的逻辑功效。2.学习用移位寄存器构成环形计数器的办法。3.掌握运用中规模集成计数器设计电路的办法。实验原理移位寄存器是逻辑电路中的一种重要逻辑部件,它能存储数据,还能够用来实现数据的串行-并行转换、数据的运算和解决。1.寄存器(1)D触发器图1D触发器图1所示D触发器。每来一种CLK脉冲,触发器都在该CLK脉冲的上升沿时刻,接受输入数据D,使之作为触发器的新状态。D触发器的特性方程为(2)用D触发器构成并行寄存器图2用D触发器构成并行寄存器图2所示为用D触发器构成四位并行寄存器。为异步清零控制端,高电平有效。当时,各触发器输出端Q的状态,取决于CLK上升沿时刻的D端状态。2.移位寄存器(1)用D触发器构成移位寄存器图3用D触发器构成4位串行移位寄存器图3所示为用D触发器构成的4位串行移位寄存器。其中左边第一种触发器的输入端接受输入数据,其它的每一种触发器的输入端均与左边相邻的触发器的Q端连接。当时钟信号CLK的上升沿时刻,各触发器同时接受输入数据。四位寄存器的所存数据右移一位。(2)双向移位寄存器74LS194图4双向移位寄存器74LS194逻辑框图图4所示为集成电路芯片双向移位寄存器74LS194逻辑框图。为便于扩展逻辑功效,在基本移位寄存器的基础上增加了左右移控制、并行输入、保持和异步清零等功效。74LS194的逻辑功效如表1所列。表13.用移位寄存器构成计数器(1)环形计数器图5环形计数器如果将移位寄存器的串行移位输出端接回到串行移位输入端,如图5所示。那么,在时钟CLK的作用下,寄存器里的数据将不停循环右移。例如,电路的初始状态为,则电路的状态转换图如图6所示。能够认为,这是一种模4计数器。图6环形计数器状态转换图实验仪器1.直流稳压电源、2.16位逻辑电平输出3.16位逻辑电平输入4.单次脉冲源5.集成电路芯片74LS74,74LS194实验内容及环节1.用两片74LS74构成四位移位寄存器(1)74LS74引脚图图1074LS74引脚图(2)用74LS74构成四位移位寄存器图11用74LS74构成四位移位寄存器实验电路按照图11连接电路。首先设立,使寄存器清零。然后,设立,在CLK输入端输入单次脉冲信号当作时钟信号,通过输出端的发光二极管观察的状态,判断移位的效果。2.测试74LS194的逻辑功效(1)74LS194的引脚图图1174LS194的引脚图(2)测试74LS194的逻辑功效图12测试74LS194的逻辑功效实验电路图12所示为测试74LS194的逻辑功效实验电路。时钟脉冲CLK由单次脉冲发生器提供。输出端分别接到发光二极管。其它输入端均用开关选择其电平。按照表3逐项测试74LS194的逻辑功效。实验成果统计在表2中。表23.用74LS194构成环形计数器图13用74LS194构成环形计数器实验电路按照图13连接电路。首先,置,,在CLK端输入一种单次脉冲,使。然后,置,在CLK端持续输入单次脉冲,使移位器右移。观察和统计的状态变化状况。实验成果及分析1.两片74LS74构成四位移位寄存器Q2、Q3输出移位成果,输入第一次单次脉冲为01,第二次为10,第三次为112.测试74LS194的逻辑功效3.用74LS194构成环形计数器输入单次脉冲,移位器实现了右移功效,且能够循环右移实验结论1.74LS194是4位MSI集成移位寄存器,其中,Q0、Q1、Q2、Q3为数据并行输出端,S1、S0为工作方式控制端,D0、D1、D2、D3为数据并行输入端,DIL为数据左移串行输入端,DIR为数据右移串行输入端,CP为时钟输入端,RD为异步清零端2.如果将移位寄存器的串行移位输出端接回到串行移位输入端,那么,在时钟CLK的作用下,寄存器里的数据将不停循环右移

1、当您付费下载文档后,您只拥有了使用权限,并不意味着购买了版权,文档只能用于自身使用,不得用于其他商业用途(如 [转卖]进行直接盈利或[编辑后售卖]进行间接盈利)。
2、本站所有内容均由合作方或网友上传,本站不对文档的完整性、权威性及其观点立场正确性做任何保证或承诺!文档内容仅供研究参考,付费前请自行鉴别。
3、如文档内容存在违规,或者侵犯商业秘密、侵犯著作权等,请点击“违规举报”。

碎片内容

2025年数字电路实验报告移位寄存器及其应用

您可能关注的文档

确认删除?
VIP
微信客服
  • 扫码咨询
会员Q群
  • 会员专属群点击这里加入QQ群
客服邮箱
回到顶部