电脑桌面
添加小米粒文库到电脑桌面
安装后可以在桌面快捷访问

停办关闭矿山残留矿产资源储量登记书VIP免费

停办关闭矿山残留矿产资源储量登记书_第1页
1/9
停办关闭矿山残留矿产资源储量登记书_第2页
2/9
停办关闭矿山残留矿产资源储量登记书_第3页
3/9
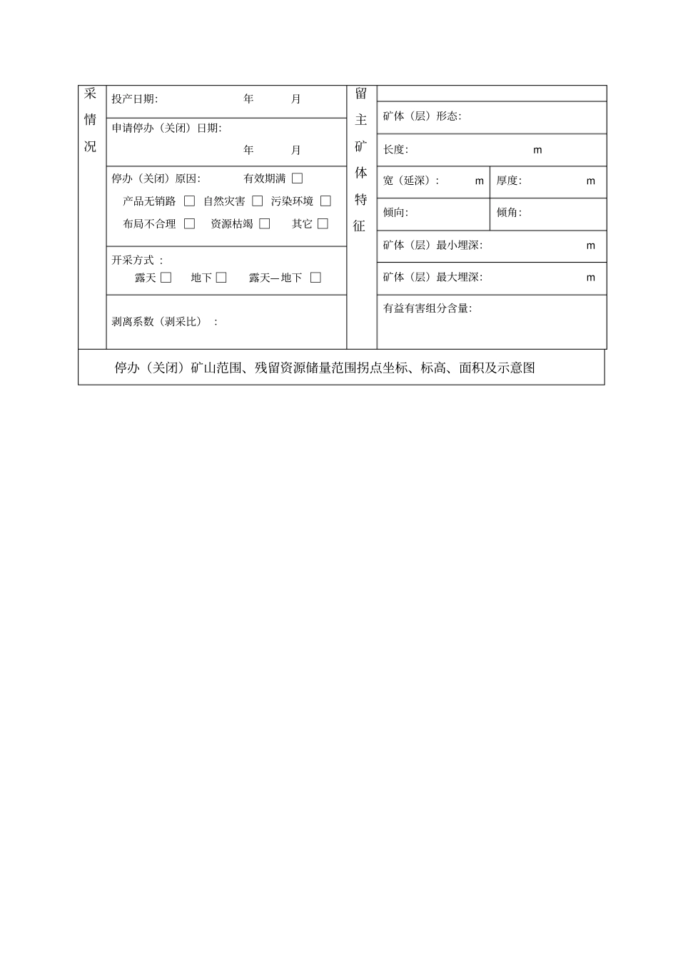
附件3登记号:3停办(关闭)矿山残留矿产资源储量登记书采矿权人:填写人:负责人:(签名或盖章)(签名或盖章)日期:年月日(单位公章)国土资源部监制矿山基本情况采矿权人:闭坑地质报告评审备案情况报告名称:通讯地址:编写单位:邮政编码:报告提交时间:年月电话号码:提交评审原因:--E-mail:地质资料汇交证书号:矿山名称:评审机构:经济类型:评审时间:年月日所属矿区(井田)名称:评审文号:评审结论:评估师:所属矿区(井田)及矿山编号:--备案机关:位于:县城(市)方位,直距:km备案时间:年月日矿山标示坐标:经度(或Y)纬度(或X)备案文号:残留矿体矿体(层)总数:个矿山开生产规模:采矿万吨(万m3)/年选矿万吨(万m3)/年矿体(层)总厚度:m残矿体(层)名称:采情况投产日期:年月留主矿体特征矿体(层)形态:申请停办(关闭)日期:年月长度:m停办(关闭)原因:有效期满□产品无销路□自然灾害□污染环境□布局不合理□资源枯竭□其它□宽(延深):m厚度:m倾向:倾角:矿体(层)最小埋深:m开采方式:露天□地下□露天—地下□矿体(层)最大埋深:m剥离系数(剥采比):有益有害组分含量:停办(关闭)矿山范围、残留资源储量范围拐点坐标、标高、面积及示意图停办(关闭)矿山范围拐点坐标:残留资源储量范围拐点坐标:序号纬度(X)经度(Y)序号纬度(X)经度(Y)1.1.2.2.3.3.4.4.5.5.6.6.┇┇停办(关闭)矿山面积:km2最低标高:m最高标高:m残留资源储量面积:km2最小埋深:m最大埋深:m残留矿产资源储量(资源储量计算截止日期:年月日)矿产名称矿产组合统计对象及单位矿石类型、品级(牌号)及主要组份含量储量基础储量资源量编码数量编码数量编码数量原资源储量登记号:备注:矿产资源储量评审机构核实意见核实意见负责人(公章)(签章):年月日矿产资源储量登记管理机关意见下级管理机关初审意见:负责人(公章)(签章):年月日登记管理机关审定意见:负责人(公章)(签章):年月日停办(关闭)矿山残留矿产资源储量登记书填表说明本登记书适用于登记除石油、天然气、煤层气、地热、矿泉水、地下水及其它气体矿产以外的矿产停办(关闭)矿山时残留的矿产资源储量。本登记书阴影部分由矿产资源储量登记管理机关填写。封面登记号:由矿产资源储量登记管理机关统一编号、填写。采用13位阿拉伯数字。第1位表示矿产资源储量登记书类型,本登记书为停办(关闭)矿山残留矿产资源储量登记书,给定数字3;第2-7位表矿山所在地的县级行政区划代码;第8-9位表示年份;第10位表示办理登记手续的矿产资源储量登记管理机关,国务院矿产资源储量登记管理机关为1,省(区、市)、市(地、州)和县(市、区)人民政府矿产资源储量登记管理机关分别为2、3和4;第11至13位表示本年度内在本矿产资源储量登记管理机关进行停办(关闭)矿山残留矿产资源储量登记的顺序号。该登记号为唯一、永久编号,给定后不再变动;即使第2-7位对应的行政区名称和代码有变化,登记号中的该6位数字仍然不变,其变化前后的对应关系在矿产资源储量登记书、统计表及数据库中设定。采矿权人:填写采矿权的法人单位的名称,以企业工商注册登记的名称为准,填写全称。填写人:填写采矿权人指定或委托的,承担填写工作的人员的姓名(或盖章)。负责人:填写采矿权人法人代表的姓名(或盖章)。日期:填写负责人签字的日期,并加盖公章。一、矿山基本情况采矿权人:填写要求同封面。通讯地址:填写采矿人所在地通讯地址。邮政编码:填写采矿权人所在地邮政编码。电话号码:填写采矿权人的电话区号和电话号码。E-mail:填写采矿权人的电子邮件信箱。矿山名称:填写采矿许可证上所列的矿山名称。经济类型:按《经济类型》(附录二)填写企业登记注册类型。所属矿区(井田)名称:填写采矿权人办理采矿许可证时所依据的地质矿产资源储量报告中使用的矿区(井田)【以下统称矿区】名称。所属矿区(井田)及矿山编号:由矿产资源储量登记管理机关统一编号、填写,由12位数字组成。其中,前9位为矿区编号,【矿区编号的前6位为矿区所在的县(市、区)的行政区划代码,第7至...

1、当您付费下载文档后,您只拥有了使用权限,并不意味着购买了版权,文档只能用于自身使用,不得用于其他商业用途(如 [转卖]进行直接盈利或[编辑后售卖]进行间接盈利)。
2、本站所有内容均由合作方或网友上传,本站不对文档的完整性、权威性及其观点立场正确性做任何保证或承诺!文档内容仅供研究参考,付费前请自行鉴别。
3、如文档内容存在违规,或者侵犯商业秘密、侵犯著作权等,请点击“违规举报”。

碎片内容

停办关闭矿山残留矿产资源储量登记书

您可能关注的文档

确认删除?
VIP
微信客服
  • 扫码咨询
会员Q群
  • 会员专属群点击这里加入QQ群
客服邮箱
回到顶部