电脑桌面
添加小米粒文库到电脑桌面
安装后可以在桌面快捷访问

全息动平衡试验报告讲解VIP免费

全息动平衡试验报告讲解_第1页
1/8
全息动平衡试验报告讲解_第2页
2/8
全息动平衡试验报告讲解_第3页
3/8
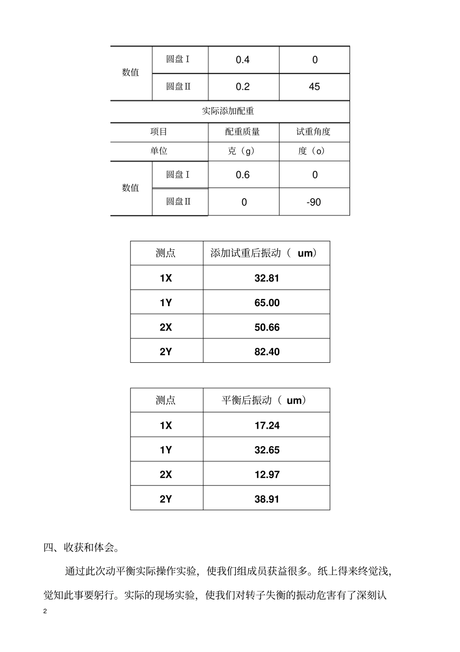
柔性转子全息现场动平衡实验报告一、实验目的巩固转子动平衡知识,加深转子动平衡概念的理解;掌握刚性转子动平衡实验的原理及基本方法。二、实验设备及工具柔性转子现场动平衡实验台,其中包括PC机及其相关采集分析软件,数据采集箱,试重块若干,传感器信号连接线等三、实验原理步骤与方法本实验应用西安交通大学智能仪器与监测诊断研究所自行研制的对称转子全息动平衡系统对平衡转子实验台进行现场数据采集的基础上,进行试重的添加,测试和计算得出不平衡位置所要求添加的不平衡质量和加重位置,然后通过添加配重完成转子动平衡的实验过程。实验步骤如下:1.在平衡转速下测量原始失衡状态的转子振动,获取振动的原始数据及信息;2.停车后在转子左右加重盘上添加试重质量,启动转子到平衡转速,测量并获取添加试重后转子的振动数据及信息;3.停车后除去添加的试重;4.根据前两步测量的振动数据和添加试重大小、方位等信息,计算转子实际平衡配重的大小和方位;5.按照计算结果分别在左右平衡盘上添加平衡配重;6.启动转子到平衡转速,验证平衡效果。注:试验截图便于叙述的情况下,请酌情加入截图在本报告后面给出!结果简要分析及结论:本实验将影响系数法和全息动平衡法相结合,在原始平衡转速下,由不平衡质量产生的离心力引起较强烈的强迫振动响应,基于原始振动数据和初次添加的振动质量,进行影响系数法计算后,再次配重结果如下图所示:1测量面X、Y振动峰峰值配重前后比分别为1.90:1,1.99:1;2测量面X、Y振动峰峰值配重前后比分别为3.91:1,2.12:1。1说明合理配重后,转子不平衡振动情况得到了明显改善。同时,采用影响系数法进行计算分析,可以以较少的试重起车次数获得较好的配重结果。另外,采用全息动平衡法,消除了信号中的噪音,轴心轨迹较为清晰。同时,我们观察到轨迹上有许多突变的尖点,说明有可能存在动静碰面。实验注意事项:1)检验传感器安装和数据线是否正确,以及所有电源是否已经打开。2)检验加重块是否安置正确,加重用的螺丝刀是否放置完好。3)启车时,首先启动右侧的启车按钮,然后再选择升速,注意,右侧有三个档位依次:盘车、启车和停车。4)升速和减速时,速率不能过小,以便与快速冲过临界转速;5)本转子的临界转速为2000r/min,实验转速不宜选择太接近;6)停车时,先减速至盘车转速,再停车,不能直接停车。7)加重时,必须带上手套,并在转子平衡后添加,注意加重块的角度和质量;8)实验完成后,检验加重块是否取下,放置好加重块。清洁好实验台,盖好台布。三、试验记录及结果试验记录及分析结果:测点原始振动(um)1X33.41Y692X52.92Y84.2项目试重质量试重角度单位克(g)度(o)2数值圆盘Ⅰ0.40圆盘Ⅱ0.245实际添加配重项目配重质量试重角度单位克(g)度(o)数值圆盘Ⅰ0.60圆盘Ⅱ0-90测点添加试重后振动(um)1X32.811Y65.002X50.662Y82.40测点平衡后振动(um)1X17.241Y32.652X12.972Y38.91四、收获和体会。通过此次动平衡实际操作实验,使我们组成员获益很多。纸上得来终觉浅,觉知此事要躬行。实际的现场实验,使我们对转子失衡的振动危害有了深刻认3识,对全息动平衡的方法以及影响系数法的优势有了深入的理解。1,通过老师答疑,我们理解了采用全息动平衡法的初衷,即可以避免逐次施加单个传感器造成的信号相干影响,有效获得了转子振动峰峰值的二维图像。2,同样的振动由于传感器放置位置不同,所采集的信号波形也不同,当两个传感器一起在机座上转过一个角度时,合成轴心轨迹的形状没有变化,而且,由于消除了信号的噪音,轨迹也清晰。3,基于影响系数法的配重方案可以迅速有效的找出合理的试重大小和安装相位,有效降低起车次数,这样符合工厂现场动平衡的需要。4,另外,也对测试系统的组成和搭建有了更多了解。附图:4传感器布置示意图(图)备注:图中1、2、3、4和5表示传感器的安装位置,对应的通道数。其中:通道一:电机端轴承截面X方向传感器通道二:电机端轴承截面Y方向传感器通道三:末端轴承截面X方向传感器通道四:末端轴承截面Y方向传感器通道五:键相传感器平衡系统主界面5数据采集界面平衡预处理-选择原始振...

1、当您付费下载文档后,您只拥有了使用权限,并不意味着购买了版权,文档只能用于自身使用,不得用于其他商业用途(如 [转卖]进行直接盈利或[编辑后售卖]进行间接盈利)。
2、本站所有内容均由合作方或网友上传,本站不对文档的完整性、权威性及其观点立场正确性做任何保证或承诺!文档内容仅供研究参考,付费前请自行鉴别。
3、如文档内容存在违规,或者侵犯商业秘密、侵犯著作权等,请点击“违规举报”。

碎片内容

全息动平衡试验报告讲解

确认删除?
VIP
微信客服
  • 扫码咨询
会员Q群
  • 会员专属群点击这里加入QQ群
客服邮箱
回到顶部