电脑桌面
添加小米粒文库到电脑桌面
安装后可以在桌面快捷访问

空调水管支吊架技术交底VIP免费

空调水管支吊架技术交底_第1页
1/8
空调水管支吊架技术交底_第2页
2/8
空调水管支吊架技术交底_第3页
3/8
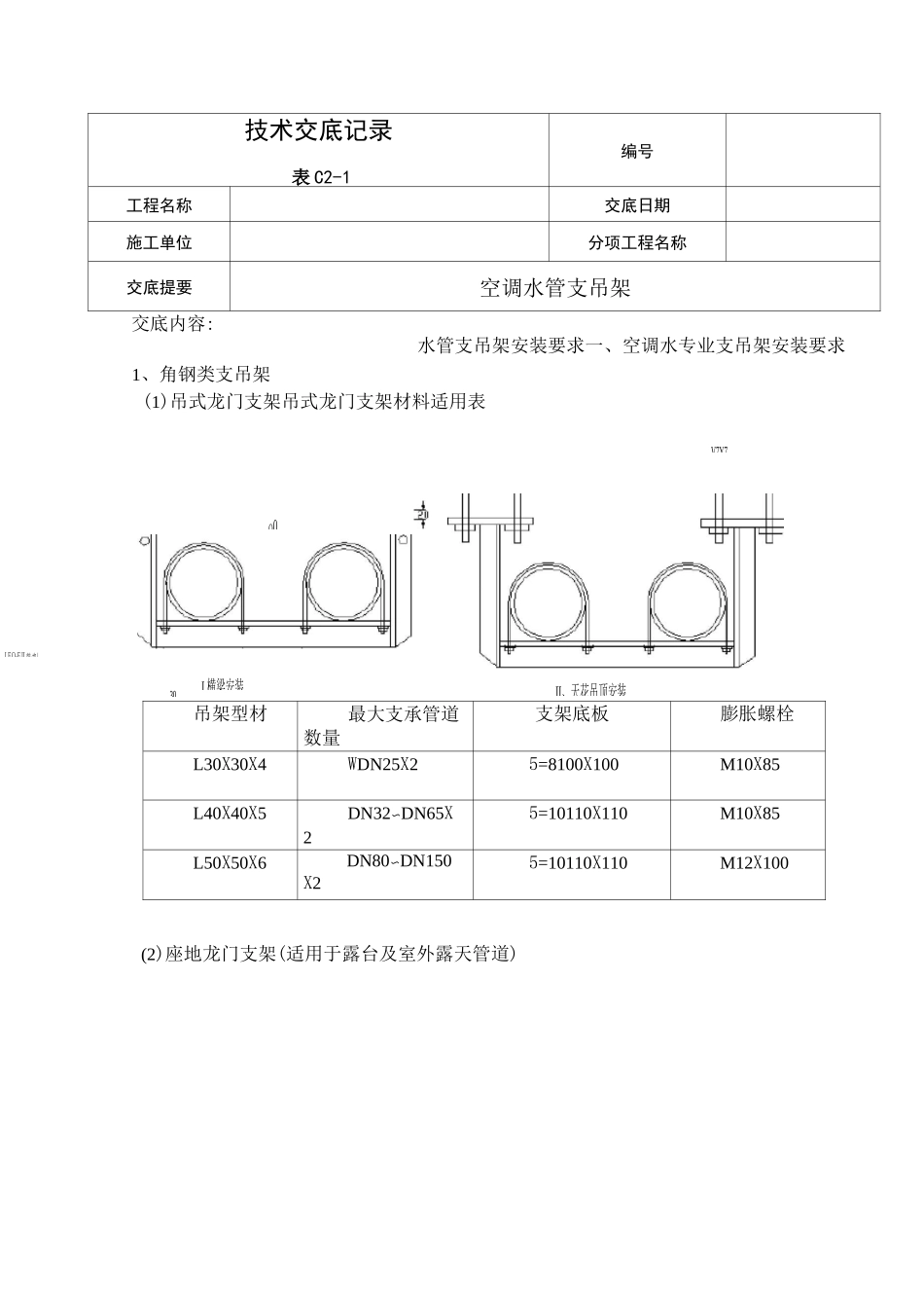
技术交底记录编号表C2-1工程名称交底日期施工单位分项工程名称交底提要空调水管支吊架交底内容:水管支吊架安装要求一、空调水专业支吊架安装要求1、角钢类支吊架(1)吊式龙门支架吊式龙门支架材料适用表吊架型材最大支承管道数量支架底板膨胀螺栓L30X30X4WDN25X25=8100X100M10X85L40X40X5DN32〜DN65X25=10110X110M10X85L50X50X6DN80〜DN150X25=10110X110M12X100(2)座地龙门支架(适用于露台及室外露天管道)o0I,EO-EJI.前-也」30I.横梁安装V7Y7II、天花吊顶安装技术交底记录编号表C2-1工程名称交底日期施工单位分项工程名称交底提要空调水管支吊架座地龙门支架材料适用表吊架型材最大支承管道数量支架底板膨胀螺栓L30X30X4WDN25X25=8100X100M10X85L40X40X5DN32〜DN65X25=10110X110M10X85L50X50X6DN80〜DN150X25=10110X110M12X100(3)挂墙式支架(宜固定在混凝土墙体上和墙体结实的砖墙上)挂墙式支架材料适用表支架型材适用管道膨胀螺栓备注L40X40X5WDN50M10X100适用于I型及空调的冷凝水、冷媒支架L50X50X6DN60~DN100M12X100适用于II型三角型支架型:L型支架(立柱长度与横担长度之比1:1)工程名称施工单位2、槽钢类支吊架(1)吊式龙门支架交底提工程名称施工单位交底日期分项工程名称空调水管支吊架技术交底记录表C2-1编号M—3I:I、横梁安装(一)II、天花吊顶式吊式龙门支架材料适用表(同时适用于座地式)工程名称施工单位墙E套QJr九匚—止水环/hf保温材料填实(不燃材”电焊连接/[固定套"""螺栓技术交底记录编号表C2-1工程名称交底日期施工单位分项工程名称交底提要空调水管支吊架座地龙门支架材料适用表吊架型材最大支承管道数量支架底板膨胀螺栓10#槽钢DN200〜DN250X25=12190X190M12X12012#槽钢DN300〜DN400X25=12210X210M12X1203、空调水管穿楼板卡架安装示意图冷冻(供热)水管保温材料冷冻(供热)水管管穿楼板固定装示意安装示意图具体规格如下图所示:上铺保温材料Ir~nl=M■i钢板密封楼板膨胀螺栓IZDoPiax(kN)02DIHh(kg)7J6.861931131506051.60鹤10«1331的12.142491392(08043.026815K293183J192091942120.5839424425(1Q056,204192594452952733229.405133413皿12010.60565395617临42648.02706496350NOb14.1676055053070.568506204QQ凶22.489507207208297.02108081D450180828.081180技术交底记录编号表C2-1工程名称交底日期施工单位分项工程名称交底提要空调水管支吊架注:1.述鹽:无保躍选当作:如:娥支鼬戢騎保特針;贼支鼬戦和髀联高朋不水于耒申临导向支架(D):關支鼬戦持靦开-定帥耐值,醸应尢于曾報齡移化注:机房内支吊架需按情况另行分析,具体情况须按情况分析,如有需要,另行做技术交底4、水管及支吊架安装时,所有横担、吊耳、及螺栓朝向须一致。横担为角钢时,角钢立面应导角,导角大小为角钢规格长度的一半。(重要,必须以此执行)5、水管吊杆定位时,须使用四线型的红外放线仪进行放线,确保吊杆定位在一条直线上,当无使用条件时,必须弹线进行定位,不得靠肉眼观测对吊架进行定位。(重要,必须以此执行)6、水平弯管在500mm范围内应设置一个支架,支管距干管1200mm范围内应设置一个支架。5、竖井内的立管,每隔2—3层应设导向支架。在建筑结构负重允许的情况下,水平安装管道支、吊架的间距应符合下表的规定:r"iLL丄2,##:Q235-A.诚用枕稠:Gc6-Z/245/18(Gc6垂直詐板支觌Do245P-18ILN).Gc6-D/245/18/2G(Cc6垂直詐板軸支細Do245P=18KNA=20).工程名称技术交底记录表C2-1交底日分项工程名交底提要空调水管支吊架公称直径1520253240507080100125150200250300支架的最大间距L11.52.02.52.53.03.54.05.05.05.56.57.58.59.5L22.53.03.54.04.55.06.06.56.57.57.59.09.510.5对大于300mm的官道可参考300mm官道。L1用于保温管道,L2用于不保温管道。6、管道支、吊架的焊接应由合格持证焊工施焊,并不得有漏焊、欠焊或焊接裂纹等缺陷。支架与管道焊接时,管道侧的咬边量,应小于0.1管壁厚。7、空调水管道与支、吊架之间,应有绝热衬垫(承压强度能满足管道重量的不燃、难燃硬质绝热材料或经防腐处理的木衬垫),其厚度不应小于绝热层厚度,宽度应大于支、吊架支承...

1、当您付费下载文档后,您只拥有了使用权限,并不意味着购买了版权,文档只能用于自身使用,不得用于其他商业用途(如 [转卖]进行直接盈利或[编辑后售卖]进行间接盈利)。
2、本站所有内容均由合作方或网友上传,本站不对文档的完整性、权威性及其观点立场正确性做任何保证或承诺!文档内容仅供研究参考,付费前请自行鉴别。
3、如文档内容存在违规,或者侵犯商业秘密、侵犯著作权等,请点击“违规举报”。

碎片内容

空调水管支吊架技术交底

您可能关注的文档

wxg+ 关注
实名认证
内容提供者

该用户很懒,什么也没介绍

确认删除?
VIP
微信客服
  • 扫码咨询
会员Q群
  • 会员专属群点击这里加入QQ群
客服邮箱
回到顶部