电脑桌面
添加小米粒文库到电脑桌面
安装后可以在桌面快捷访问

凤凰城酒店基坑支护桩施工方案VIP免费

凤凰城酒店基坑支护桩施工方案_第1页
1/35
凤凰城酒店基坑支护桩施工方案_第2页
2/35
凤凰城酒店基坑支护桩施工方案_第3页
3/35
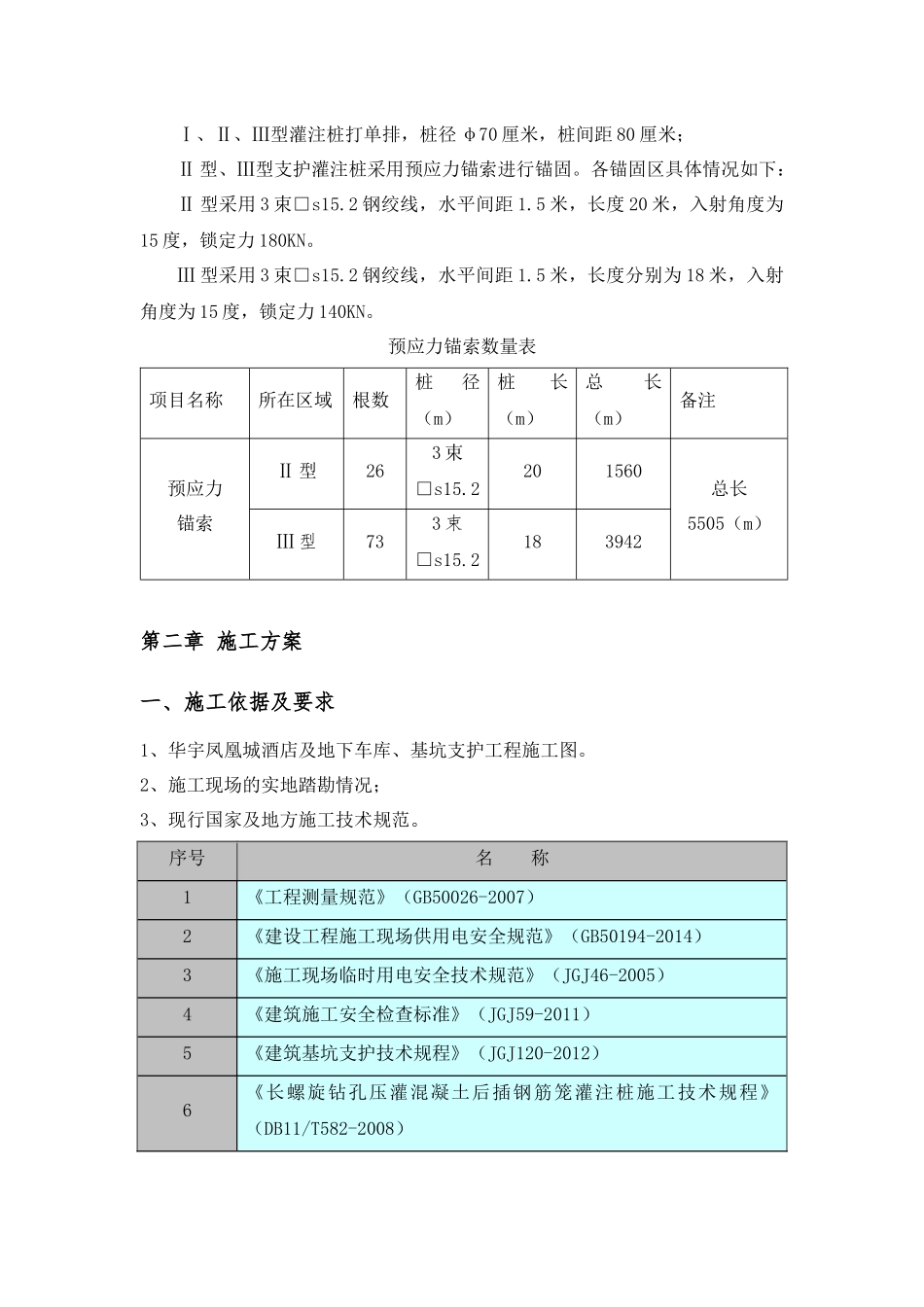
基坑支护桩施工方案第一章工程概述一、工程概况华宇凤凰城酒店及地下车库拟建场地位于西安市未央区三桥路南侧、天台路东侧、西户路北侧,场地地形较平坦,自然地面标高391.30-391.52m。拟建酒店地上11层,地下1层,±0.00标高为391.75m,地基处理采用级配砂石垫层,酒店主楼及裙楼处理厚度1.5m,车库位置处理厚度1.0m。酒店基坑深度为-10.67m,坑底标高381.08m,自然地面下深度为10.22m。车库基坑深度为-10.17m,坑底标高382.58m,自然地面下深度为9.95m。详见平面图。二、周边环境本工程基坑周边环境较复杂,基坑西侧坑底开挖线距离36#商业楼6.7m,该楼±0.00标高为391.65m,地上3层,独立基础,基础埋深-2.60m,基础底面高于本基坑地面以上约7.37m,地基处理采用换土垫层法,处理厚度约1.0m,基坑北侧坑底开挖线距离10#住宅楼3.65m,该楼±0.00标高为393.08m,地上18层,筏板基础,CFG桩复合地基,基底压力设计值280kpa,基础埋深-6.25m,基础底面高于本基坑地面以上约5.25m。基坑南侧坑底线距离供热管道约5.0m,管底埋深约3.3m,顶管井部位深度约6.30m,南侧临路。基坑东侧车库坡道处因现状到路影响暂不施工,该部位有供水管网及10KV电缆,本基坑周边除东侧坡道处以外均无放坡开挖距离,不具备放坡开挖条件。三、岩土工程特征1.场地底层结构据信息产业部电子综合勘察研究院2017年8月勘查成果,组成该场地基坑土层上部主要为填土,其下部为第四系上更新统风积、冲击黄土状土夹透镜状细砂(该夹层局部缺失)。其层序和各层土的特征如下:①填土层:局部为杂填土,以粘性土为主,含少量砖块及建筑生活垃圾,厚度为2.7∽3.1m,层底深埋平均约2.70m。②黄土状土:褐黄色,坚硬∽硬塑,硬塑为主,具大孔、虫孔,可见蜗牛壳残片、零星钙质结构,具湿陷性、中等偏高压缩性。该层在场地内普遍分布。厚度平均约2.50m,层底深埋4.9m∽5.5m。②-1层细砂:灰黄色,稍湿,松散。矿物成分以石英、长石为主,暗色矿物次之,级配不良。该层在场地内部分钻孔缺失普遍分布。厚度平均约0.7m。③黄土状土:褐黄色,硬塑∽可塑,硬塑为主,具大孔、虫孔,可见蜗牛壳残片零星钙质结核。该层在场地内普遍分布。厚度平均约9.1m。④中砂:灰黄色,湿,中密。矿物成分以石英、长石为主,暗色矿物次之,级配不良。该层在场地内普遍分布。厚度平均约6.1∽9.2m.层底埋深22.8m∽24.7m.层底标高367.27∽369.68m。四、支护系统设计情况本工程采用钢筋混凝土灌注桩加预应力锚索,支护钻孔桩采用压顶联系梁连结,加单排锚索锚固,内侧采用挂钢筋网素喷,东岸采用土钉墙的支护体系,灌注桩的位置距离结构外边线1米。灌注桩采用C30砼,北岸桩径φ70厘米,桩间距150厘米,西岸桩径φ70厘米,间距150厘米。工程设计分3型,各型工程数量详见下表:支护灌注桩数据表桩所在区域桩顶高程(m)桩底高程(m)桩长(m)桩根数总长(m)Ⅰ型-2.02-20.051828504Ⅱ型-2.02-17.021526390Ⅲ型-2.02-17.0215731095汇总1271989支护灌注桩C30砼方量共计765.06立方米,钢筋制作安装共计95.637吨;灌注桩桩顶设冠梁,冠梁采用C30砼,高0.6米,宽0.7米,冠梁总长190.5米,砼浇筑为80.01立方米,钢筋制安4.89吨;Ⅰ、Ⅱ、Ⅲ型灌注桩打单排,桩径φ70厘米,桩间距80厘米;Ⅱ型、Ⅲ型支护灌注桩采用预应力锚索进行锚固。各锚固区具体情况如下:Ⅱ型采用3束□s15.2钢绞线,水平间距1.5米,长度20米,入射角度为15度,锁定力180KN。Ⅲ型采用3束□s15.2钢绞线,水平间距1.5米,长度分别为18米,入射角度为15度,锁定力140KN。预应力锚索数量表项目名称所在区域根数桩径(m)桩长(m)总长(m)备注预应力锚索Ⅱ型263束□s15.2201560总长5505(m)Ⅲ型733束□s15.2183942第二章施工方案一、施工依据及要求1、华宇凤凰城酒店及地下车库、基坑支护工程施工图。2、施工现场的实地踏勘情况;3、现行国家及地方施工技术规范。序号名称1《工程测量规范》(GB50026-2007)2《建设工程施工现场供用电安全规范》(GB50194-2014)3《施工现场临时用电安全技术规范》(JGJ46-2005)4《建筑施工安全检查标准》(JGJ59-2011)5《...

1、当您付费下载文档后,您只拥有了使用权限,并不意味着购买了版权,文档只能用于自身使用,不得用于其他商业用途(如 [转卖]进行直接盈利或[编辑后售卖]进行间接盈利)。
2、本站所有内容均由合作方或网友上传,本站不对文档的完整性、权威性及其观点立场正确性做任何保证或承诺!文档内容仅供研究参考,付费前请自行鉴别。
3、如文档内容存在违规,或者侵犯商业秘密、侵犯著作权等,请点击“违规举报”。

碎片内容

凤凰城酒店基坑支护桩施工方案

您可能关注的文档

确认删除?
VIP
微信客服
  • 扫码咨询
会员Q群
  • 会员专属群点击这里加入QQ群
客服邮箱
回到顶部