电脑桌面
添加小米粒文库到电脑桌面
安装后可以在桌面快捷访问

钻完井工程设计方案VIP专享VIP免费

钻完井工程设计方案_第1页
1/42
钻完井工程设计方案_第2页
2/42
钻完井工程设计方案_第3页
3/42
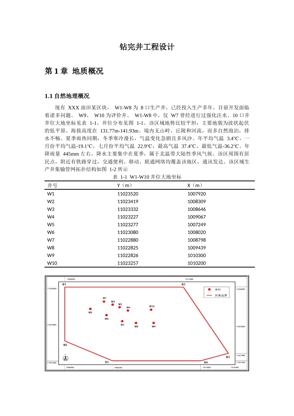
作品简介本次钻完井设计研究目标为以直井W10为基础钻一孔侧向水平井,且要求穿过靶点1和靶点2,难点在于靶点1、靶点2与直井W10不在一个平面内。本设计在完成设计要求的前提下提出了一套有效、安全、经济的设计方案。(1)井眼轨道设计侧井采用两段式井眼剖面轨道,绘制了井眼剖面图。(2)井身结构设计设计了满足压力约束条件的井身结构,绘制了井身结构示意图(3)钻井液设计选择了各井段钻井液体系,确定了各井段钻井液配置,针对储层性质,提出了完井液的储保护措施(4)钻柱设计钻具组合必须满足剖面设计要求,以充分提高钻井速度。(5)机械破碎参数设计适应地层特点,提高效率。(6)固井与完井设计得到各层套管固井设计结果,确定了各层套管固井施工程序。(7)HSE要求确定了HSE管理体系中有关健康、安全、环保的有关要求。钻完井工程设计第1章地质概况1.1自然地理概况现有XXX油田某区块,W1-W8为8口生产井,已经投入生产多年,目前开发面临着诸多问题。W9、W10为评价井。W1-W8中,仅W7曾经进行过强化注水。10口井井位大地坐标见表1-1,井位分布见图1-1。该区域地势比较平坦,主要地貌为波状起伏的低平原,海拔高度在131.77m-141.93m。境内无山岭、丘陵和河流,而多自然泡泊,排水不畅。夏季雨热同期,冬季寒冷漫长,气温变化急剧且多风沙。年平均气温3.4℃,一月份平均气温-19.1℃,七月份平均气温22.9℃,最高气温37.4℃,最低气温-36.2℃。年降雨量445mm左右,降水主要集中在夏季,属于北温带大陆性季风气候。该区周围有居民点,附近有铁路穿过,交通便利。移动、联通网络均覆盖该地区,通讯发达。该区域生产井集输管网拓扑结构如图1-2所示表1-1W1-W10井位大地坐标井号Y(m)X(m)W1110235201007920W2110234191008309W3110233321008646W4110232271009067W5110232771007249W6110230801008020W7110228801008798W8110228251009439W9110228261010300W10110232571010200图1-1XXX油田某区块井位分布图图1-2W1-W8集输管网拓扑结构示意图1.2区域地质概况1.2.1地层分层本区钻遇地层自上而下划分为第四系和白垩系,缺失第三系地层。白垩系地层从上到下还可分为A、B、C、D、E、F六个地层详细的地层厚度及岩性岩相描述如下(自上而下):(1)第四系地层:厚度55-90m,主要岩性为粉砂与杂色砂砾层,河流相;(2)白垩系A1层:厚度78-196m,主要岩性为灰绿、紫红色泥岩、粉砂质泥岩,滨湖相;(3)白垩系A2层:厚度97-165m,主要岩性为灰绿色泥岩、粉砂质泥岩与灰色泥质粉砂岩,半深-浅湖相;(4)白垩系B层:厚度90-170m,主要岩性为灰绿色泥岩、紫红色泥岩、粉砂岩与紫灰色泥质粉砂岩,河流相;(5)白垩系C1层:厚度92-160m,主要岩性为紫红、灰绿色泥岩、灰色泥质粉砂岩和粉砂岩,河流-滨湖相;(6)白垩系C2层:厚度100-170m,主要岩性为灰黑色泥岩,夹紫红色泥岩及灰色粉砂岩、泥质粉砂岩,滨湖-浅湖相;(7)白垩系C3层:厚度72-150m,主要岩性为黑灰色泥岩、泥质粉砂岩与棕灰、灰色粉砂岩和细砂岩,半深-深湖相;(8)白垩系C4层:厚度94-121m,主要岩性为灰黑泥岩和含油页岩,半深-深湖相;(9),;(10)白垩系D1层:厚度79-120m,主要岩性为黑灰色泥岩、泥质粉砂岩,滨浅湖相;(11)白垩系D2层:厚度95-130m,主要岩性为绿灰色泥岩与棕色粉砂质泥岩,三角洲相;(12)白垩系E1层:厚度199-358m,主要岩性为灰黑、深灰色泥岩、泥质粉砂岩,滨浅湖相;(13)白垩系E2层:厚度52-80m,主要岩性为黑色泥岩,半深-深湖相;(14)白垩系F1层:厚度70-100m,主要岩性为灰色泥岩、灰色泥质粉砂岩,河流-滨浅湖相;(15)白垩系F2层:厚度至少370m,主要岩性为粉砂质泥岩与灰色泥质粉砂岩,河流-滨浅湖相。1.2.2构造特征本区块主要构造类型为背斜。构造的西翼地层倾角约为5°,东翼地层倾角约为3°。区域内主要发育正断层。断裂活动主要分为两期,主要从以下方面做出阐述:(1)断裂走向区块断裂走向自下而上总体趋势有些类似,主要以北西向为主,倾向以北东向为主,少部分断层倾向为北西向。(2)断裂密度区块断裂密度自上而下是逐渐增大的。第一期断裂活动断裂密度较大,一般在...

1、当您付费下载文档后,您只拥有了使用权限,并不意味着购买了版权,文档只能用于自身使用,不得用于其他商业用途(如 [转卖]进行直接盈利或[编辑后售卖]进行间接盈利)。
2、本站所有内容均由合作方或网友上传,本站不对文档的完整性、权威性及其观点立场正确性做任何保证或承诺!文档内容仅供研究参考,付费前请自行鉴别。
3、如文档内容存在违规,或者侵犯商业秘密、侵犯著作权等,请点击“违规举报”。

碎片内容

钻完井工程设计方案

确认删除?
VIP
微信客服
  • 扫码咨询
会员Q群
  • 会员专属群点击这里加入QQ群
客服邮箱
回到顶部