电脑桌面
添加小米粒文库到电脑桌面
安装后可以在桌面快捷访问

联产工程主厂房工程屋面彩色金属板安装工程施工组织设计方案(DOC11页)VIP免费

联产工程主厂房工程屋面彩色金属板安装工程施工组织设计方案(DOC11页)_第1页
1/9
联产工程主厂房工程屋面彩色金属板安装工程施工组织设计方案(DOC11页)_第2页
2/9
联产工程主厂房工程屋面彩色金属板安装工程施工组织设计方案(DOC11页)_第3页
3/9
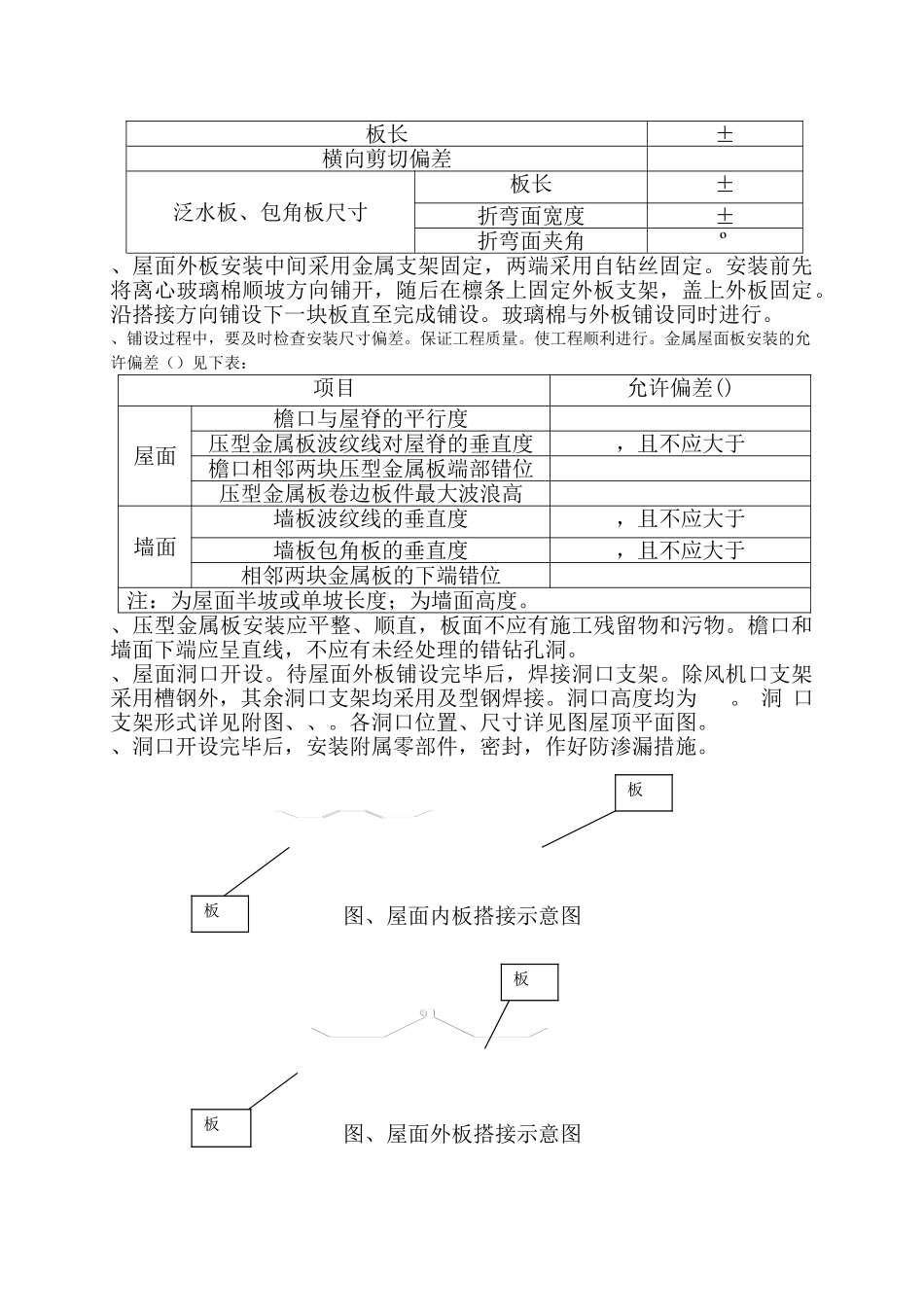
屋面彩色金属板施工方案一、工程概况:本工程为某电子热电联产主厂房工程,工程位于北京酒仙桥东路,建筑面积平方米,结构形式:钢结构。屋面工程分为:燃机房屋面、汽轮发电机房屋面、余热锅炉房屋面三部分。屋面板采用双层彩图压型金属板(外板为;内板为)中间填充75mm厚离心玻璃棉。屋面排水形式为:单向内排水;排水坡度:。二、编制依据:主厂房屋面工程施工图()、屋面檩条布置图、屋面板布置图;《钢结构工程施工质量验收规范》;《建筑屋面工程施工质量验收规范》等。三、工艺流程:施工准备——→天沟安装、屋面预留洞口位置确定——→彩板加工(屋面底板由工厂加工,顶板为现场加工)——→彩板吊装(置屋面檩条上顺坡方向放置)——→屋面底板安装——→离心玻璃棉、屋面顶板安装(两者同时进行)——→清理杂物——→附属零部件安装、板缝打胶——→屋面清理、验收四、施工准备:、施工人员配置:电工:人;焊工:人;普工:人。施工工具见下表:另,配置配电箱一个。、当屋面檩条安装完毕后,我方人员方可施工。施工前,须备有足够的电缆线,并预先将手提式电钻、电焊机等所需电源有专业电工接好保证施工能持续进行及安全施工。设备名称规格单位数量安全带普通条提式电钻台手提式切割锯台吊笼自制个电焊机台砂轮切割锯400A台拉铆枪绿林把五、施工方案及施工质量控制:、施工物资进场自检、报验。⑴金属板材及附属材料的规格质量必须符合设计及规范要求。⑵检查出厂合格证和质量检测报告。⑶观察检查:压型金属板基板是否有裂纹,其涂层、镀层是否有可见的裂纹、剥落和擦痕等缺陷,否则视为不合格品。⑷拉线或钢尺检查压型金属板允许尺寸偏差,应符合下表要求:压型金属板允许尺寸偏差项目允许偏差()波距±波高压型钢板截面高度<±截面高度>±侧向弯曲在测量长度的范围内注:为测量长度指板长两端各扣除0.5m后的实际长度。、天沟安装。天沟尺寸及安装做法见附图。安装坡度及尺寸偏差应符合设计要求。、屋面底内采用板。汽机房及燃机房底板顺坡方向分三块安装;余热锅炉房分两块安装(详见屋面板布置图)。施工开始后先将屋面内板吊至屋顶顺坡分垛放置在檩条上,每垛不应超过三张,禁止将材料放置在不固定的檩条上固定好。、安装内板时,将吊笼悬挂于檩条上,用卡锁锁好,检查吊笼是否牢固可靠。然后施工人员佩戴好安全带,在吊笼内将底板铺于檩条下,调整好后板两端的人先用自钻丝将板两端固定在檩条上,然后中间的人员再固定。该块板施工完毕后扣上防水帽。、移动吊笼,沿檩条方向同样安装其他内板。板与板之间搭接及板在支撑构件上的搭接一定要符合设计及施工规范要求。板与板之间搭接见附图、。金属屋面板在支撑构件上的搭接长度见下表:项目搭接长度()截面高度>截面高度<屋面坡度<屋面坡度>、底板安装完毕后,自检报验。、屋面外板安装。屋面外板采用板。外板与内板之间铺设75mm厚离心玻璃棉作为保温层。由于屋面跨度较大,外板较长(米左右),无法由工厂加工,故采用现场加工。将所需板材、机械运至现场后,自检报验—→机械校核—→板材压制成型—→起重机吊至屋面,然后顺坡分垛放置在檩条上,每垛不应超过三张,禁止将材料放置在不固定的檩条上。外板现场制作允许偏差应符合规范及下表要求:项目允许偏差()压型金属板的覆盖宽度截面高度<截面高度>板长±横向剪切偏差泛水板、包角板尺寸板长±折弯面宽度±折弯面夹角º、屋面外板安装中间采用金属支架固定,两端采用自钻丝固定。安装前先将离心玻璃棉顺坡方向铺开,随后在檩条上固定外板支架,盖上外板固定。沿搭接方向铺设下一块板直至完成铺设。玻璃棉与外板铺设同时进行。、铺设过程中,要及时检查安装尺寸偏差。保证工程质量。使工程顺利进行。金属屋面板安装的允许偏差()见下表:项目允许偏差()屋面檐口与屋脊的平行度压型金属板波纹线对屋脊的垂直度,且不应大于檐口相邻两块压型金属板端部错位压型金属板卷边板件最大波浪高墙面墙板波纹线的垂直度,且不应大于墙板包角板的垂直度,且不应大于相邻两块金属板的下端错位注:为屋面半坡或单坡长度;为墙面高度。、压型金属板安装应平整、顺直,板面不应有施工残...

1、当您付费下载文档后,您只拥有了使用权限,并不意味着购买了版权,文档只能用于自身使用,不得用于其他商业用途(如 [转卖]进行直接盈利或[编辑后售卖]进行间接盈利)。
2、本站所有内容均由合作方或网友上传,本站不对文档的完整性、权威性及其观点立场正确性做任何保证或承诺!文档内容仅供研究参考,付费前请自行鉴别。
3、如文档内容存在违规,或者侵犯商业秘密、侵犯著作权等,请点击“违规举报”。

碎片内容

联产工程主厂房工程屋面彩色金属板安装工程施工组织设计方案(DOC11页)

您可能关注的文档

海纳百川+ 关注
实名认证
内容提供者

热爱教学事业,对互联网知识分享很感兴趣

确认删除?
VIP
微信客服
  • 扫码咨询
会员Q群
  • 会员专属群点击这里加入QQ群
客服邮箱
回到顶部