电脑桌面
添加小米粒文库到电脑桌面
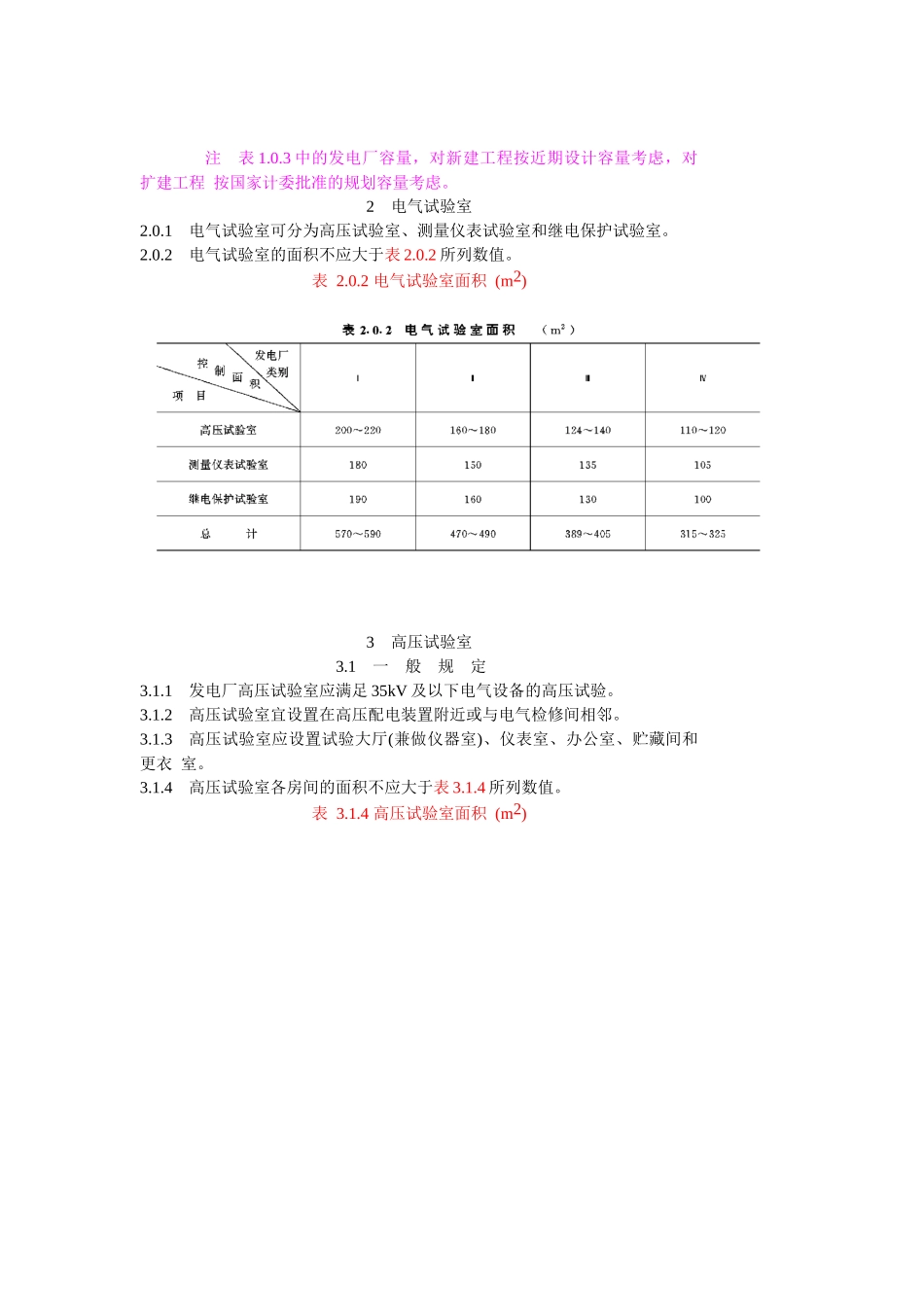
安装后可以在桌面快捷访问

电气试验室国标VIP专享VIP免费

电气试验室国标_第1页
1/40
电气试验室国标_第2页
2/40
电气试验室国标_第3页
3/40
火力发电厂电气试验室设计标准DesignStandardforElectricalLaboratoryofThermalPowerPlantDL/T5043—95主编部门:电力工业部东北电力设计院批准部门:电力工业部施行日期:1995年12月1日关于颁发电力行业标准DL/T5043—95《火力发电厂电气试验室设计标准》的通知电技[1995]506号各电管局,各省、自治区,直辖市电力局,电力规划设计总院,各有关单位:《火力发电厂电气试验室技术标准》等两项电力行业标准,经审查通过,批准为推荐性标准,现予发布。其编号、名称如下:DL/T5043—95火力发电厂电气试验室设计标准DL/T5044—95火力发电厂、变电所直流系统设计技术规定以上标准自1995年12月1日起实施。请将执行中的问题和意见告电力规划设计总院,并抄送部标准化领导小组办公室。中华人民共和国电力工业部1995年8月11日1总则1.0.1为贯彻国家的基本建设方针和执行有关技术经济政策,统一火力发电厂(以下简称发电厂)电气试验室的设计标准,并贯彻技术先进、经济合理、使用和维护方便的原则,特制订本标准。1.0.2本标准适用于单机容量为50~600MW新建或扩建的发电厂。1.0.3本标准将发电厂分为表1.0.3所列的四类。表1.0.3发电厂的类别注表1.0.3中的发电厂容量,对新建工程按近期设计容量考虑,对扩建工程按国家计委批准的规划容量考虑。2电气试验室2.0.1电气试验室可分为高压试验室、测量仪表试验室和继电保护试验室。2.0.2电气试验室的面积不应大于表2.0.2所列数值。表2.0.2电气试验室面积(m2)3高压试验室3.1一般规定3.1.1发电厂高压试验室应满足35kV及以下电气设备的高压试验。3.1.2高压试验室宜设置在高压配电装置附近或与电气检修间相邻。3.1.3高压试验室应设置试验大厅(兼做仪器室)、仪表室、办公室、贮藏间和更衣室。3.1.4高压试验室各房间的面积不应大于表3.1.4所列数值。表3.1.4高压试验室面积(m2)注“其它”系指当高压试验室配有光线录波器,油色谱分析仪等设备时,相应配备的专用房间。3.1.5高压试验大厅,在无特殊要求时,层高不宜小于6.5m;应设置适当的屏蔽,并应设有单轨或单梁起吊设备及搬运门。3.1.6高压试验大厅应设试验电源箱,并应设有可靠、方便的接地端子。3.2设备配置3.2.1高压试验室设备定额见表3.2.1。表3.2.1火力发电厂高压试验室设备定额续表3.2.1续表3.2.14测量仪表试验室4.1一般规定4.1.1测量仪表试验室宜设置在生产办公楼或其它远离振动、烟尘和强电磁干扰的场所。4.1.2测量仪表试验室应设置标准室、检修间、贮藏室和办公更衣室。4.1.3测量仪表试验室各房间的面积不应大于表4.1.3所列数值。表4.1.3测量仪表试验室面积(m2)4.1.4标准室应装设空调器和去湿机,其温度和湿度应符合仪表检定有关规定的要求。4.1.5测量仪表试验室的设备配置,应能满足检定0.5级测量仪表(包括电能计量仪表)的需要。4.2设备配置4.2.1测量仪表试验室设备定额见表4.2.1。表4.2.1火力发电厂测量仪表试验室设备定额续表4.2.1续表4.2.15继电保护试验室5.1一般规定5.1.1继电保护试验室应设置试验室、仪表室、检修间和办公更衣室。其位置宜靠近主控制室或网络控制室或继电器室。5.1.2在主控制室或网络控制室或继电器室,应设存放保护试验车及笨重仪器的小室或场所。5.1.3继电保护试验室面积不应大于表5.1.3所列数值。表5.1.3继电保护试验室面积(m2)5.1.4仪表室应通风良好,并有防潮措施。5.1.5继电保护试验室的仪表配置,应满足在电厂完成高压及低压线路保护、母线保护、各种主设备保护、厂用电保护、各种电气自动装置的调整试验,以及二次回路运行维护的需要。应配备必要的试验仪表,对常用仪表应在数量上或品种上考虑几个调试组同时工作的需要。5.1.6对微机型和集成电路型的复杂保护,应配置微机型的多功能保护试验装置;对于晶体管型、整流型和电磁型复杂保护,应配置组合式多功能保护试验装置(车);对于简单保护应配置小型的继电器综合试验装置。同时,还应配备必要的通用仪表及其他调试设备。5.1.7对具有光纤、微波、特高频等新型保护装置及特殊的系统安全自动装置的发电厂,可根据需要增设必要的试验设备。5.2设备配置5.2.1继电保护试验室设备定额见表5.2.1。表5.2.1火力发电厂继电...

1、当您付费下载文档后,您只拥有了使用权限,并不意味着购买了版权,文档只能用于自身使用,不得用于其他商业用途(如 [转卖]进行直接盈利或[编辑后售卖]进行间接盈利)。
2、本站所有内容均由合作方或网友上传,本站不对文档的完整性、权威性及其观点立场正确性做任何保证或承诺!文档内容仅供研究参考,付费前请自行鉴别。
3、如文档内容存在违规,或者侵犯商业秘密、侵犯著作权等,请点击“违规举报”。

碎片内容

电气试验室国标

海纳百川+ 关注
实名认证
内容提供者

热爱教学事业,对互联网知识分享很感兴趣

确认删除?
VIP
微信客服
  • 扫码咨询
会员Q群
  • 会员专属群点击这里加入QQ群
客服邮箱
回到顶部