电脑桌面
添加小米粒文库到电脑桌面
安装后可以在桌面快捷访问

脚手架施工组织设计方案(城南)(DOC12页)VIP免费

脚手架施工组织设计方案(城南)(DOC12页)_第1页
1/9
脚手架施工组织设计方案(城南)(DOC12页)_第2页
2/9
脚手架施工组织设计方案(城南)(DOC12页)_第3页
3/9
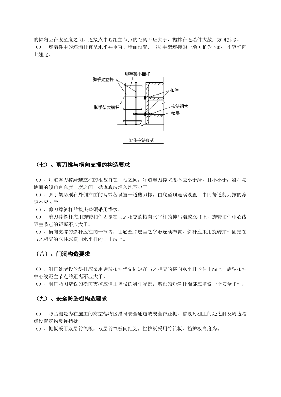
城南新区青海湖农场住宅小区工程脚手架工程专项施工方案目录一、工程概况我公司承建的城南新区青海湖农场住宅小区、、楼住宅工程,总建筑面积为平方米,砖混结构地下一层(层高米),地上六层(层高米),檐口高米,女儿墙高米,建筑物总高度为米。主体每层设置现浇圈梁及抗震柱,厨房、阴阳台、卫生间为钢筋混凝土现浇结构,其他楼层板为预制预应力空心板。根据工程地质报告,建筑所在处场地土层具Ⅱ级自重湿陷性。基础底标高为。基础采用钢筋混凝土条形基础,下为厚:灰土垫层。为确保施工安全,结合结构形式,工程采用双排落地扣件式钢管脚手架,钢管脚手架封闭施工四周满挂绿色密目网,起到减少施工灰尘外扬和美化施工环境的作用,脚手架分段挂牌验收,合格后方可使用。脚手架搭设总高度为。二、构架材料的技术要求(一)、钢管杆件钢管杆件包括立杆、大横杆、小横杆、剪刀撑、斜撑等,钢管采用φ,壁厚的焊接钢管。钢管的材质选用钢,用于立杆、大横杆、剪刀撑和斜杆的钢管长度为左右,这样的长度一般为左右,适合人工操作,用于小横杆的长度为,以适应脚手架宽度及操作的要求。(二)、扣件和底座扣件的基本形式有直角扣件、旋转扣件、对接扣件,其材质为可锻铸铁,其质量符合《可锻铸铁分类及技术条件》的规定。扣件的附件符合钢的质量要求。底座采用预制砼底座××。上部设直径φ圆眼,深度,底砼找平厚。(三)、脚手板(片)脚手板(片)采用竹制脚手板(片),宽度,长度,要求竹片不得有开裂、腐朽。踢脚板采用高竹制板或木板。三、施工方案(一)、排、步、柱距选用脚手架排距选用,步距选用,最大柱距选用,连墙件每两步三跨设一点,横向水平杆间距宜选用纵距的。(二)、立柱构造要求立柱接头除在顶层可采用搭接外,其余各接头必须采用对接扣件对接,对接、搭接应符合要求:()、立柱上的对接扣件应交错布置,两个相邻立柱接头在高度方向错开的距离不应小于;各接头中心距主节点的距离不应大于步距的。()、立柱的搭接长度不应小于,不少于两个旋转扣件固定,端部扣件盖板的边缘至杆端距离不应小于。(三)、纵向水平杆构造要求()、纵向水平杆设置在横向水平杆之上,并以直角扣件扣紧在横向水平杆上。纵向水平杆在操作层的间距不宜大于。()、纵向水平杆的长度一般不宜小于跨,并不小于。()、纵向水平杆一般宜采用对接扣件连接,也可采用搭接,对接接头应交错布置,不应设在同步、同跨内,相邻接头水平距离不应小于,并应避免设在纵向水平杆的跨中。搭接接头长度不应小于,并应等距设置三个旋转扣件固定,端部扣件盖板边缘至杆端的距离不应小于。(四)、横向水平杆的构造要求双排架的横向水平杆两端采用直角扣件固定在立柱上,靠墙一侧的外伸长度不应大于。(五)、竹笆脚手板的构造要求()、竹笆板主筋应垂直于纵向水平杆方向铺设,应采用对接平铺,四个脚应用直径为的镀锌钢丝固定在纵向水平杆上。()、自顶层操作层的脚手片往下计,主体施工时每二层满铺脚手片,待进入装饰工程时每层满铺一层竹脚手片。()、防护棚处必须铺双层竹脚手片。(六)、连墙件布置及构造要求()、连墙件应采用花排均匀布置,连墙件宜靠近主节点设置,并采用刚性节点,偏离主节点的距离不应大于。()、连墙件垂直间距、水平间距一般不应大于,连墙件必须从底步第一根纵向水平杆处开始设置,当该处设置有困难时,应采用其它可靠措施固定。()、当脚手架下部不能设连墙件时可采用抛撑,抛撑应采用通长杆件与脚手架可靠连接,与地面的倾角应在度至度之间,连接点中心距主节点的距离不应大于,抛撑在连墙件大赦后方可拆除。()、连墙件中的连墙杆宜呈水平并垂直于墙面设置,与脚手架连接的一端可稍为下斜,不容许向上翘起。(七)、剪刀撑与横向支撑的构造要求()、每道剪刀撑跨越立柱的根数宜在—根之间。每道剪刀撑宽度不应小于跨,且不小于,斜杆与地面的倾角宜在度—度之间,抛撑底端埋入地不少于。()、脚手架必须在外侧立面的两端各设置一道剪刀撑,由底至顶连续设置;中间每道剪刀撑的净距不应大于。()、剪刀撑斜杆的接头必须采用搭接。()、剪刀撑斜杆应用旋转...

1、当您付费下载文档后,您只拥有了使用权限,并不意味着购买了版权,文档只能用于自身使用,不得用于其他商业用途(如 [转卖]进行直接盈利或[编辑后售卖]进行间接盈利)。
2、本站所有内容均由合作方或网友上传,本站不对文档的完整性、权威性及其观点立场正确性做任何保证或承诺!文档内容仅供研究参考,付费前请自行鉴别。
3、如文档内容存在违规,或者侵犯商业秘密、侵犯著作权等,请点击“违规举报”。

碎片内容

脚手架施工组织设计方案(城南)(DOC12页)

确认删除?
VIP
微信客服
  • 扫码咨询
会员Q群
  • 会员专属群点击这里加入QQ群
客服邮箱
回到顶部