电脑桌面
添加小米粒文库到电脑桌面
安装后可以在桌面快捷访问

电力集团某大型电气配件企业钳工岗位说明书VIP免费

电力集团某大型电气配件企业钳工岗位说明书_第1页
1/2
电力集团某大型电气配件企业钳工岗位说明书_第2页
2/2
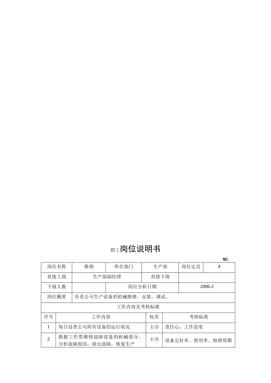
钳工岗位说明书NO.岗位名称维修所在部门生产部岗位定员4直接上级生产部副经理直接下级下级人数岗位分析日期2006-2岗位概要负责公司生产设备的机械维修、安装、调试。工作内容及考核标准序号工作内容权责考核标准1每日巡查公司所有设备的运行状况主办责任心、工作态度2根据工作票维修故障设备的机械部分,分析故障原因,排出故障,恢复生产主办设备完好率、使用率、修理周期3新购设备的机械安装、调试、试运行主办工作效率4定期查看故障设备的运行状况,做好日常维护主办责任心5其他临时交办的工作任务协办工作态度、积极性工作条件及协调1.工作环境:生产现场(噪声、有害接触、高空作业)2.工作时间:8小时工作制,有时随业务情况变化3.工作中所需设备:4.工作协调:内部:生产车间、特变任职资格要求1.知识初中以上学历,具备一定的机械专业知识2.技能具备一定的协调和分析处理问题的能力、能正确使用工具3.职业素养责任感、胆大心细、敬业精神、团队协作4.工作经验需5年以上相关工作经验5.所需业务、技能培训机械基础知识、钳工基础知识6.其它审核:批准:

1、当您付费下载文档后,您只拥有了使用权限,并不意味着购买了版权,文档只能用于自身使用,不得用于其他商业用途(如 [转卖]进行直接盈利或[编辑后售卖]进行间接盈利)。
2、本站所有内容均由合作方或网友上传,本站不对文档的完整性、权威性及其观点立场正确性做任何保证或承诺!文档内容仅供研究参考,付费前请自行鉴别。
3、如文档内容存在违规,或者侵犯商业秘密、侵犯著作权等,请点击“违规举报”。

碎片内容

电力集团某大型电气配件企业钳工岗位说明书

您可能关注的文档

确认删除?
VIP
微信客服
  • 扫码咨询
会员Q群
  • 会员专属群点击这里加入QQ群
客服邮箱
回到顶部