电脑桌面
添加小米粒文库到电脑桌面
安装后可以在桌面快捷访问

采煤方法改革设计说明书VIP免费

采煤方法改革设计说明书_第1页
1/51
采煤方法改革设计说明书_第2页
2/51
采煤方法改革设计说明书_第3页
3/51
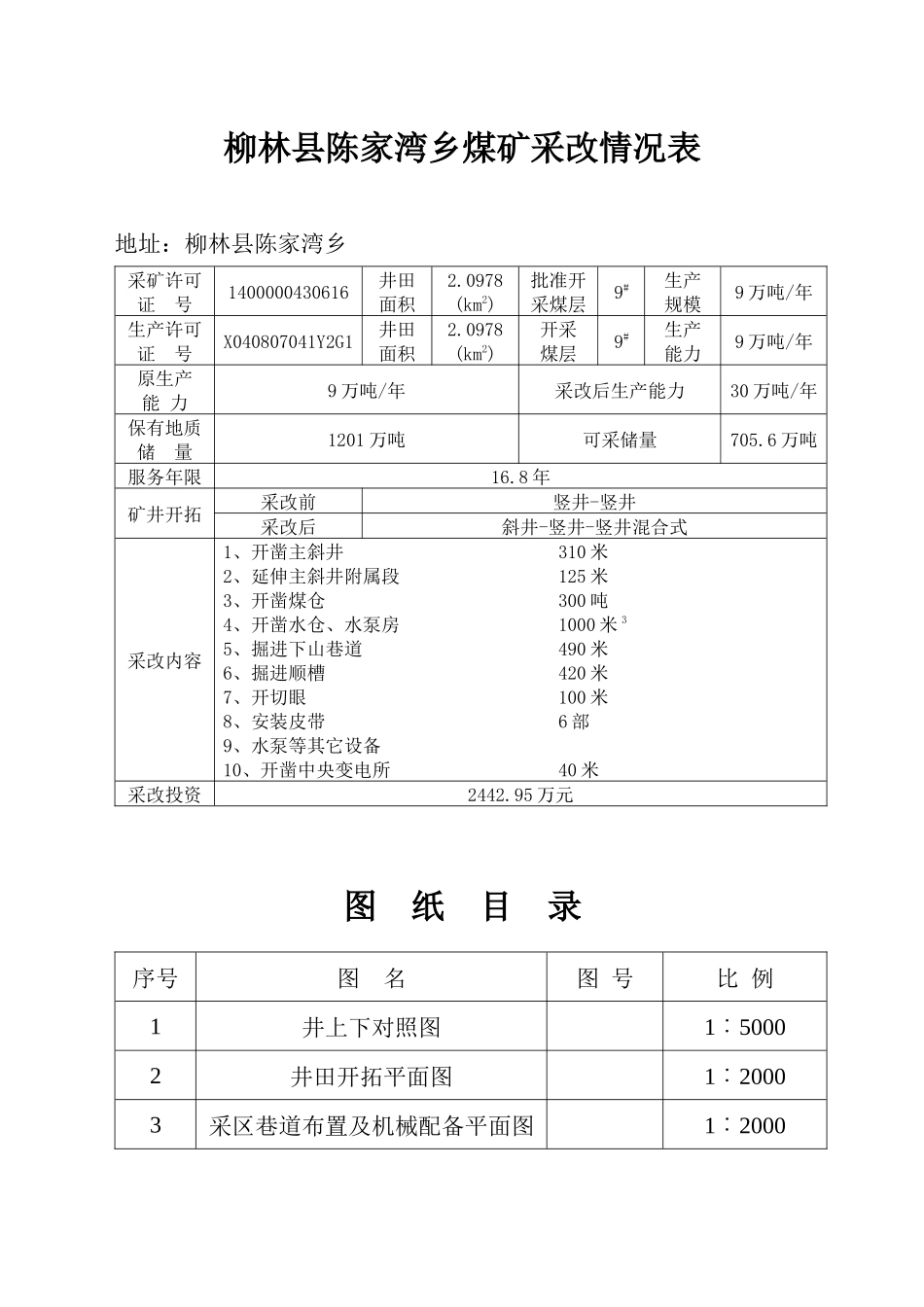
柳林县陈家湾乡煤矿采煤方法改革设计说明书生产能力:300Kt/a所长:刘拴亮总工:刘俊保项目负责人:王建生吕梁地区煤炭设计研究所二00四年十二月柳林县陈家湾乡煤矿采改情况表地址:柳林县陈家湾乡采矿许可证号1400000430616井田面积2.0978(km2)批准开采煤层9#生产规模9万吨/年生产许可证号X040807041Y2G1井田面积2.0978(km2)开采煤层9#生产能力9万吨/年原生产能力9万吨/年采改后生产能力30万吨/年保有地质储量1201万吨可采储量705.6万吨服务年限16.8年矿井开拓采改前竖井-竖井采改后斜井-竖井-竖井混合式采改内容1、开凿主斜井310米2、延伸主斜井附属段125米3、开凿煤仓300吨4、开凿水仓、水泵房1000米35、掘进下山巷道490米6、掘进顺槽420米7、开切眼100米8、安装皮带6部9、水泵等其它设备10、开凿中央变电所40米采改投资2442.95万元图纸目录序号图名图号比例1井上下对照图1︰50002井田开拓平面图1︰20003采区巷道布置及机械配备平面图1︰20004通风系统图1︰20005井上下供电系统图6回采工艺布置图78910前言根据国家“资源整合、关小建大”的战略布置,坚持“提高一批、规范一批、关闭一批”的原则,坚决遏制重特大事故的发生,矿方为合理规划,正规开采,实现规模化生产,建成规模型、效益型、系统型的企业,委托我所编制采煤方法改革设计方案。一、编制依据1、煤矿开采设计的有关手册及国家的有关法律、法规、规程等。2、吕行发(2004)28号《关于煤矿停产整顿复产验收的实施方案》。3、矿方提供的有关图纸、资料和井下实测资料。4、根据柳安监字[2002]41号文件。二、设计的指导思想设计在贯彻执行煤炭工业政策、法规、条例的前提下,以经济效益、安全生产为中心,以促进区域经济的发展为目标,以矿井资源条件、开发条件为基础,以市场需求为导向,本着“规范设计,正规开采,提高效率,改善矿井安全状况”的原则,为矿井安全高效生产创造良好的条件,力争使该矿改造工程达到工程量省、投资少、工期短、见效快的目的,通过采煤方法改革把煤矿建设成用人少、效率高、成本低、环境效益好的环保型企业。三、设计的主要内容1、根据政策,改造井下运输系统。2、进行采煤方法改革的设计,减少资源浪费,解放生产力。3、本着“整体规划,正规开采,重点设计”的原则,以“一矿、一井、一采、两掘”为出发点进行设计。4、利用已开凿的主斜井(已基本临近煤层),后期调整运输和通风系统。第一章矿井基本情况一、地理概况陈家湾乡煤矿位于柳林县陈家湾乡下寺头村,在柳林县县城东南直距约11km处,地理坐标为:东经110º54′40″——110º00′52″,北纬37º21′28″——37º22′45″距孝柳铁路穆村站19km,距307国道13km,东山矿区循环公路经过该矿区,交通较为便利。(见交通位置图)该矿区西邻张家社煤矿,东靠陈家湾村煤矿,南依郭家山、狮尾沟联营煤矿,北为风氧化带尖灭区。二、企业概况该矿于1988年经山西省煤炭资源委员会晋煤资字[1988]第237号批准筹建,2000年投产,属乡办集体企业。批准井田面积2.0978km2,批准开采9#煤层,采矿许可证号1400000430616,生产规模30万吨/年。生产许可证号X040807041Y2G1,核准生产能力9万吨/年。该矿地质构造为单斜构造,简单且稳定,煤层平均厚度5.2m。据山西省煤炭地质公司提交的地质报告知,该矿现保有地质储量1201万吨,可采储量705.6万吨,若生产能力按30万吨/年计算,服务年限16.8年,虽然服务年限较短,但该矿以南郭家山和狮尾沟联营矿均属集团公司煤矿,目前该两矿都在开采上组煤,根据公司整体部署,决定把这两个矿长2500米,宽360米的下组煤整合给陈家湾乡煤矿,这样就解决了该矿服务年限短的大问题。第二章矿井开采条件一、地质构造井田位于鄂尔多斯盆地东部边缘,河东煤田中部,大地构造位置处于华北地块之次级构造单元河东凹块之中。区域构造为一单斜构造,地层倾向南西,倾角3—12º。本井田构造简单,总体上为向西南倾斜的单斜构造,地层倾角3—12º,井田内发现有氧化带及陷落柱等构造,在今后井下开采中应注意隐伏和陷落的线索,预防事故的发生。二、含煤地层井田内含煤地层主要是二叠系下统山西组和石炭系上统太原组的地层,现...

1、当您付费下载文档后,您只拥有了使用权限,并不意味着购买了版权,文档只能用于自身使用,不得用于其他商业用途(如 [转卖]进行直接盈利或[编辑后售卖]进行间接盈利)。
2、本站所有内容均由合作方或网友上传,本站不对文档的完整性、权威性及其观点立场正确性做任何保证或承诺!文档内容仅供研究参考,付费前请自行鉴别。
3、如文档内容存在违规,或者侵犯商业秘密、侵犯著作权等,请点击“违规举报”。

碎片内容

采煤方法改革设计说明书

确认删除?
VIP
微信客服
  • 扫码咨询
会员Q群
  • 会员专属群点击这里加入QQ群
客服邮箱
回到顶部