电脑桌面
添加小米粒文库到电脑桌面
安装后可以在桌面快捷访问

酒店楼层工作间(布草间)通用示意图及说明VIP免费

酒店楼层工作间(布草间)通用示意图及说明_第1页
1/7
酒店楼层工作间(布草间)通用示意图及说明_第2页
2/7
酒店楼层工作间(布草间)通用示意图及说明_第3页
3/7
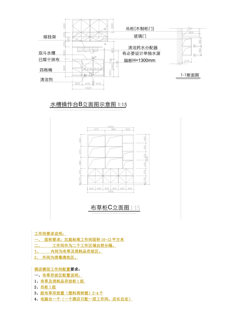
楼层工作间示意图及其说明单层客房数30间标准工作间示意图A、平面图B、立面图工作间要求说明:一、面积要求:汉庭标准工作间面积10-12平方米二、工作间作为二个工作区域自然分隔。1、内间为布草及消耗品存放区。2、外间为消毒清洗区。酒店楼层工作间配置要求:一、布草存放区配置说明:1、布草及消耗品存放柜1组2、吊柜1组3、脏布草存放筐(塑料周转筐)2-4个4、电脑台一个(一个酒店只配一层工作间,店长自定)二、清洗消毒区配置说明:1、清洗台安装双斗不锈钢水槽一组2、操作台一组,下置垃圾桶3、物品吊柜一组4、双层杯架一组5、清洁剂分配器一个6、杯具消毒柜一个7、抹布架一个8、拖把池一个(与清洗池之间必须有隔板间隔,如清洗消毒区放置不下可另寻地点)单层客房数大于30间非标准工作间示意图A、平面图B、立面图非标准工作间要求说明:一、单层客房数高于30间的,而楼层工作间面积过小无法满足消毒清洗、储藏需求的,设置为清洗消毒间,布草间可在通道和其它可行区域另寻设置。二、面积要求:5至6平方米三、清洗消毒区配置说明:1、清洗台一组,安装双斗不锈钢水槽一组2、操作台一组,下置垃圾桶3、物品吊柜一组4、双层杯架一组5、清洁剂分配器一个6、杯具消毒柜一个7、抹布架一个8、拖把池一个(与清洗池之间必须有隔板间隔,如清洗消毒区放置不下可另寻地点)单层客房数小于30间非标准工作间示意图1、清洗消毒间示意图A、平面图B、立面图2、布草存放间示意图A、平面图B、立面图非标准工作间要求说明:一、单层客房数低于30间的,而楼层工作间面积过小无法满足消毒清洗、储藏需求的,可隔层设置一层为布草存放间、隔层为清洗消毒间二、面积要求:4.5至6平方米三、布草存放间配置说明:1、布草及消耗品存放柜1组2、吊柜1组3、脏布草存放筐(塑料周转筐)2-4个4、电脑台一个(一个酒店只配一层工作间,店长自定)四、清洗消毒间配置说明:1、清洗台一组,安装双斗不锈钢水槽一组2、操作台一组,下置垃圾桶3、物品吊柜一组4、双层杯架一组5、清洁剂分配器一个6、杯具消毒柜一个7、抹布架一个8、拖把池一个(与清洗池之间必须有隔板间隔,如清洗消毒区放置不下可另寻地点)

1、当您付费下载文档后,您只拥有了使用权限,并不意味着购买了版权,文档只能用于自身使用,不得用于其他商业用途(如 [转卖]进行直接盈利或[编辑后售卖]进行间接盈利)。
2、本站所有内容均由合作方或网友上传,本站不对文档的完整性、权威性及其观点立场正确性做任何保证或承诺!文档内容仅供研究参考,付费前请自行鉴别。
3、如文档内容存在违规,或者侵犯商业秘密、侵犯著作权等,请点击“违规举报”。

碎片内容

酒店楼层工作间(布草间)通用示意图及说明

您可能关注的文档

墨香书阁+ 关注
实名认证
内容提供者

热爱教学事业,对互联网知识分享很感兴趣

确认删除?
VIP
微信客服
  • 扫码咨询
会员Q群
  • 会员专属群点击这里加入QQ群
客服邮箱
回到顶部