电脑桌面
添加小米粒文库到电脑桌面
安装后可以在桌面快捷访问

电力变压器安装交底记录VIP免费

电力变压器安装交底记录_第1页
1/16
电力变压器安装交底记录_第2页
2/16
电力变压器安装交底记录_第3页
3/16
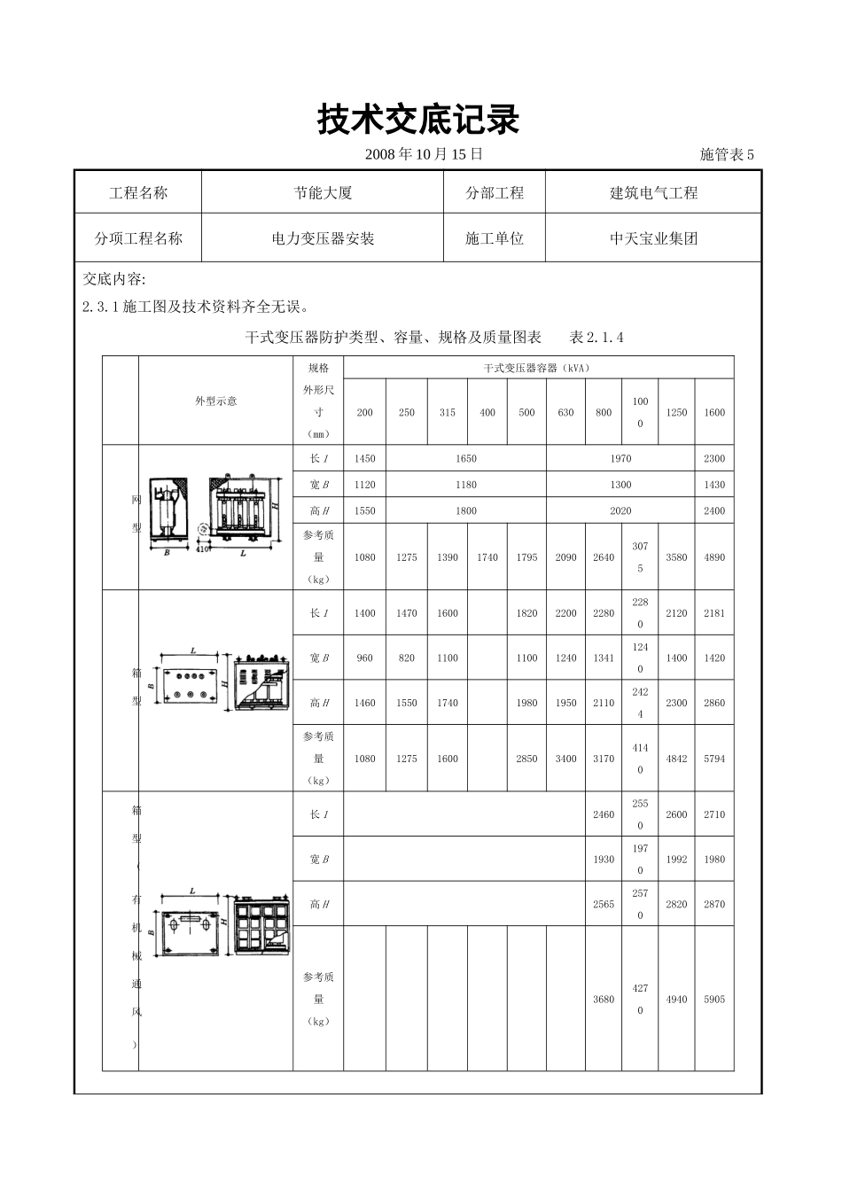
技术交底记录2008 年 10 月 15 日施管表 5工程名称节能大厦分部工程建筑电气工程分项工程名称电力变压器安装施工单位中天宝业集团交底内容:依据标准:《建筑工程施工质量验收统一标准》GB50300-2001《建筑电气工程施工质量验收规范》GB50303-20021、范围本工艺标准适用于一般工业与民用建筑电气安装工程 10kV 及以下室内变压器安装。2、施工准备2.1 设备及材料要求:2.1.1 变压器应装有铭牌。铭牌上应注明制造厂名、额定容量,一二次额定电压,电流,阻抗电压%及接线组别等技术数据。2.1.2 变压器的容量,规格及型号必须符合设计要求。附件、备件齐全,并有出厂合格证及技术文件。2.1.3 干式变压器的局放试验 PC 值及噪音测试器 dB(A)值应符合设计及标准要求。2.1.4 带有防护罩的干式变压器,防护罩与变压器的距离应符合标准的规定,不小于表 2.1.4 的尺寸。2.1.5 型钢:各种规格型钢应符合设计要求,并无明显锈蚀。2.1.6 螺栓:除地脚螺栓及防震装置螺栓外,均应采用镀锌螺栓,并配相应的平垫圈和弹簧垫。2.1.7 其它材料:蛇皮管,耐油塑料管,电焊条,防锈漆,调和漆及变压器油,均应符合设计要求,并有产品合格证。2.2 主要机具:2.2.1 搬运吊装机具:汽车吊,汽车,卷扬机,吊链,三步搭,道木,钢丝绳,带子绳,滚杠。2.2.2 安装机具:台钻,砂轮,电焊机,气焊工具,电锤,台虎钳,活扳子、鎯头,套丝板。2.2.3 测试器具:钢卷尺,钢板尺,水平,线坠,摇表,万用表,电桥及试验仪器。2.3 作业条件:交底单位接收单位交 底 人接 收 人技术交底记录2008 年 10 月 15 日施管表 5工程名称节能大厦分部工程建筑电气工程分项工程名称电力变压器安装施工单位中天宝业集团交底内容:2.3.1 施工图及技术资料齐全无误。干式变压器防护类型、容量、规格及质量图表表 2.1.4外型示意规格外形尺寸(mm)干式变压器容器(kVA)200250315400500630800100012501600网型长 11450165019702300宽 B1120118013001430高 H1550180020202400参考质量(kg)1080127513901740179520902640307535804890箱型长 1140014701600182022002280228021202181宽 B9608201100110012401341124014001420高 H146015501740198019502110242423002860参考质量(kg)108012751600285034003170414048425794箱型(有机械通风)长 12460255026002710宽 B1930197019921980高 H2565257028202870参考质量(kg)3680427049405905交底单位接收单...

1、当您付费下载文档后,您只拥有了使用权限,并不意味着购买了版权,文档只能用于自身使用,不得用于其他商业用途(如 [转卖]进行直接盈利或[编辑后售卖]进行间接盈利)。
2、本站所有内容均由合作方或网友上传,本站不对文档的完整性、权威性及其观点立场正确性做任何保证或承诺!文档内容仅供研究参考,付费前请自行鉴别。
3、如文档内容存在违规,或者侵犯商业秘密、侵犯著作权等,请点击“违规举报”。

碎片内容

电力变压器安装交底记录

您可能关注的文档

确认删除?
VIP
微信客服
  • 扫码咨询
会员Q群
  • 会员专属群点击这里加入QQ群
客服邮箱
回到顶部