电脑桌面
添加小米粒文库到电脑桌面
安装后可以在桌面快捷访问

公司电气工艺标准(最新版本)VIP免费

公司电气工艺标准(最新版本)_第1页
1/36
公司电气工艺标准(最新版本)_第2页
2/36
公司电气工艺标准(最新版本)_第3页
3/36
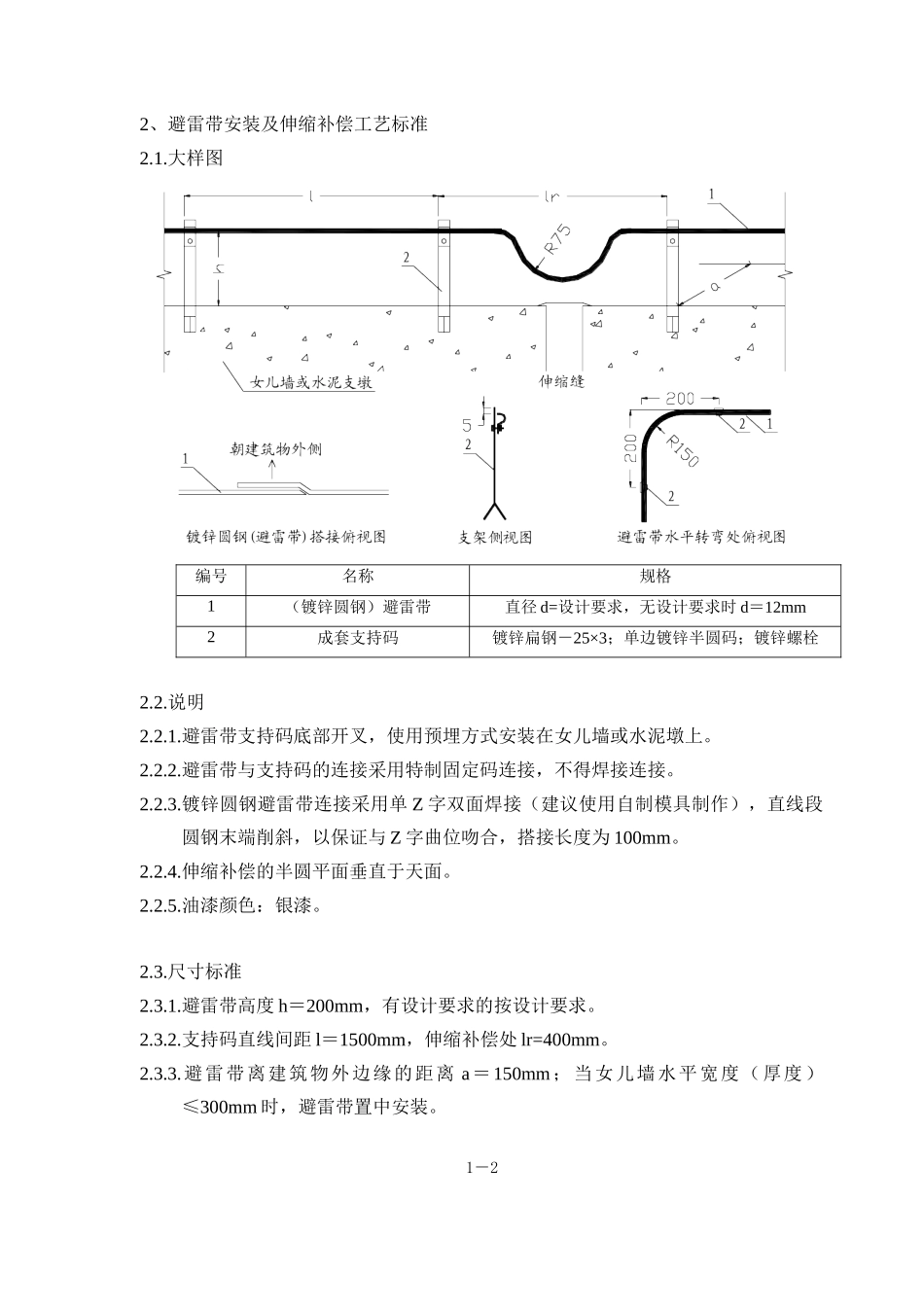
一、天面防雷工艺 1、自制避雷针工艺标准 1.1.大样图编号名称规格1镀锌圆钢避雷针直径 d=设计要求,无设计要求时 d=12mm2圆柱状水泥墩见图:直径 50mm,高度 70mm3防雷引下线见工程设计1.2.说明1.2.1.避雷针与引下线的连接为双面焊接方式,连接处在女儿墙体或结构柱内。1.2.2.油漆颜色:银漆1.3.尺寸标准1.3.1.总高度 H=设计要求,无设计要求时 H=700mm。1.3.2.针尖高度 h=1/10H。1-12、避雷带安装及伸缩补偿工艺标准 2.1.大样图编号名称规格1(镀锌圆钢)避雷带直径 d=设计要求,无设计要求时 d=12mm2成套支持码镀锌扁钢-25×3;单边镀锌半圆码;镀锌螺栓2.2.说明2.2.1.避雷带支持码底部开叉,使用预埋方式安装在女儿墙或水泥墩上。2.2.2.避雷带与支持码的连接采用特制固定码连接,不得焊接连接。2.2.3.镀锌圆钢避雷带连接采用单 Z 字双面焊接(建议使用自制模具制作),直线段圆钢末端削斜,以保证与 Z 字曲位吻合,搭接长度为 100mm。2.2.4.伸缩补偿的半圆平面垂直于天面。2.2.5.油漆颜色:银漆。2.3.尺寸标准2.3.1.避雷带高度 h=200mm,有设计要求的按设计要求。2.3.2.支持码直线间距 l=1500mm,伸缩补偿处 lr=400mm。2.3.3.避雷带离建筑物外边缘的距离 a=150mm;当女儿墙水平宽度(厚度)≤300mm 时,避雷带置中安装。1-23、 天面管道等电位跨接工艺标准 3.1.大样图编号名称规格编号名称规格1接地卡码-25×3 镀锌扁钢4跨接线-25×3 镀锌扁钢或16mm2裸编织铜线2联结线≥φ10 镀锌圆钢3阀体金属法兰连接5非法兰连接方式的连接件或阀体3.2.说明3.2.1.天面各系统金属管道由天面进入室内前应通过与天面防雷均压网的联结实现等电位连接,金属管道通过抱箍在管道上的卡码与均压网的焊接实现联结,电气金属槽架和金属风管通过末端支架与均压网的焊接实现联结。3.2.2.非金属阀体、卡箍连接件、橡胶软接、螺栓少于 5 颗的金属法兰及法兰式金属阀体需要作接地跨接。3.2.3.如跨接线选用镀锌扁钢时,应涂黄色和绿色相间条纹,条纹总跨度 50mm。3.2.4.管道与卡码接触的部位不得有油漆;卡码、跨接线油漆颜色:银漆。1-3二、设备房接地安装工艺 1、设备房接地干线安装工艺标准 1.1.大样图编号名称规格编号名称规格1接地干线-40×4 镀锌扁钢3支持码-25×4 镀锌扁钢、M6×20螺栓、M6×65 拉爆螺栓2色标黄绿双色相间4接地支线-25×3 镀锌扁钢5裸编织铜线25mm2,两端带线耳1.2.说明1.2.1.接地干线在设备房墙...

1、当您付费下载文档后,您只拥有了使用权限,并不意味着购买了版权,文档只能用于自身使用,不得用于其他商业用途(如 [转卖]进行直接盈利或[编辑后售卖]进行间接盈利)。
2、本站所有内容均由合作方或网友上传,本站不对文档的完整性、权威性及其观点立场正确性做任何保证或承诺!文档内容仅供研究参考,付费前请自行鉴别。
3、如文档内容存在违规,或者侵犯商业秘密、侵犯著作权等,请点击“违规举报”。

碎片内容

公司电气工艺标准(最新版本)

确认删除?
VIP
微信客服
  • 扫码咨询
会员Q群
  • 会员专属群点击这里加入QQ群
客服邮箱
回到顶部