电脑桌面
添加小米粒文库到电脑桌面
安装后可以在桌面快捷访问

体育馆施工图电气设计说明VIP免费

体育馆施工图电气设计说明_第1页
1/5
体育馆施工图电气设计说明_第2页
2/5
体育馆施工图电气设计说明_第3页
3/5
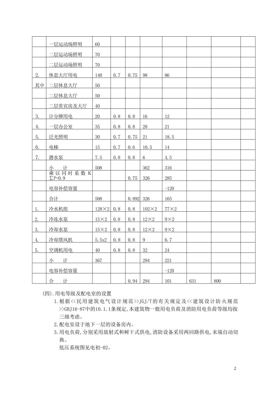
六.电气设计(一).概述1.本设计包括体育馆内部的供配电、电力、照明、电话、扩音、防雷及接地设计。2.根据深圳中学原规划设计,10KV变配电室及变压器已在图书馆建成,体育馆用电从低压屏的两个回路引出,一路供照明,另一路供空调。(二).设计依据1.现行国家规程和标准。2.业主的有关要求。3.有关专业提供的技术资料和要求。(三).供电指标1.总设备容量887KW其中照明508KW空调367KW货梯15KW2.总计算负荷620KW其中:照明326KW空调294KW电梯12KW3.需要系数:0.714.自然平均功率因数:照明:0.75空调:0.85.电容器补偿容量:低压:2x120KVAR6.负荷计算表(见附表)负荷计算表序号用电设备组名称设备容量(KW)需要系数(Kx)功率因数计算负荷备注有功功率(KW)无功功率(KVAR)视在功率(KVA)变压器容量(KVA)一.照明回路1.运动场地照明2600.70.75182160其中一层运动场照明601一层运动场照明60二层运动场照明70二层运动场照明702.休息大厅用电1400.70.759886其中二层休息大厅50二层休息大厅50二层贵宾房及大厅403.计分牌用电200.80.816124.一层办公室350.80.828215.泛光照明300.70.752118.56.电梯150.70.610.5147.潜水泵7.50.80.864.5小计508362316乘以同时系数K∑P=0.90.75326285电容补偿容量-120合计5080.8923261651.冷水机组128×20.80.8102×277×22.冷冻水泵15×20.80.812×29×23.冷却水泵15×20.80.812×29×24.冷却塔风机5.5x20.80.896.75.空调机用电400.80.83224小计367294221电容补偿容量-120合计0.94294101631800(四).用电等级及配电室的设置1.根据<<民用建筑电气设计规范>>JGJ/T的有关规定及<<建筑设计防火规范>>GBJ16-87中的10.1.1条规定,本建筑物一般用电负荷及消防用电负荷等级均按三级考虑。2.配电室设于地下一层的设备房内。3.用电负荷,分别采用放射式和树干式供电,消防设备采用两回路供电,末端自动切换。低压系统图见电初-02。2变配电所平面布置图见电初-03。(五).电气设备选型1.380/220V配电装置选用GCK型低压配电屏,柜内主断路器选用F型,分断路器选用S型,插入式安装。均带有长延时过电流,短路短延时与短路瞬时保护。(六).无功功率补偿与计量1.采用低压就地补偿,在低压配电室内设有低压静电电容器屏(在图书馆的低压配电屏内还设有电容器补偿),就地补偿容量共为240KVAR。2.采用低压计量,在图书馆内的低压配电屏已设置了计量。(七).电力、照明1.由低压配电屏引至各用电点的供电分别采用放射式与树干式供电方式,由配电屏放射引出回路供给运动场馆照明配电箱及一般照明配电箱。2.冷水机组、冷冻水泵组、冷却水泵组、冷却塔风机由低压配电屏以放射式线路馈电,冷水机组的起动,控制设备由机组配套供给。冷水机组、冷冻水泵、冷却水泵、冷却塔风机之间实行联动控制。3.消火栓泵、稳压泵、事故照明配电箱均为双电源供电。4.各主要场所照度标准如下(摘自剧场建筑设计规范JGJ57-88):序号房间名称照度(Lx)备注1.篮球场等训练场250~300训练用场馆2.篮球场(二层)500~750比赛用场馆3.前厅、休息厅75~1504.灯控室75~1505.办公室200~2506.设备房100~1507.楼梯、走道15~305.剧场下列部位设事故照明和疏散指示标志:观众厅、观众厅出口、疏散楼梯间、水泵房、变配电室设事故照明,采用蓄电池供电,供电时间大于20min。6.泛光照明由低压配电屏供电,在设备房进线管理与控制。(八).线路敷设1.电力、照明配电线路视不同情况可分别采用ZR-BV、ZR-VV、BV、VV等电线、电缆,按不同情况,分别敷设在桥架或穿焊接钢管敷设。2.运动场管照明与观众厅照明由专业公司负责设计,本设计考虑其线路的通道。(九).扩音系统1.系统功能设计应满足体育比赛和文艺演出的使用要求,达到多功能厅堂一级扩音水平,声压级最大101.8dB,最小84dB,不均匀度7.8dB。2.系统设计参照TOA产品,主要设备包括16路调音台、功放、声场处理器、反馈抑制器、移频器、效果器、监听功放、无线话筒、CD机、双卡座、号角扬声器、木音箱、监听音箱等。33.主机设备安装在灯光音响室,扬声器安装在场地正中上方网架下,主席台、场地等处设话筒。4.线路采取穿金属管暗装。5.本系统施工设计应由专业公司负责。(十).电话通信系统由学校教学主楼方向引来10对电话...

1、当您付费下载文档后,您只拥有了使用权限,并不意味着购买了版权,文档只能用于自身使用,不得用于其他商业用途(如 [转卖]进行直接盈利或[编辑后售卖]进行间接盈利)。
2、本站所有内容均由合作方或网友上传,本站不对文档的完整性、权威性及其观点立场正确性做任何保证或承诺!文档内容仅供研究参考,付费前请自行鉴别。
3、如文档内容存在违规,或者侵犯商业秘密、侵犯著作权等,请点击“违规举报”。

碎片内容

体育馆施工图电气设计说明

您可能关注的文档

文章天下+ 关注
实名认证
内容提供者

各种文档应有尽有

确认删除?
VIP
微信客服
  • 扫码咨询
会员Q群
  • 会员专属群点击这里加入QQ群
客服邮箱
回到顶部